电脑桌面
添加小米粒文库到电脑桌面
安装后可以在桌面快捷访问

热处理作业指导书

热处理作业指导书_第1页
1/5
热处理作业指导书_第2页
2/5
热处理作业指导书_第3页
3/5
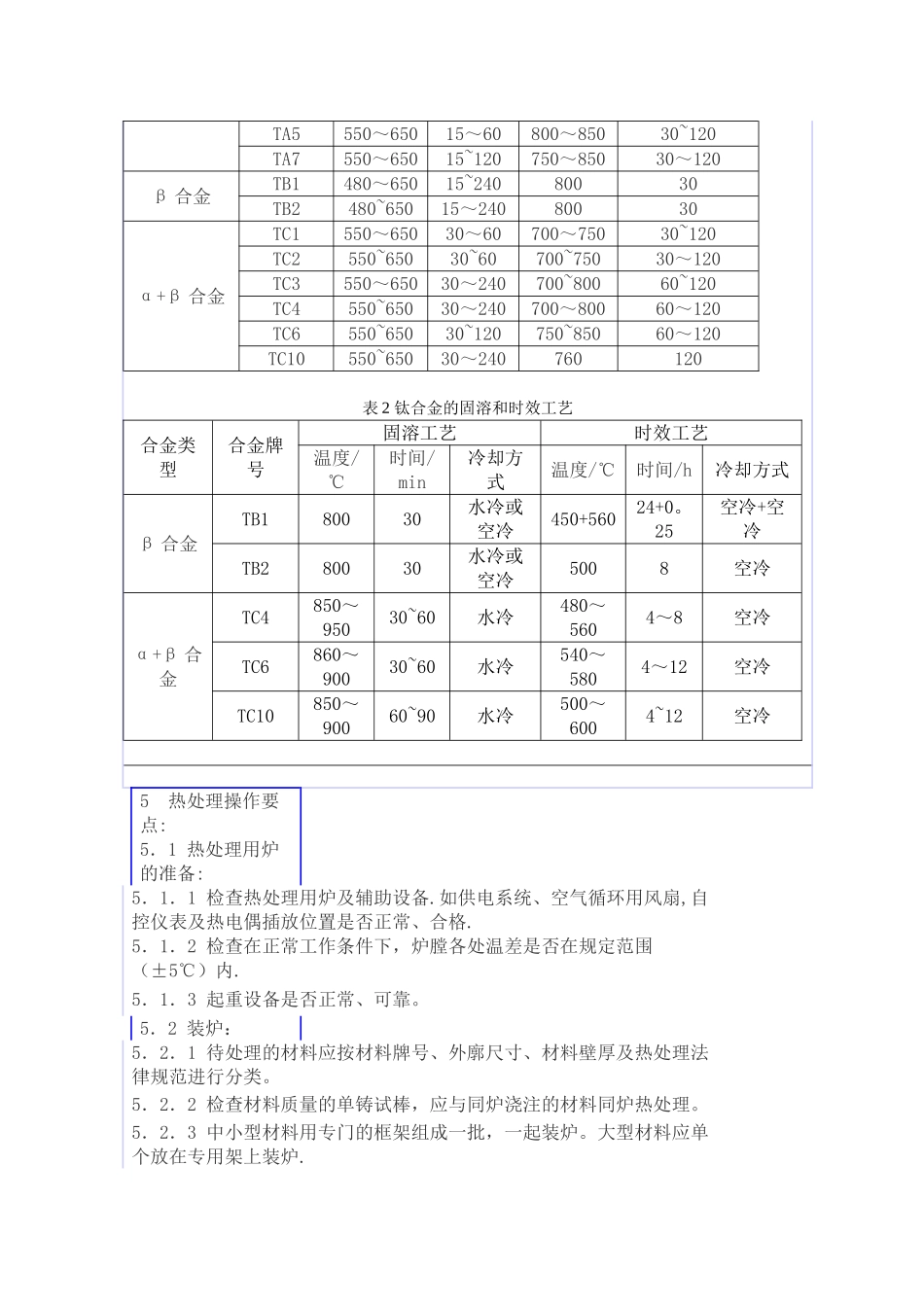
热处理作业指导书 编 号: 版 本: 编 制: 审 核: 批 准: 发布日期:2024 年 07 月 27 日 实施日期: 2024 年 07 月 27 日 热处理操作规程1 定义及其目的热处理就是选用某一热处理法律规范,控制加热速度,升到某一相应温度下保温一定时间以一定的速度冷却,改变其材料组织。其主要目的是:提高力学性能,增强耐腐性能,改善加工性能,获得尺寸的稳定性。2 热处理工艺分类2.1 退火:2.1.1 定义:退火就是将材料加热到较高温度(一般 700℃左右),保温一定时间,随炉冷却到室温的工艺。2.1.2 目的:消除内应力,稳定尺寸,减少变形,增大塑性。2.2 固溶处理:2.2.1 定义:固溶处理就是把材料加热到尽可能高的温度(接近于共晶的熔点),在该温度下保持足够长的时间,并随后快速冷却。2.2.2 目的:提高材料的强度和塑性,改善材料的耐腐蚀性能.2.3 时效处理:2.3.1 定义:时效处理就是将材料加热到某一温度,保温一定时间后出炉,在空气中缓慢冷却到室温的工艺。2.3.2 分类:2.3.2.1 不完全人工时效:它是采纳比较低的时效温度或较短的保温时间,目的是为了获得优良的综合力学性能,即比较高的强度,良好的塑性和韧性.2.3.2.2 完全人工时效 :它是采纳较高的时效温度和较长的保温时间。目的:获得最大的硬度,即得到最高的抗拉强度.2.3.2.3 过时效:它是加热到更高温度下进行。目的:得到好的抗应力腐蚀性能或比较稳定的组织和几何尺寸。3 热处理状态代号及意义参见下表:表 1 热处理状态代号、名称及特点代号热处理状态名称目的T1人工时效提高硬度,改善加工性能,提高 TC4、TB1 等材料的强度。T2退火消除内应力,消除机加工引起的加工硬化,增加材料的塑性。T4固溶处理提高强度和硬度,获得最高的塑性及良好的抗蚀性能。T5固溶处理+用以获得足够高的强度,并保持有高的塑性,但抗蚀性下降。不完全人工时效T6固溶处理+完全人工时效用以获得最高的强度,但塑性及抗蚀性降低。4 热处理工艺参数参见表 1、表 2:表 1 钛及钛合金消除应力退火和完全退火制度合金类型合金牌号消除应力退火完全退火工艺温度/℃时间/min温度/℃时间/minα 合金TA1~TA4500~60015~60680~72030~120TA5550~65015~60800~85030~120TA7550~65015~120750~85030~120β 合金TB1480~65015~24080030TB2480~65015~24080030α+β 合金TC1550~65030~60700~75030~120TC2550~65030~60700~75030~120TC35...

1、当您付费下载文档后,您只拥有了使用权限,并不意味着购买了版权,文档只能用于自身使用,不得用于其他商业用途(如 [转卖]进行直接盈利或[编辑后售卖]进行间接盈利)。
2、本站所有内容均由合作方或网友上传,本站不对文档的完整性、权威性及其观点立场正确性做任何保证或承诺!文档内容仅供研究参考,付费前请自行鉴别。
3、如文档内容存在违规,或者侵犯商业秘密、侵犯著作权等,请点击“违规举报”。

碎片内容

热处理作业指导书

人从众+ 关注
实名认证
内容提供者

欢迎光临小店,本店以公文和教育为主,希望符合您的需求。

确认删除?
VIP
微信客服
  • 扫码咨询
会员Q群
  • 会员专属群点击这里加入QQ群
客服邮箱
回到顶部