电脑桌面
添加小米粒文库到电脑桌面
安装后可以在桌面快捷访问

热控质量验收表

热控质量验收表_第1页
1/238
热控质量验收表_第2页
2/238
热控质量验收表_第3页
3/238
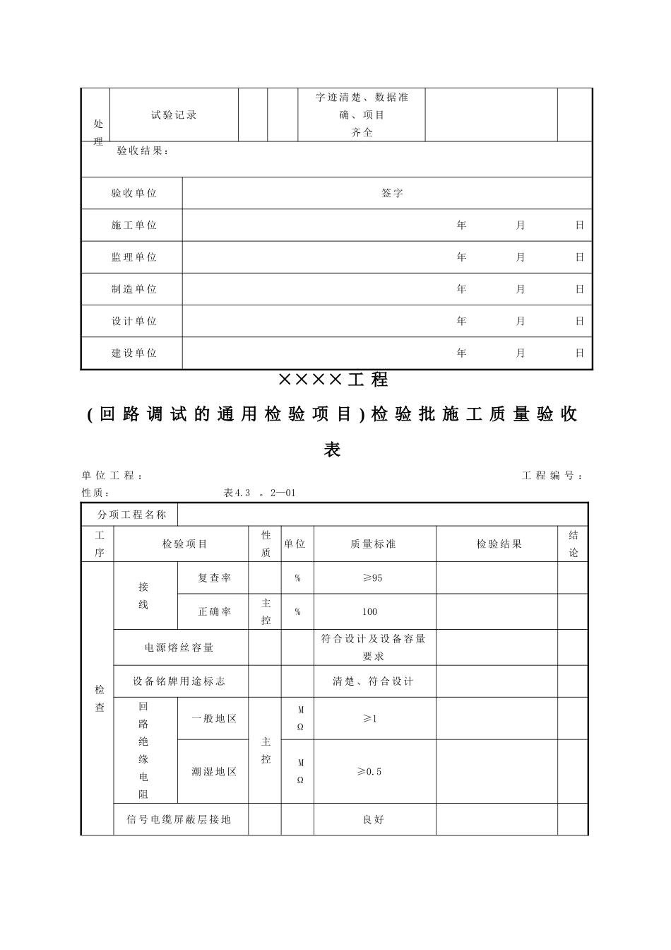
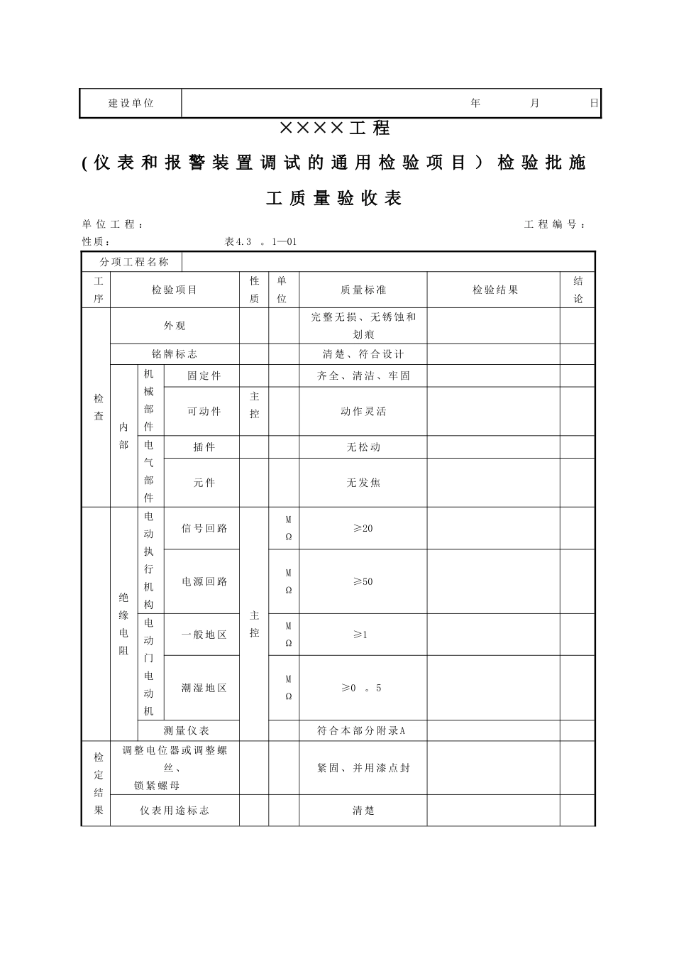
×××× 工 程( ) 检 验 批 施 工 质 量 验 收 表单位工程: 工程编号: 性 质 : 表 4.2.9分 项 工 程 名 称工 序检 验 项 目性 质单位质 量 标 准检 验 结 果结论验 收 结 果 :验 收 单 位签 字施 工 单 位年 月 日监 理 单 位年 月 日制 造 单 位年 月 日设 计 单 位年 月 日建 设 单 位年 月 日×××× 工 程( 仪 表 和 报 警 装 置 调 试 的 通 用 检 验 项 目 ) 检 验 批 施工 质 量 验 收 表单 位 工 程 : 工 程 编 号 : 性 质 : 表 4.3。 1—01分 项 工 程 名 称工序检 验 项 目性质单位质 量 标 准检 验 结 果结论检查外 观完 整 无 损 、 无 锈 蚀 和划 痕铭 牌 标 志清 楚 、 符 合 设 计内部机械部件固 定 件齐 全 、 清 洁 、 牢 固可 动 件主控 动 作 灵 活电气部件插 件无 松 动元 件无 发 焦绝缘电阻电动执行机构信 号 回 路主控MΩ≥20 电 源 回 路MΩ≥50 电动门电动机一 般 地 区MΩ≥1 潮 湿 地 区MΩ≥0。 5 测 量 仪 表符 合 本 部 分 附 录 A检定结果调 整 电 位 器 或 调 整 螺丝 、锁 紧 螺 母紧 固 、 并 用 漆 点 封仪 表 用 途 标 志清 楚处理试 验 记 录字 迹 清 楚 、 数 据 准确 、 项 目齐 全验 收 结 果 :验 收 单 位签 字施 工 单 位年 月 日监 理 单 位年 月 日制 造 单 位年 月 日设 计 单 位年 月 日建 设 单 位年 月 日×××× 工 程( 回 路 调 试 的 通 用 检 验 项 目 ) 检 验 批 施 工 质 量 验 收表单 位 工 程 : 工 程 编 号 : 性 质 : 表 4.3。 2—01分 项 工 程 名 称工序检 验 项 目性质单 位质 量 标 准检 验 结 果结论检查接线复 查 率%≥95正 确 率主控%100电 源 熔 丝 容 量符 合 设 计 及 设 备 容 量要 求设 备 铭 牌 用 途 标 志清 楚 、 符 合 设 计回路绝缘电阻一 般 地 区主控MΩ≥1 潮 湿 地 区MΩ≥0.5 信 号 电 缆 屏 蔽 层 接 地良 好检定结果处理调 整 螺 丝 或 电 位 器 的锁 紧 螺 母紧 固 、 并 用 漆 点 封试 验 记 录字 迹 清 楚 、 数 据 准...

1、当您付费下载文档后,您只拥有了使用权限,并不意味着购买了版权,文档只能用于自身使用,不得用于其他商业用途(如 [转卖]进行直接盈利或[编辑后售卖]进行间接盈利)。
2、本站所有内容均由合作方或网友上传,本站不对文档的完整性、权威性及其观点立场正确性做任何保证或承诺!文档内容仅供研究参考,付费前请自行鉴别。
3、如文档内容存在违规,或者侵犯商业秘密、侵犯著作权等,请点击“违规举报”。

碎片内容

热控质量验收表

雏圣文化+ 关注
实名认证
内容提供者

欢迎光临,大量办公文档供您挑选。

相关文档

确认删除?
VIP
微信客服
  • 扫码咨询
会员Q群
  • 会员专属群点击这里加入QQ群
客服邮箱
回到顶部