电脑桌面
添加小米粒文库到电脑桌面
安装后可以在桌面快捷访问

物业工程部作业指导书样本

物业工程部作业指导书样本_第1页
1/23
物业工程部作业指导书样本_第2页
2/23
物业工程部作业指导书样本_第3页
3/23
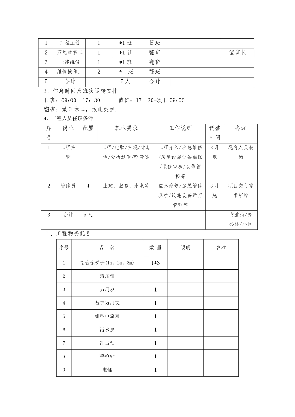
嘉实物业工程作业指导书目录一、一、工程部架构组成二、工程部物资配备三、工程部主要工作职能四、工程部管理制度五、工程部岗位职责六、工程部工作程序一、工程部架构1、架构图2、岗位设置/人员配备序号岗位名称岗位配备班组计数班次运作工作描述备注工程主管万能维修工共维修操作工土建维修1工程主管1*1 班日班2万能维修工1*1 班翻班值班长3土建维修1*1 班翻班4维修操作工2*1 班翻班5合计5 人合计3、作息时间及班次运转安排日班:09:00—17:30 值班:17:30-次日 09:00翻班:做五休二,依此类推.4、工程人员任职条件序号岗位配置基本要求工作说明调整时间备注1工程主管1工程/电脑/主观/计划性/分析逻辑/吃苦等工程介入/应急维修/房屋设施设备维保/装修审核/装修管控等8 月底现有人员转岗2维修员4土建、配套、水电等应急维修/房屋维修养护/设施设备运行管理等8 月底项目交付需求新增3合计5 人商业街/办公楼/小区二、工程物资配备序号品 名数 量说明备注1铝合金梯子(1m、2m、3m)1*32液压钳3万用表14数字万用表15钳型电流表16潜水泵17冲击钻18手枪钻19电锤110摇表111管道疏通器112砂轮机113温感、烟感测试仪114切割机115维修工作台116对讲机217大、中管钳118随身工具419总 计三、工程部主要工作职能1、制定所辖范围内各设备的安全操作规程及设备、设施维修、保养计划,并保证这些计划按预定的法律规范、要求按时/按质完成。2、 负责整个小区的日常维修、保养工作。3、 定期巡检小区内公共区域设备的运行情况,及时完成各种工作报表的记录与整理工作。4、 负责小区内公共区域的水、电能耗统计工作,及时提出节能措施,争取最大限度的减少公司的开支。5、 安排并跟进物业及设备安装的交接、验收工作,并建立完整的档案。6、 协助洽谈、评估、监督工程外判项目,并组织跟进质量验收.7、 配合其他部门做好日常的管理工作。8、 完成上级下达的其它工作指令。四、工程部管理制度(一)、上门维修文明守则1、维修人员上门服务时,应着装干净,举止言谈文明礼貌.2、维修人员根据维修工作单的内容,根据业主预约的时间,准时到达。3、维修人员到达业主家门时,要有间隙地按门铃,若三分钟后,无人应答时,可轻叩房门,若再过三分钟后,仍无人应答时,可用纸留言说明情况,塞入业主门缝内,回工程部后须告知值班长,以便及时和业主再联系。4、维修人员上门时,须向业主出示服务胸卡,核对维修工作单的内容,得到业主同意后,在门口脱鞋换上...

1、当您付费下载文档后,您只拥有了使用权限,并不意味着购买了版权,文档只能用于自身使用,不得用于其他商业用途(如 [转卖]进行直接盈利或[编辑后售卖]进行间接盈利)。
2、本站所有内容均由合作方或网友上传,本站不对文档的完整性、权威性及其观点立场正确性做任何保证或承诺!文档内容仅供研究参考,付费前请自行鉴别。
3、如文档内容存在违规,或者侵犯商业秘密、侵犯著作权等,请点击“违规举报”。

碎片内容

物业工程部作业指导书样本

您可能关注的文档

确认删除?
VIP
微信客服
  • 扫码咨询
会员Q群
  • 会员专属群点击这里加入QQ群
客服邮箱
回到顶部