电脑桌面
添加小米粒文库到电脑桌面
安装后可以在桌面快捷访问

环保设施运行维护管理制度

环保设施运行维护管理制度_第1页
1/14
环保设施运行维护管理制度_第2页
2/14
环保设施运行维护管理制度_第3页
3/14
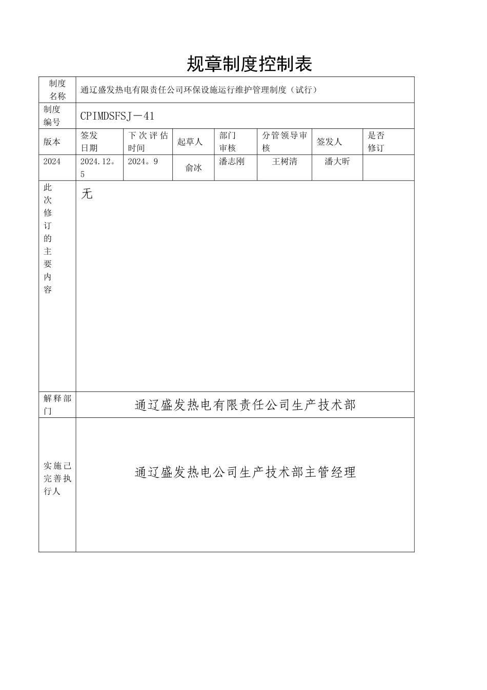
通辽盛发热电有限责任公司规章制度发布通知2024 年第 41 号《通辽盛发热电有限责任公司环保设施运行维护管理制度》已经于 2024 年 12 月 5 日通过,现予发布,自发布之日起施行。总经理二 OO 八年十二月五日 规章制度控制表制度名称通辽盛发热电有限责任公司环保设施运行维护管理制度(试行)制度编号CPIMDSFSJ-41版本签发日期下 次 评 估时间起草人部门审核分管领导审核签发人是否修订20242024.12。52024。9俞冰潘志刚王树清潘大昕此次修订的主要内容无解释部门通辽盛发热电有限责任公司生产技术部实施己完善执行人通辽盛发热电公司生产技术部主管经理通辽盛发热电有限责任公司环保设施运行维护管理制度1 目的为了加强我公司环保设施管理,保证环保设施与主设备同步、有效投运,结合公司实际情况,制定本管理制度。2 适用范围办法适用于通辽盛发热电有限责任公司环保设施管理。根据委托管理要求,也适用于通辽发电总厂热电检修公司、锦州华冠环境科技实业公司、运灰队伍等有关单位。根据本规定要求,必须执行的国家标准、行业标准、法律法规均为现行有效版本,如版本有更新,以最新版本为准.3 定义和缩略语3.1 定义盛发公司环保设施(即污染治理设施):是指废水处理系统(包括燃料含油废水、煤尘废水、化学酸碱中和、生活废水等生产生活废水处理设施),废气处理设施(包括电袋除尘器、石灰石系统等烟气净化系统),固废处理系统(包括除灰除渣系统、输煤储煤系统的抑尘喷淋设施、灰场抑尘碾压设备等)。3。2 缩略语中国电力投资集团公司—集团公司中电投蒙东能源发电事业部-——发电事业部通辽盛发热电有限责任公司—-—盛发公司中电投通辽发电总厂热电检修公司-——检修公司通辽盛发热电有限责任公司生产技术部--—生技部通辽盛发热电有限责任公司运行部—-—运行部锦州华冠环境科技实业公司——-华冠公司通辽市金遥运输有限责任公司-—-运灰单位4 职责4.1 盛发公司职责4.1.1 通辽盛发热电有限责任公司环保设施管理工作实行三级管理,第一级为盛发公司,第二级为涉及环保设施管理工作的各部门及各委托管理单位,第三级为各部门所属班组及各委托管理单位的专业部门或班组。4.1。2 公司生产副总经理是环保设施管理的第一责任人,公司生技部是环保设施管理的归口管理部门。4.1.3 贯彻执行国家法律法规、集团公司、地方环保部门等各级主管部门下发的有关规章制度、监督考评标准,结合公司实际情况,制订本公司环保设施管理制度...

1、当您付费下载文档后,您只拥有了使用权限,并不意味着购买了版权,文档只能用于自身使用,不得用于其他商业用途(如 [转卖]进行直接盈利或[编辑后售卖]进行间接盈利)。
2、本站所有内容均由合作方或网友上传,本站不对文档的完整性、权威性及其观点立场正确性做任何保证或承诺!文档内容仅供研究参考,付费前请自行鉴别。
3、如文档内容存在违规,或者侵犯商业秘密、侵犯著作权等,请点击“违规举报”。

碎片内容

环保设施运行维护管理制度

您可能关注的文档

确认删除?
VIP
微信客服
  • 扫码咨询
会员Q群
  • 会员专属群点击这里加入QQ群
客服邮箱
回到顶部