电脑桌面
添加小米粒文库到电脑桌面
安装后可以在桌面快捷访问

现浇板施工方案

现浇板施工方案_第1页
1/22
现浇板施工方案_第2页
2/22
现浇板施工方案_第3页
3/22
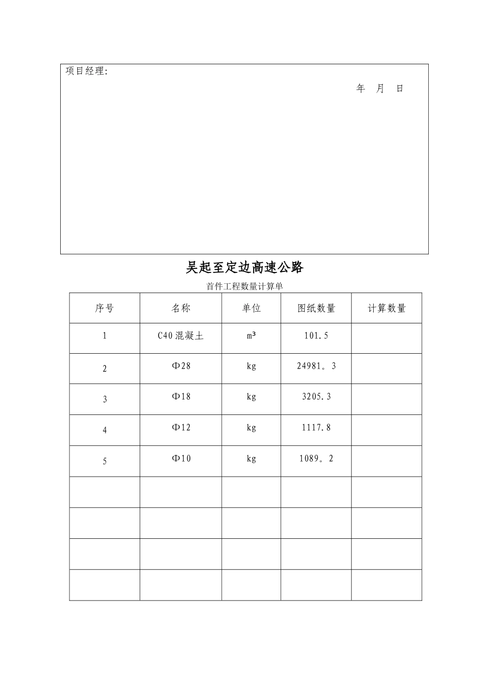
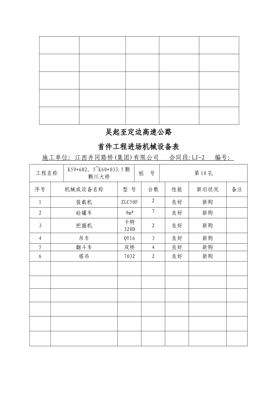
吴起至定边高速公路 现浇板 首件工程(试验段)施工技术方案 LJ—2 合同段施工单位名称:(盖章)江西井冈路桥(集团)有限公司二○一六年八月二十三日吴起至定边高速公路首件工程工程量表合同段: LJ-2 编号: 工程名称K59+682。5~K60+033.5颗颗川大桥桩号第 10 孔支付编号项目名称单位设计数量403-3-a光圆钢筋(HPB300)㎏2178.45403—3—b带肋钢筋(HRB400)㎏58608.98新增细目C40 混凝土现浇板m³203。00项目经理: 年 月 日吴起至定边高速公路首件工程数量计算单序号名称单位图纸数量计算数量1C40 混凝土m³101.52Φ28kg24981。33Φ18kg3205.34Φ12kg1117.85Φ10kg1089。2吴起至定边高速公路首件工程进场机械设备表施工单位:江西井冈路桥 ( 集团 ) 有限公司 合同段 :LJ-2 编号: 工程名称K59+682。5~K60+033.5 颗颗川大桥桩 号第 10 孔序号机械或设备名称型 号台数性能新旧状况备注1装载机ZLC50F2良好新购2砼罐车9m³7良好新购3挖掘机卡特320D2良好新购4吊车QY163良好新购5翻斗车双桥4良好新购6塔吊70322良好新购项目经理(签字):年 月 日专业工程师意见:年 月 日工作组意见:年 月 日吴起至定边高速公路首件工程现场管理人员表施工单位:江西井冈路桥(集团 ) 有限公司 合同段 :LJ—2 编号: 工程名称K59+682。5~K60+033。5颗颗川大桥桩号第 10 孔序号姓名性别年龄职称学历专业担任职务备注1李文波男30工程师专科路桥质检工程师2黄 勋男28助工专科路桥测量工程师3吴红芳女41工程师本科路桥试验工程师4张亚军男44工程师专科路桥安全工程师5王乃站男33工程师专科路桥桥梁工程师6刘盼新男43现场负责人专科路桥现场负责人项目经理(签字): 年 月 日专业工程师意见: 年 月 日工作组意见: 年 月 日吴起至定边高速公路首件工程现场施工人力表施工单位:江西井冈路桥(集团)有限公司 合同段: LJ-2 编号: 工程名称K59+682.5~K60+033.5颗颗川大桥桩号第 10 孔熟练工人工种级别人数上岗证号码混凝土工中级1514010502040326140105020545731401050202465414010502042442钢筋工中级14310105195330543408277711330234282770112367电工中级111270810044008474100010070788电焊工中级10410002024002524100020241330241000202410215普通工人人 数基本工人16民 工6项目经理(签字):年 月 日专业工程师意见:年 月 日工作组意见:年 月 日吴起至定边高速公路首件工程进场材料表施工单位...

1、当您付费下载文档后,您只拥有了使用权限,并不意味着购买了版权,文档只能用于自身使用,不得用于其他商业用途(如 [转卖]进行直接盈利或[编辑后售卖]进行间接盈利)。
2、本站所有内容均由合作方或网友上传,本站不对文档的完整性、权威性及其观点立场正确性做任何保证或承诺!文档内容仅供研究参考,付费前请自行鉴别。
3、如文档内容存在违规,或者侵犯商业秘密、侵犯著作权等,请点击“违规举报”。

碎片内容

现浇板施工方案

确认删除?
VIP
微信客服
  • 扫码咨询
会员Q群
  • 会员专属群点击这里加入QQ群
客服邮箱
回到顶部