电脑桌面
添加小米粒文库到电脑桌面
安装后可以在桌面快捷访问

玻璃幕墙施工组织设计方案

玻璃幕墙施工组织设计方案_第1页
1/12
玻璃幕墙施工组织设计方案_第2页
2/12
玻璃幕墙施工组织设计方案_第3页
3/12
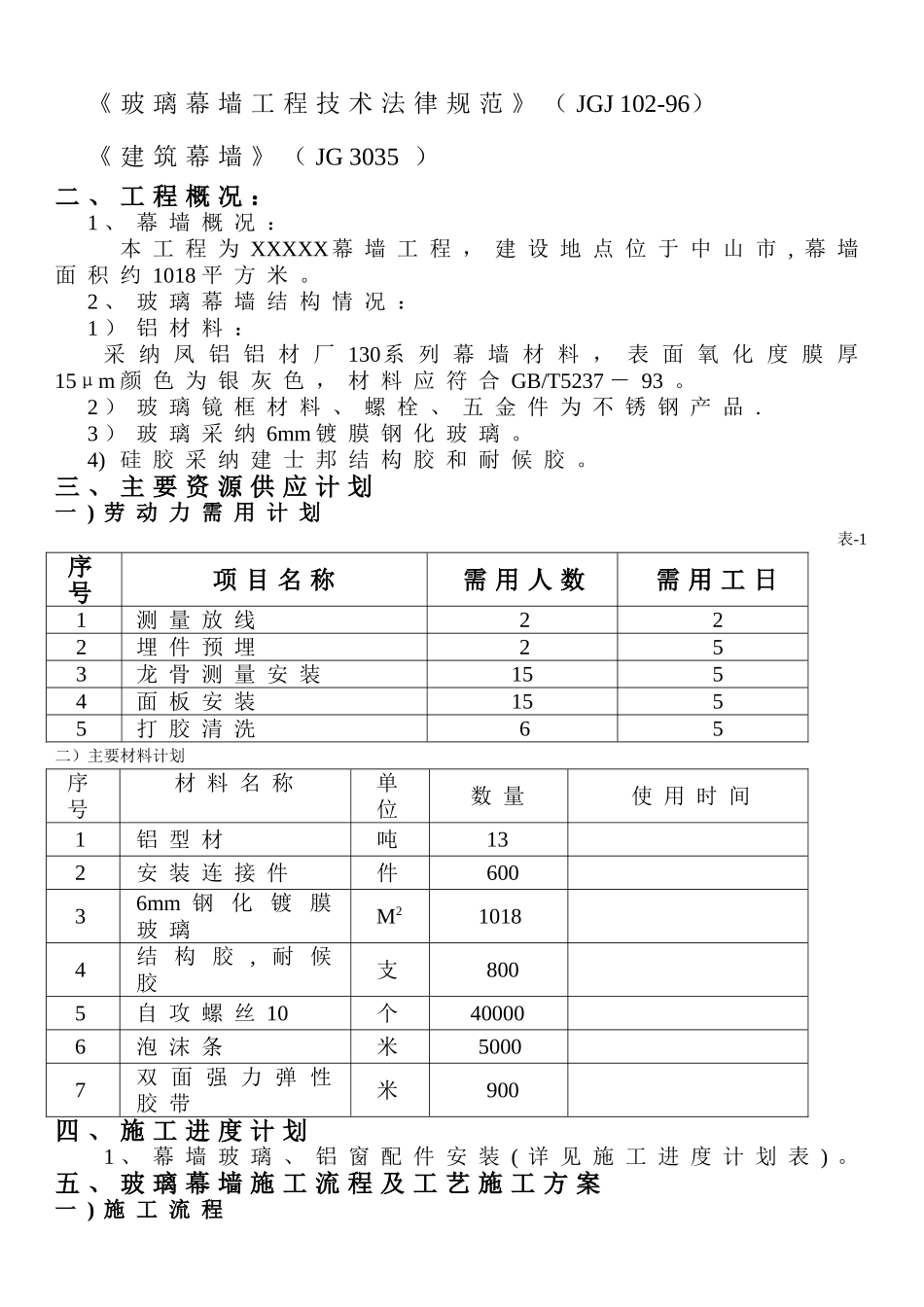
XXXXX 幕 墙 工 程 玻 璃 幕 墙 专 项 施 工 方 案编 制 单 位 : 编 制 人 : 编 制 日 期 : 2024 年 09 月 10 日目 录一 、 编 制 及 施 工 依 据 … … … … … … … … … … … … … … … …… … … 3二 、 工 程 概 况 … … … … … … … … … … … … … … … … … … …… … ..…3三 、 主 要 资 源 供 应 计 划 … … … … … … … … … … … … … … …… … . 。 … 4四 、 施 工 进 度 计 划 … … … … … … … … … … … … … … … … …… … . 。 … 4五 、 玻 璃 幕 墙 施 工 流 程 及 工 艺 … … … … … … … … … … … …… … … 4六 、 施 工 过 程 控 制 程 序 … … … … … … … … … … … … … … …… … ..…6七 、 质 量 保 证 体 系 … … … … … … … … … … … … … … … … …… … .…9八 、 主 要 技 术 措 施 … … … … … … … … … … … … … … … … …… … … ..9九 、 产 品 保 护 措 施 … … … … … … … … … … … … … … … … …… … … 11十 、 施 工 安 全 及 消 防 保 卫 措 施 … … … … … … … … … … … …… … … 12十 一 、 玻 璃 幕 墙 工 程 验 收 … … … … … … … … … … … … … …… … … 13十 二 、 保 修 期 及 售 后 服 务 … … … … … … … … … … … … … …… … … 15一 、编 制 及 施 工 依 据 :本 专 项 方 案 根 据 XXXXX 幕 墙 工 程 及 甲 方 业 主 要 求 编 制1 、 玻 璃 幕 墙 材 料 、 设 计 、 制 作 、 安 装 施 工 及 验 收 , 除 应符 合 本 法 律 规 范 的 规 定 外 , 尚 应 符 合 国 家 现 行 有 关 标 准 、法 律 规 范 的 规 定 .《 玻 璃 幕 墙 工 程 技 术 法 律 规 范 》 ( JGJ 102-96)《 建 筑 幕 墙 》 ( JG 3035 )二 、 工 程 概 况 :1 、 幕 墙 ...

1、当您付费下载文档后,您只拥有了使用权限,并不意味着购买了版权,文档只能用于自身使用,不得用于其他商业用途(如 [转卖]进行直接盈利或[编辑后售卖]进行间接盈利)。
2、本站所有内容均由合作方或网友上传,本站不对文档的完整性、权威性及其观点立场正确性做任何保证或承诺!文档内容仅供研究参考,付费前请自行鉴别。
3、如文档内容存在违规,或者侵犯商业秘密、侵犯著作权等,请点击“违规举报”。

碎片内容

玻璃幕墙施工组织设计方案

您可能关注的文档

确认删除?
VIP
微信客服
  • 扫码咨询
会员Q群
  • 会员专属群点击这里加入QQ群
客服邮箱
回到顶部