电脑桌面
添加小米粒文库到电脑桌面
安装后可以在桌面快捷访问

生产型企业财务管理流程图

生产型企业财务管理流程图_第1页
1/5
生产型企业财务管理流程图_第2页
2/5
生产型企业财务管理流程图_第3页
3/5
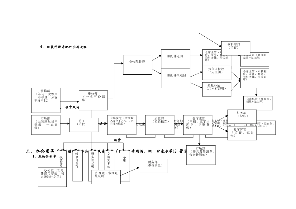
生产型企业财务管理操作流程图一、 原材料管理操作流程1、采购计划审批 2、采购流程审批 3、 入库流程 合格 不合格 不合格 4、出库流程采购员(比价、分析报告、样品检验单等)总 工 ( 审 核比价、比较质量,确定供方)总经理(审批)采购部门(制定计划单, 一式两份)总 工(审批是否采购)财务部(准备资金)采购部门(进行采购)财务部(原件存档)采购员(凭复印件订立合同)仓库保管(核对数量、出具一式两份请验单)采购员办理入库(发票、请验单、检验单)采购员(留存)质检部(3 天内出具检验单)仓库主管(审核:程序、开一式五份入 库 单 , 登 财 务帐)仓库保管(入库、登台帐)采购员申请付款( 发 票 、 入 库单)财务部(记帐)总 工(审批) 财务部(付款)采购员(退货)总工(审批让步放 行 , 降 价 使用)采购员(特采申请单) 二、产成品(含组装件)管理操作流程 1、 产成品(含组装件)入库流程 2、产成品出库流程 3、组装件生产调用出库流程 领料人(一式五份出库单)生产部经理(审批)领 料 部 门 主 管(审核)仓库主管(审核:一式五份领单程序,库存、签字,登财务帐)仓库保管(出库、登台帐)领料部门(留存)财务部(记帐)产成品(含组装件)质检部质检合格后仓库主管(审核:一式五份入库单程序,签字,登财务帐)仓库保管( 入 库 、 登 台帐)财务部(记帐)车间(开具一式五份入库单)车间(留存)市场部(一式五份发货清单,含仓转清单)仓库主管(审核一式五份发货清单程序,签字,登财务帐)财务部(记帐)市场部负责人(签字审批)购货单位(留存)司机(代放行条)市场部(留存)仓库保管( 出 库 、 登 台帐)领料人(一式五份出库单)生产部经理(审批)领 料 部 门 主 管(审核)仓库主管(审核一式五份领单程序,库存、签字,登财务帐)仓库保管(出库、登台帐)财务部(记帐)4、组装件做为配件出库流程 维修出库5、产成品退、换货及返修成品管理流程 退货 换货 三、办公用品[含低值耐用办公用品及易耗品(包括招待用酒、烟、矿泉水等))管理操作流程 1、采购计划审批 维修部(年初一次领用一年存量,分管领导审批)免收配件费仓库主管(审核程序、签字,核销、登财务帐,补差出库)仓库保管(登台帐、差量补足出库)责任人付款(无证明)维修部( 一 式 五 份 清单)旧配件退回旧配件未退回仓库主管(审核程序、证明,...

1、当您付费下载文档后,您只拥有了使用权限,并不意味着购买了版权,文档只能用于自身使用,不得用于其他商业用途(如 [转卖]进行直接盈利或[编辑后售卖]进行间接盈利)。
2、本站所有内容均由合作方或网友上传,本站不对文档的完整性、权威性及其观点立场正确性做任何保证或承诺!文档内容仅供研究参考,付费前请自行鉴别。
3、如文档内容存在违规,或者侵犯商业秘密、侵犯著作权等,请点击“违规举报”。

碎片内容

生产型企业财务管理流程图

不二商店+ 关注
实名认证
内容提供者

我是你的不二选择

确认删除?
VIP
微信客服
  • 扫码咨询
会员Q群
  • 会员专属群点击这里加入QQ群
客服邮箱
回到顶部