电脑桌面
添加小米粒文库到电脑桌面
安装后可以在桌面快捷访问

电梯三级安全教育

电梯三级安全教育_第1页
1/1
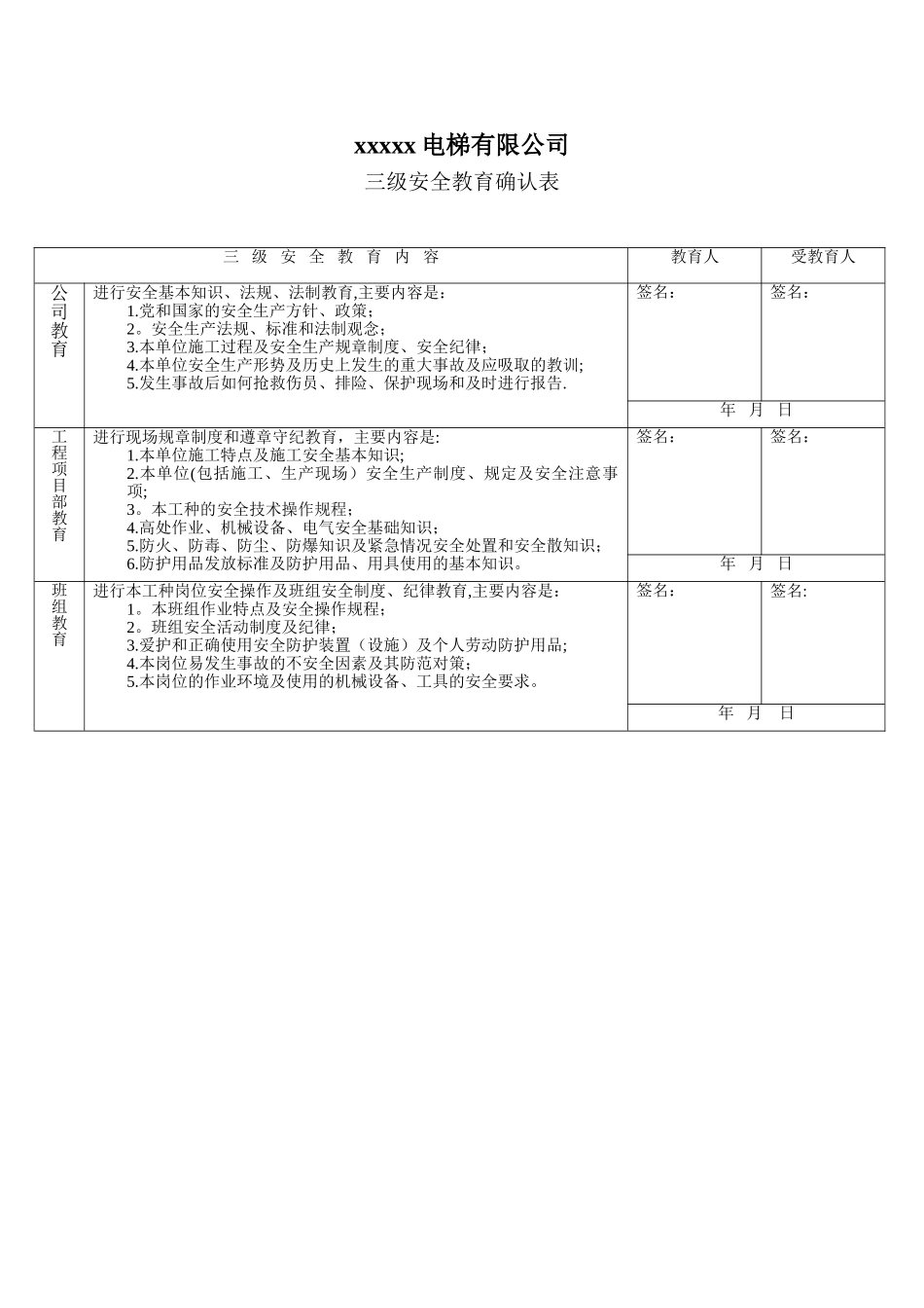
xxxxx 电梯有限公司三级安全教育确认表三 级 安 全 教 育 内 容教育人受教育人公司教育进行安全基本知识、法规、法制教育,主要内容是:1.党和国家的安全生产方针、政策;2。安全生产法规、标准和法制观念;3.本单位施工过程及安全生产规章制度、安全纪律;4.本单位安全生产形势及历史上发生的重大事故及应吸取的教训;5.发生事故后如何抢救伤员、排险、保护现场和及时进行报告.签名:签名:年 月 日工程项目部教育进行现场规章制度和遵章守纪教育,主要内容是:1.本单位施工特点及施工安全基本知识;2.本单位(包括施工、生产现场)安全生产制度、规定及安全注意事项;3。本工种的安全技术操作规程;4.高处作业、机械设备、电气安全基础知识;5.防火、防毒、防尘、防爆知识及紧急情况安全处置和安全散知识;6.防护用品发放标准及防护用品、用具使用的基本知识。签名:签名:年 月 日班组教育进行本工种岗位安全操作及班组安全制度、纪律教育,主要内容是:1。本班组作业特点及安全操作规程;2。班组安全活动制度及纪律;3.爱护和正确使用安全防护装置(设施)及个人劳动防护用品;4.本岗位易发生事故的不安全因素及其防范对策;5.本岗位的作业环境及使用的机械设备、工具的安全要求。签名:签名:年 月 日

1、当您付费下载文档后,您只拥有了使用权限,并不意味着购买了版权,文档只能用于自身使用,不得用于其他商业用途(如 [转卖]进行直接盈利或[编辑后售卖]进行间接盈利)。
2、本站所有内容均由合作方或网友上传,本站不对文档的完整性、权威性及其观点立场正确性做任何保证或承诺!文档内容仅供研究参考,付费前请自行鉴别。
3、如文档内容存在违规,或者侵犯商业秘密、侵犯著作权等,请点击“违规举报”。

碎片内容

电梯三级安全教育

您可能关注的文档

确认删除?
VIP
微信客服
  • 扫码咨询
会员Q群
  • 会员专属群点击这里加入QQ群
客服邮箱
回到顶部