电脑桌面
添加小米粒文库到电脑桌面
安装后可以在桌面快捷访问

电气配管隐蔽工程检查验收记录

电气配管隐蔽工程检查验收记录_第1页
1/7
电气配管隐蔽工程检查验收记录_第2页
2/7
电气配管隐蔽工程检查验收记录_第3页
3/7
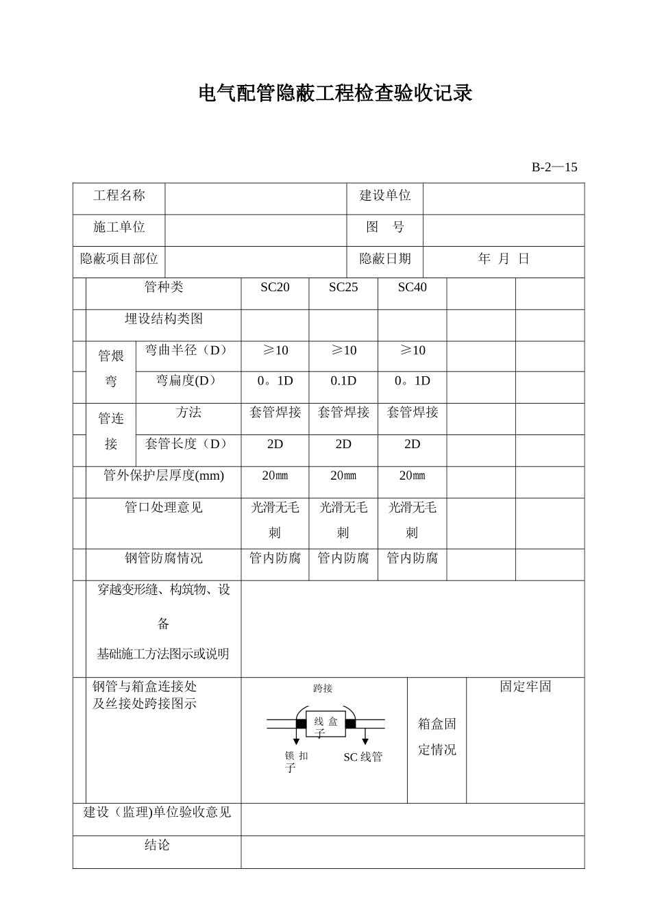
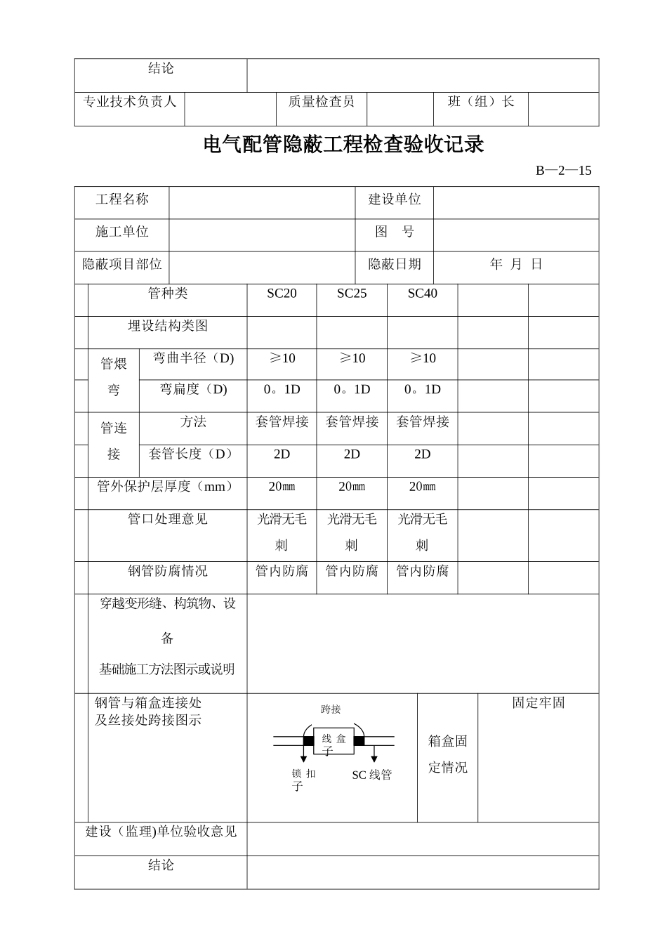
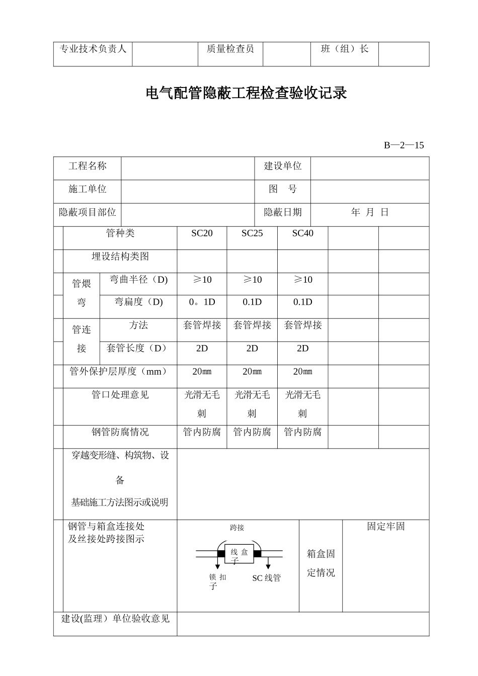
电气配管隐蔽工程检查验收记录B-2—15工程名称建设单位施工单位图 号隐蔽项目部位隐蔽日期年 月 日管种类SC20SC25SC40埋设结构类图管煨弯弯曲半径(D)≥10≥10≥10弯扁度(D)0。1D0.1D0。1D管连接方法套管焊接套管焊接套管焊接套管长度(D)2D2D2D管外保护层厚度(mm)20㎜20㎜20㎜管口处理意见光滑无毛刺光滑无毛刺光滑无毛刺钢管防腐情况管内防腐管内防腐管内防腐穿越变形缝、构筑物、设备基础施工方法图示或说明 钢管与箱盒连接处及丝接处跨接图示箱盒固定情况固定牢固建设(监理)单位验收意见结论线 盒子锁 扣子SC 线管跨接专业技术负责人质量检查员班(组)长电气配管隐蔽工程检查验收记录B—2—15工程名称建设单位施工单位图 号隐蔽项目部位隐蔽日期年 月 日管种类SC20SC25SC40埋设结构类图管煨弯弯曲半径(D)≥10≥10≥10弯扁度(D)0。1D0.1D0.1D管连接方法套管焊接套管焊接套管焊接套管长度(D)2D2D2D管外保护层厚度(mm)20㎜20㎜20㎜管口处理意见光滑无毛刺光滑无毛刺光滑无毛刺钢管防腐情况管内防腐管内防腐管内防腐穿越变形缝、构筑物、设备基础施工方法图示或说明 钢管与箱盒连接处及丝接处跨接图示箱盒固定情况固定牢固建设(监理)单位验收意见线 盒子锁 扣子SC 线管跨接结论专业技术负责人质量检查员班(组)长电气配管隐蔽工程检查验收记录B—2—15工程名称建设单位施工单位图 号隐蔽项目部位隐蔽日期年 月 日管种类SC20SC25SC40埋设结构类图管煨弯弯曲半径(D)≥10≥10≥10弯扁度(D)0。1D0。1D0。1D管连接方法套管焊接套管焊接套管焊接套管长度(D)2D2D2D管外保护层厚度(mm)20㎜20㎜20㎜管口处理意见光滑无毛刺光滑无毛刺光滑无毛刺钢管防腐情况管内防腐管内防腐管内防腐穿越变形缝、构筑物、设备基础施工方法图示或说明 钢管与箱盒连接处及丝接处跨接图示箱盒固定情况固定牢固建设(监理)单位验收意见结论线 盒子锁 扣子SC 线管跨接专业技术负责人质量检查员班(组)长电气配管隐蔽工程检查验收记录B-2-15工程名称建设单位施工单位图 号隐蔽项目部位隐蔽日期年 月 日管种类PVC20PVC25PVC32埋设结构类图管煨弯弯曲半径(D)≥10≥10≥10弯扁度(D)0。1D0。1D0。1D管连接方法套管粘接套管粘接套管粘接套管长度(D)2D2D2D管外保护层厚度(mm)20㎜20㎜20㎜管口处理意见光滑无毛刺光滑无毛刺光滑无毛刺钢管防腐情况穿越变形缝、构筑物、设备基础施工方法图示或说明 钢管与箱盒连接处及丝接处跨接图示箱...

1、当您付费下载文档后,您只拥有了使用权限,并不意味着购买了版权,文档只能用于自身使用,不得用于其他商业用途(如 [转卖]进行直接盈利或[编辑后售卖]进行间接盈利)。
2、本站所有内容均由合作方或网友上传,本站不对文档的完整性、权威性及其观点立场正确性做任何保证或承诺!文档内容仅供研究参考,付费前请自行鉴别。
3、如文档内容存在违规,或者侵犯商业秘密、侵犯著作权等,请点击“违规举报”。

碎片内容

电气配管隐蔽工程检查验收记录

确认删除?
VIP
微信客服
  • 扫码咨询
会员Q群
  • 会员专属群点击这里加入QQ群
客服邮箱
回到顶部