电脑桌面
添加小米粒文库到电脑桌面
安装后可以在桌面快捷访问

皮带下山带式输送机安装安全技术措施

皮带下山带式输送机安装安全技术措施_第1页
1/12
皮带下山带式输送机安装安全技术措施_第2页
2/12
皮带下山带式输送机安装安全技术措施_第3页
3/12
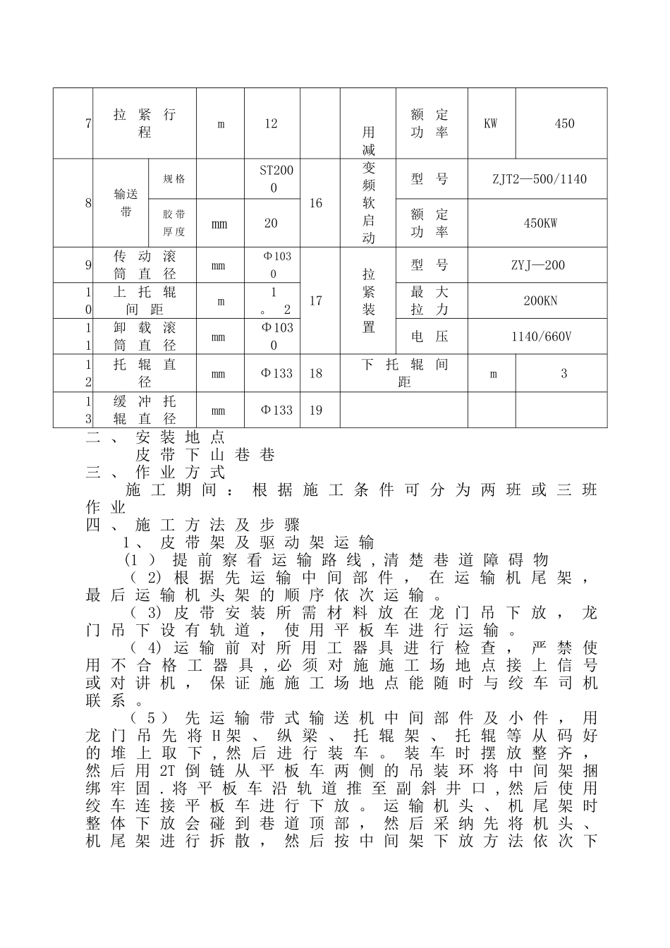
地 面 栈 桥 皮 带 更 换安全技术措施编 制 单 位 : 运 输 队编 制 人 : 编 制 日 期 : 2024年 7 月 8 日一 、 工 程 概 况山 西 煤 炭 运 销 集 团 左 权 盘 城 岭 煤 业 有 限 公 司是 整 合 重 组 矿 井 , 整 合 后 年 生 产 能 为 90 万 吨 。 为了 满 足 现 有 原 煤 运 输 需 求 , 保 证 以 后 安 全 生 产 ,特 安 装 带 式 输 送 机 .主 要 工 程 量 及 参 数 如 下 :皮 带 机 : DTL100/100/2 * 450S 序号项目单位数值序号项目名称单位数值1输送量t/h≤50014隔爆型三相异步电动机型号YBBP3—400L—42输送机长度m700功率KW2×450KW3巷道坡度º0~+20转速r/min15004提升高度m≤152.4电压V11405带速m/s3 。1515输送带型号M3RSF90+ 风扇6带宽mm1000速比25用减7拉紧行程m12额定功率KW4508输送带规 格ST200016变频软启动型号ZJT2—500/1140胶 带厚 度mm20额定功率450KW9传动滚筒直径mmΦ103017拉紧装置型号ZYJ—20010上托辊间距m1。2最大拉力200KN11卸载滚筒直径mmΦ1030电压1140/660V12托辊直径mmΦ13318下托辊间距m313缓冲托辊直径mmΦ13319二 、 安 装 地 点 皮 带 下 山 巷 巷三 、 作 业 方 式 施 工 期 间 : 根 据 施 工 条 件 可 分 为 两 班 或 三 班作 业四 、 施 工 方 法 及 步 骤1 、 皮 带 架 及 驱 动 架 运 输(1 ) 提 前 察 看 运 输 路 线 , 清 楚 巷 道 障 碍 物( 2) 根 据 先 运 输 中 间 部 件 , 在 运 输 机 尾 架 ,最 后 运 输 机 头 架 的 顺 序 依 次 运 输 。( 3) 皮 带 安 装 所 需 材 料 放 在 龙 门 吊 下 放 , 龙门 吊 下 设 有 轨 道 , 使 用 平 板 车 进 行 运 输 。( 4) 运 输 前 对 所 用 工 器 具 进 行 检 查 , 严 禁 使用 不 合 格 工 器 具 , 必 须 对 施 施 工 场 地 点 接 上 信 号或 对 讲 机 , 保 证 施 施 工 场 地 点 能 随 时 与 绞 车 司 机联 系 。( 5 ) 先 运 输 带 式 输 送 机 中 间 部 件 及 小 件 , 用龙 门 吊 先 将 H 架 、 纵 梁 、 托 辊 架 、 托 辊 等 从 码 好的 堆 上 取 下 ...

1、当您付费下载文档后,您只拥有了使用权限,并不意味着购买了版权,文档只能用于自身使用,不得用于其他商业用途(如 [转卖]进行直接盈利或[编辑后售卖]进行间接盈利)。
2、本站所有内容均由合作方或网友上传,本站不对文档的完整性、权威性及其观点立场正确性做任何保证或承诺!文档内容仅供研究参考,付费前请自行鉴别。
3、如文档内容存在违规,或者侵犯商业秘密、侵犯著作权等,请点击“违规举报”。

碎片内容

皮带下山带式输送机安装安全技术措施

文森传品+ 关注
实名认证
内容提供者

一家传播文化教育的小店,资料丰富,随意挑选。

确认删除?
VIP
微信客服
  • 扫码咨询
会员Q群
  • 会员专属群点击这里加入QQ群
客服邮箱
回到顶部