电脑桌面
添加小米粒文库到电脑桌面
安装后可以在桌面快捷访问

石油管道施工方案

石油管道施工方案_第1页
1/13
石油管道施工方案_第2页
2/13
石油管道施工方案_第3页
3/13
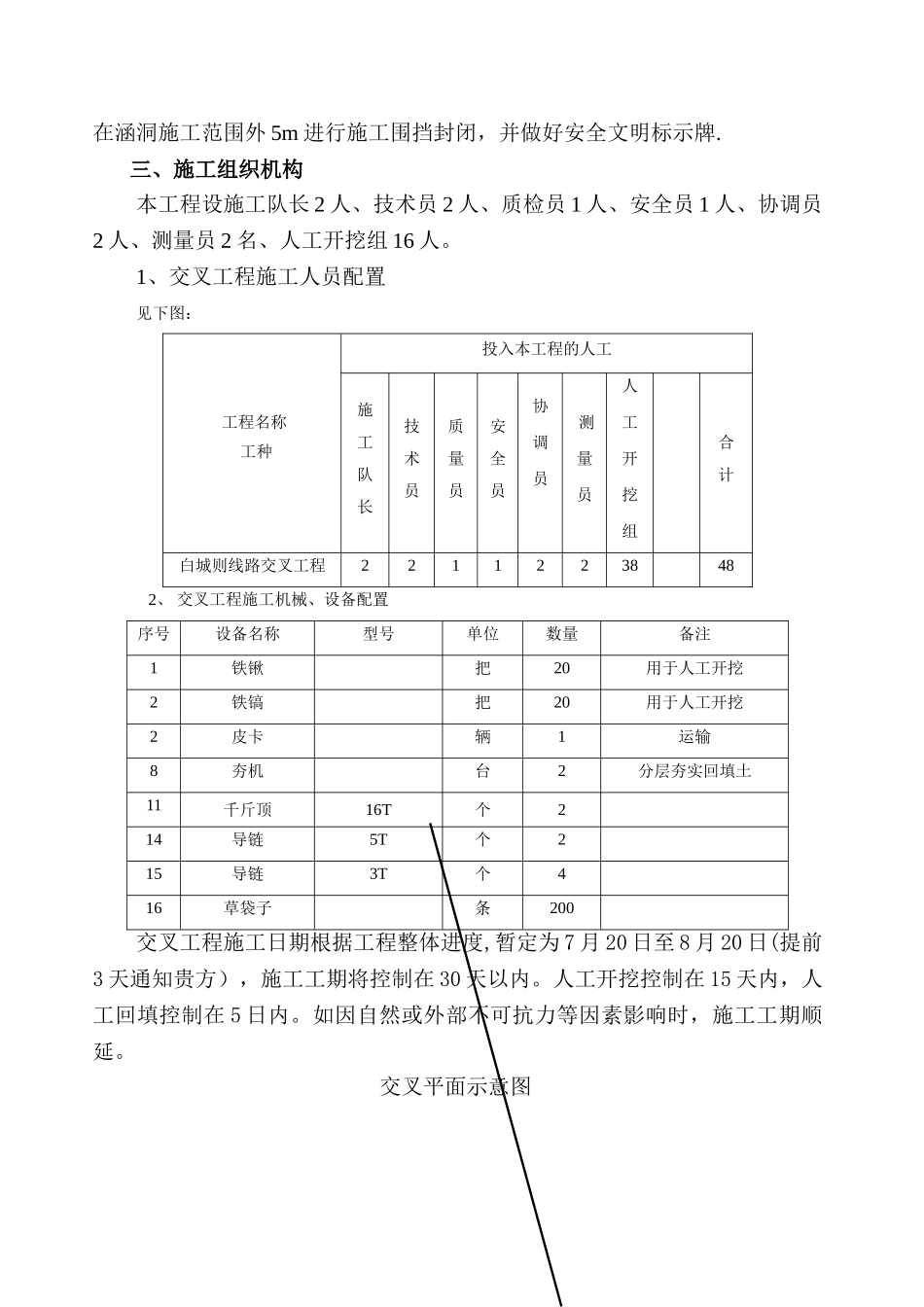
沙湾工业园金沟河工业区道路工程东环路交叉西气东输 2 线管线开挖专项方案 编制: 审核: 批准: 施工单位:中铁十八局集团建筑安装工程有限公司2024 年 7 月 15 日 目 录一、工程概况二、施工概述三、施工组织机构四、主要材料五、主要施工方法及工艺六、安全生产七、文明施工八、环境保护九、安全保障措施十、应急预案涵洞施工方案一、工程概况:沙湾纺织工业园金沟河工业园东环路线路起点为 K0+000,位于工业北路岔口,终点 K2+225。874 位于与规划纬一路交口中心。全线规划红线宽度24m,线路 K2+007.1 处与西气东输二线之间存在交叉,天然气管线桩号为462+100;线路 K2+040。8 处本与石油管道之间存在交叉,桩号为 74+300.两处管道防护措施采纳盖板暗涵进行跨越处置,跨越石油管道采纳设置孔径 1-2。6m 盖板暗涵防护处理,跨越西气二线天然气管道采纳设置孔径 1-5.0m 盖板暗涵防护处理,涵长均为 24m.二、施工概述因西气东输 2 线管线横惯东环路 K2+007。1 处,且埋深在 1~1.5m 范围内,根据涵洞施工法律规范及图纸要求,涵洞开挖深度为 4。24m、涵长 24m.中国石油独山子燃气公司根据燃气管线法律规范要求,禁止距离燃气管道 5m范围内进行机械开挖、必须进行人工开挖。且天然气线路管线确定后须进行必要的加固处理.在管线开挖交叉处 24 小时有专人(中国石油独山子燃气公司)巡线,如有发现有不法律规范施工,及时叫停,确保燃气管线不受开挖影响。在涵洞施工范围外 5m 进行施工围挡封闭,并做好安全文明标示牌.三、施工组织机构本工程设施工队长 2 人、技术员 2 人、质检员 1 人、安全员 1 人、协调员2 人、测量员 2 名、人工开挖组 16 人。1、交叉工程施工人员配置见下图: 工程名称 工种投入本工程的人工施工队长技术员质量员安全员协调员 测量员人工开挖组合计白城则线路交叉工程2211223848 2、 交叉工程施工机械、设备配置序号设备名称型号单位数量备注1铁锹把20用于人工开挖2铁镐把20用于人工开挖2皮卡辆1运输8夯机台2分层夯实回填土11千斤顶16T个214导链5T个215导链3T个416草袋子条200交叉工程施工日期根据工程整体进度,暂定为 7 月 20 日至 8 月 20 日(提前3 天通知贵方),施工工期将控制在 30 天以内。人工开挖控制在 15 天内,人工回填控制在 5 日内。如因自然或外部不可抗力等因素影响时,施工工期顺延。交叉平面示意图 K2+007。1 西气东输二线管线交叉部位...

1、当您付费下载文档后,您只拥有了使用权限,并不意味着购买了版权,文档只能用于自身使用,不得用于其他商业用途(如 [转卖]进行直接盈利或[编辑后售卖]进行间接盈利)。
2、本站所有内容均由合作方或网友上传,本站不对文档的完整性、权威性及其观点立场正确性做任何保证或承诺!文档内容仅供研究参考,付费前请自行鉴别。
3、如文档内容存在违规,或者侵犯商业秘密、侵犯著作权等,请点击“违规举报”。

碎片内容

石油管道施工方案

一帆文传+ 关注
实名认证
内容提供者

欢迎光临店铺,各类公文供您挑选。

确认删除?
VIP
微信客服
  • 扫码咨询
会员Q群
  • 会员专属群点击这里加入QQ群
客服邮箱
回到顶部