电脑桌面
添加小米粒文库到电脑桌面
安装后可以在桌面快捷访问

碎石桩工程施工监理细则

碎石桩工程施工监理细则_第1页
1/6
碎石桩工程施工监理细则_第2页
2/6
碎石桩工程施工监理细则_第3页
3/6
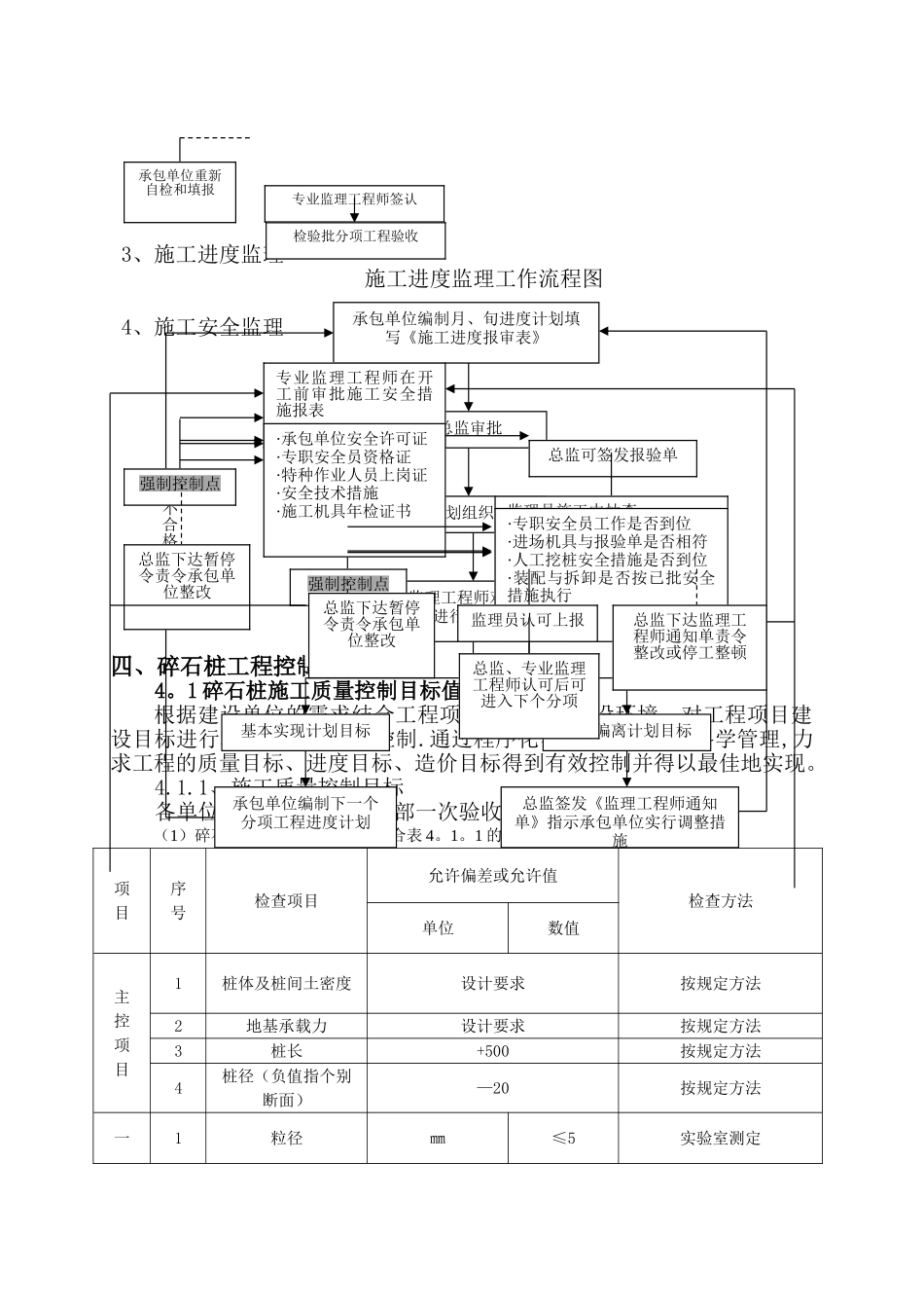
廊坊燕京职业技术学院教学综合楼碎石桩工程监 理 细 则编制人:批准人:廊坊市天丰工程建设监理有限公司三河项目部二 O 一六年六月目 录一、工程概况……………………………………………………………1二、监理工作依据………………………………………………………1三、碎石桩工程的监理流程……………………………………………1四、碎石桩工程控制目标值 ……………………………………………5五、碎石桩工程监理控制要点和方法…………………………………6六、碎石桩施工的监理措施……………………………………………8碎石桩工程监理实施细则一、工程概况:本工程为廊坊燕京职业技术学院综合教学楼项目的碎石桩地基工程,本工程设计总桩数为 6406 根.由施工单位采纳柱锤冲扩砂石桩法(夯扩灌注碎石桩)复合地基方案工艺施工。碎石桩桩身直径为 600㎜,有效桩长 10。00m,保护桩 0.70m,成孔深度 10.7m,(从开挖后地平开始成孔),开挖深度 1.5m(从天然地面算起)桩体材料采纳级配沙石。桩顶部铺设 300mm 厚砂石垫层.夯填度不大于0.9。为保施工质量,施工前先用螺旋钻机引孔,引孔深度 6.0m(从开挖后地平开始引孔),引孔直径 400mm。根据岩土勘察报告,结合本工程特点,特编制出施工监理细则。二、监理依据:(1)勘察文件和设计文件及会审纪要;(2)委托监理合同和施工合同;(3)建筑工程施工质量验收统一标准(GB50300-2024); (4)建筑地基基础工程施工质量验收法律规范(GB50202-2024);(5)建筑地基处理技术法律规范(JGJ79—2024);(6)建筑基桩及复合地基检测技术规程(DB21/T1450—2024)(7)建筑基桩检测技术法律规范(JGJ106-2024);(8)建设工程监理法律规范(GB50319-2024);(9)建设工程质量管理条例(国务院令第 279 号);(10 建设工程安全生产管理条例(国务院令第 393 号);三、监理工作流程:1. 开工条件的审核施工单位总 监 与业主及各申 签章 提 方面协调会报 批复 出总 监 提 初转 签署 示 审发 意见 意 现场监理工程师 见2、施工质量监理 施工质量监理工作流程图合格合格合格不合格合格不合格不合格合格不合格测量定位检查专业监理工程师审核结果承包单位重测审批开工申请·试桩审批·设备、原材料进场报验·分包单位报审资质、质量检查员及特种人员上岗证·施工方案审批方法签认开工令监理员旁站监理·检查桩数、桩径、孔深、偏位·单桩碎石的灌入量·留振时间·密实电流·提...

1、当您付费下载文档后,您只拥有了使用权限,并不意味着购买了版权,文档只能用于自身使用,不得用于其他商业用途(如 [转卖]进行直接盈利或[编辑后售卖]进行间接盈利)。
2、本站所有内容均由合作方或网友上传,本站不对文档的完整性、权威性及其观点立场正确性做任何保证或承诺!文档内容仅供研究参考,付费前请自行鉴别。
3、如文档内容存在违规,或者侵犯商业秘密、侵犯著作权等,请点击“违规举报”。

碎片内容

碎石桩工程施工监理细则

确认删除?
VIP
微信客服
  • 扫码咨询
会员Q群
  • 会员专属群点击这里加入QQ群
客服邮箱
回到顶部