电脑桌面
添加小米粒文库到电脑桌面
安装后可以在桌面快捷访问

碎石桩施工技术交底

碎石桩施工技术交底_第1页
1/12
碎石桩施工技术交底_第2页
2/12
碎石桩施工技术交底_第3页
3/12
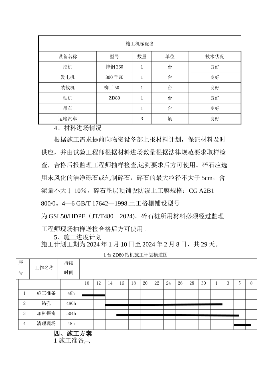
碎石桩施工技术交底一.编制总说明1、编制依据⑴ 交通部现行标准技术法律规范、验标、试验法律规范规程及有关法律、法规.⑵ 我单位对该合同段工程现场踏勘及调查了解。⑶ 我单位现有的技术装备、人员素养、管理模式、施工经验、科技进步和施工能力等施工要素情况。⑷G56 杭州至瑞丽高速公路宣威至曲靖段两阶段施工图设计。2、编制原则⑴ 以满足本标段工程施工需要为目的,合理配置施工队伍、机械设备、工程材料等资源。⑵ 统筹安排,保证重点,科学合理地安排施工进度,组织连续均衡施工生产,做好工序衔接,确保按工期完成工程建设任务。⑶ 突出应用新技术、新设备、新工艺,提高施工的机械化作业水平,积极应用先进的科技成果。⑷ 运用现代科学技术,采纳切实可行的安全保证措施,确保生产安全,做到文明施工。⑸ 运用现代科学技术,优化施工组织方案、施工工艺和施工方法,努力降低成本,提高经济效益.二、工程概况K99+035—K99+099 段为深层软弱土碎石桩,碎石垫层方量1326m³,厚度 0。5m,碎石桩总长 10980 延米,桩头 2196 个,平均桩长 5m,清除软弱土层为 0。3m,数量 795m³,碎石桩间距 1.2m.地基采纳沉管碎石桩加固软土地基,按梅花形布置,桩径为50cm,平均桩长为 5 米,桩间距为 1。2m,桩头 2196 个,总长 10980米。施工清除地表耕植土用均匀质土料调成 2%的横坡,以利地基盆形沉降后排水,碎石桩施工完成,检验合格后,在桩顶分层填筑 0.5m厚碎石垫层,碾压密实满足基床以下路堤的压实标准。 三、施工组织与部署 1、施工组织为确保工程质量和工期,软基处理工程的碎石桩施工按总体施工组织设计的要求布置实施,成立了路基作业队,承担软基处理振动碎石桩施工任务,负责现场施工安排、人员组织、质量控制、安全管理、进度控制等。施工队的生产、管理属项目经理部领导.2。人员进场情况主要劳动力配备如下表所示:表 2-1 主要人力资源配置3、设备进场情况表 3-1 主要机械设备配置施工机械配备设备名称型号数量单位技术状况挖机神钢 2601台良好发电机300 千瓦1台良好装载机柳工 501台良好钻机ZD801台良好吊车1台良好运输汽车3辆良好4、材料进场情况根据施工需求提前向物资设备部上报材料计划,保证材料及时供应,并由试验工程师根据材料进场数量根据法律规范要求取样检查,合格后报监理工程师抽样检查,达到要求后方可使用。碎石应选用未风化的洁净砾石或轧制碎石,碎石的最大粒径不大于 5cm,含泥量不大...

1、当您付费下载文档后,您只拥有了使用权限,并不意味着购买了版权,文档只能用于自身使用,不得用于其他商业用途(如 [转卖]进行直接盈利或[编辑后售卖]进行间接盈利)。
2、本站所有内容均由合作方或网友上传,本站不对文档的完整性、权威性及其观点立场正确性做任何保证或承诺!文档内容仅供研究参考,付费前请自行鉴别。
3、如文档内容存在违规,或者侵犯商业秘密、侵犯著作权等,请点击“违规举报”。

碎片内容

碎石桩施工技术交底

确认删除?
VIP
微信客服
  • 扫码咨询
会员Q群
  • 会员专属群点击这里加入QQ群
客服邮箱
回到顶部