电脑桌面
添加小米粒文库到电脑桌面
安装后可以在桌面快捷访问

碎石盲沟施工方案

碎石盲沟施工方案_第1页
1/9
碎石盲沟施工方案_第2页
2/9
碎石盲沟施工方案_第3页
3/9
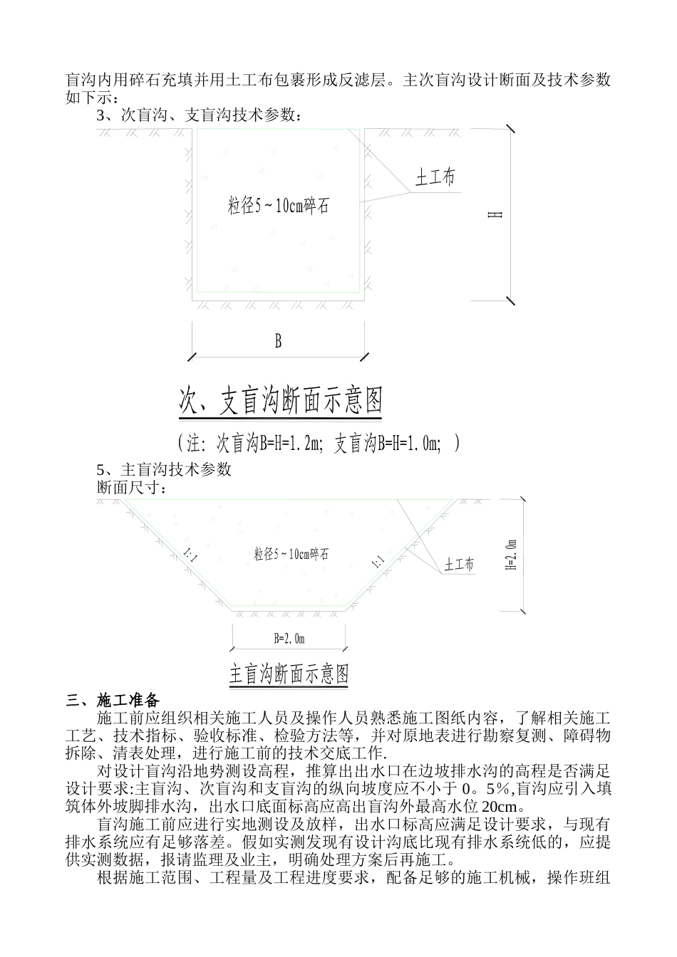
昆明新机场建设工程规划用地预处理工程 XC 标段工程 碎石盲沟施工方案云南建工第四建设有限公司编 制:李新华 审核:日 期: 2024 年 10 月 29 日目 录一、编制依据………………………………………………。3二、工程概况………………………………………………..3三、施工准备…………………………………………..……5四、碎石盲沟施工方案 …………………………………。.5五、碎石盲沟施工工艺…………………………………… 6六、盲沟施工质量标准及检测要求………………………8七、质量保证体系及质量保证措施………………………8八、安全生产措施…………………………………………9九、文明施工措施…………………………………………11十、环境保护措施 ……………………………………… 11十一、附图 ………………………………………………14一、编制依据本方案依据昆明新机场西次区域地基处理与土石方工程施工图设计及设计说明、施工组织设计及现行有关技术法律规范编制。二、工程概况1、本工程盲沟主要设置于北侧填方区,平面位置见设计图纸基施—01,主要有 3 条主盲沟和 5 条次盲沟,主要工程量如下:2、盲沟设置原则:沿主要冲沟沟底,设置主盲沟,在原有次要冲沟沟谷位置,设置次盲沟,结合地形情况和渗流情况设置支盲沟。每一个泉眼均应设置排水支盲沟,并与主盲沟或次盲沟相连,以便将泉水引入主盲沟或次盲沟内,盲沟内用碎石充填并用土工布包裹形成反滤层。主次盲沟设计断面及技术参数如下示:3、次盲沟、支盲沟技术参数:5、主盲沟技术参数断面尺寸:三、施工准备施工前应组织相关施工人员及操作人员熟悉施工图纸内容,了解相关施工工艺、技术指标、验收标准、检验方法等,并对原地表进行勘察复测、障碍物拆除、清表处理,进行施工前的技术交底工作.对设计盲沟沿地势测设高程,推算出出水口在边坡排水沟的高程是否满足设计要求:主盲沟、次盲沟和支盲沟的纵向坡度应不小于 0。5%,盲沟应引入填筑体外坡脚排水沟,出水口底面标高应高出盲沟外最高水位 20cm。盲沟施工前应进行实地测设及放样,出水口标高应满足设计要求,与现有排水系统应有足够落差。假如实测发现有设计沟底比现有排水系统低的,应提供实测数据,报请监理及业主,明确处理方案后再施工。根据施工范围、工程量及工程进度要求,配备足够的施工机械,操作班组及管理人员及时到位,并对清表前及清表后进行 10×10 米方格网测设,报请监理及业主确认。四...

1、当您付费下载文档后,您只拥有了使用权限,并不意味着购买了版权,文档只能用于自身使用,不得用于其他商业用途(如 [转卖]进行直接盈利或[编辑后售卖]进行间接盈利)。
2、本站所有内容均由合作方或网友上传,本站不对文档的完整性、权威性及其观点立场正确性做任何保证或承诺!文档内容仅供研究参考,付费前请自行鉴别。
3、如文档内容存在违规,或者侵犯商业秘密、侵犯著作权等,请点击“违规举报”。

碎片内容

碎石盲沟施工方案

您可能关注的文档

确认删除?
VIP
微信客服
  • 扫码咨询
会员Q群
  • 会员专属群点击这里加入QQ群
客服邮箱
回到顶部