电脑桌面
添加小米粒文库到电脑桌面
安装后可以在桌面快捷访问

移动脚手架验收表

移动脚手架验收表_第1页
1/2
移动脚手架验收表_第2页
2/2
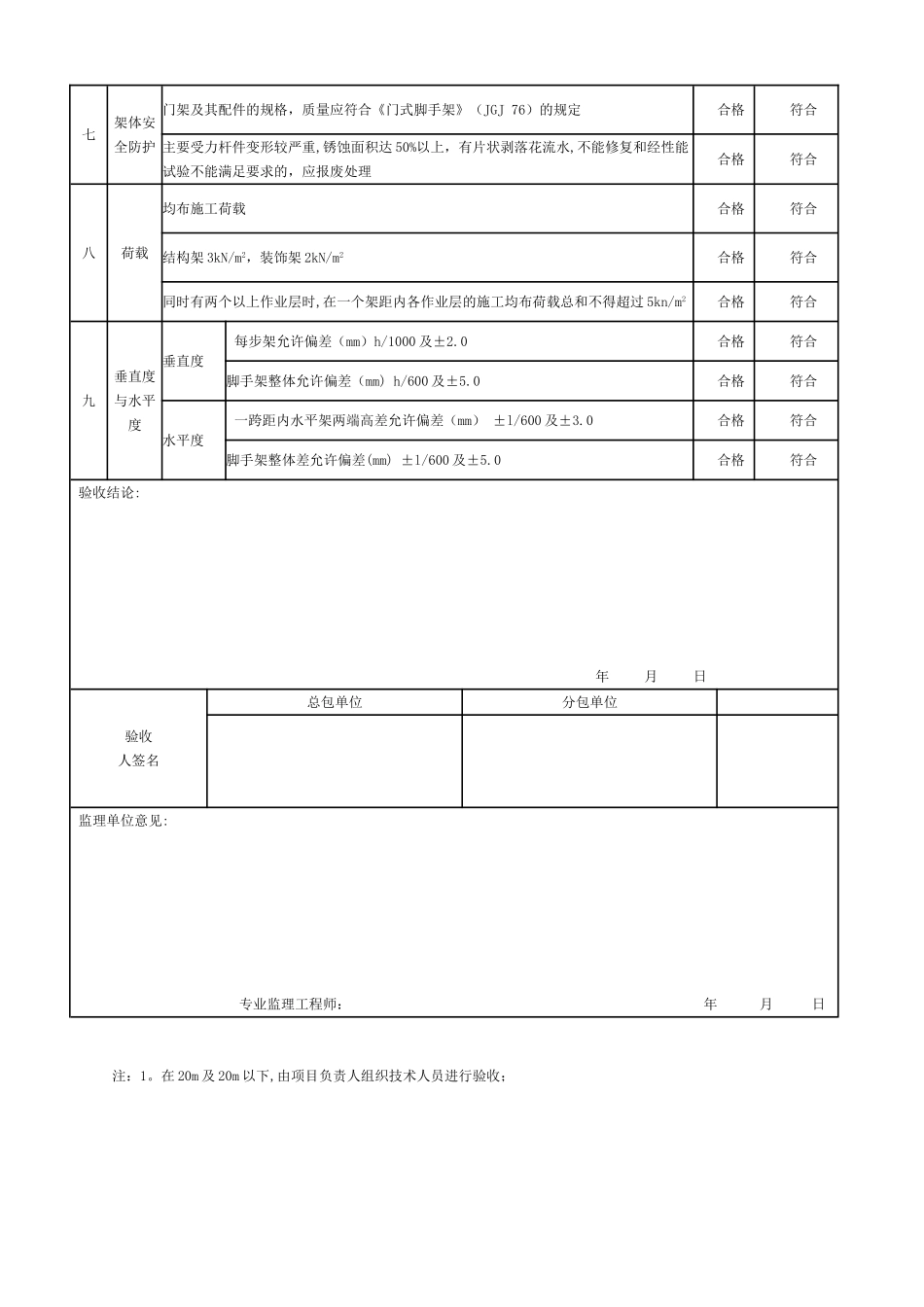
移动脚手架验收表工程名称施工单位 项目负责人分包单位 分包负责人 施工执行标准及编号 验收部位: 搭设高度: 验收日期序号检查项目检查内容与要求实测实量实查验收结果一资料部分搭设单位应取得脚手架搭设资质,架子工持证上岗 合格 符合脚手架搭设前必须编制施工组织设计,审批手续完备 合格 符合脚手架高度超过 60m 时,有设计计算并经上级审批 合格 符合有安全操作规程及安全技术交底记录 合格 符合脚手架构件有出厂合格证书或质量合格标志 合格 符合二架体基础搭设高度在 25m 以下时,夯实、垫 5cm 厚板 合格 符合搭设高度在 25~45cm 时,夯实、铺上 15cm 厚道碴夯实,再铺木板或槽钢 合格 符合搭设高度超过 45m 时,应对基础进行设计计算确定 合格 符合底步门架下端纵横设置扫地杆,调整门架不均匀沉降 合格 符合三架体稳定门架内外侧均应设高叉支撑、并与门架立杆锁牢 合格 符合采纳刚性连墙件:架高<45m 时,垂直≤6m,每两层设一处,水平≤8m;架高 45~60m时,垂直≤4m,水平≤6m 合格 符合水平架的设置:架高<45m 时,每二步门架设一道,架高 45~60m 时,每步门架设一道 合格 符合剪刀撑:架高〉20m,外侧每隔 4 步设置一道,并形成水平闭合圈,宽度为 4~8m,与地面夹角 45o~60o;接长采纳搭接≥50cm 合格 符合四杆件锁件不同产品的门架与零配件不得混用 合格 符合上下门架的组装必须设置连接棒及锁臂 合格 符合各部件的锁臂、搭钩等必须处于锁紧状态 合格 符合五脚手板作业层应连接满铺挂扣式脚手板,其搭钩应与门架横梁扣紧,用滑动挡板锁牢 合格 符合采纳一般脚手板时,应与门架横杆绑牢,严禁出现探头板,并沿高度每步设置一道水平加固杆或水平架 合格 符合六架体作业层外侧设置两道防护栏杆和挡脚板,应符合法律规范要求 合格 符合架体外侧用密目式安全网封闭 合格 符合供作业人员上下使用的钢梯应锁扣牢固 合格 符合七架体安全防护门架及其配件的规格,质量应符合《门式脚手架》(JGJ 76)的规定 合格 符合主要受力杆件变形较严重,锈蚀面积达 50%以上,有片状剥落花流水,不能修复和经性能试验不能满足要求的,应报废处理 合格 符合八荷载均布施工荷载 合格 符合结构架 3kN/m2,装饰架 2kN/m2 合格 符合同时有两个以上作业层时,在一个架距内各作业层的施工均布荷载总和不得超过 5kn/m2 合格 符合九垂直度与水平度垂直度每步架允许偏差(mm)h/100...

1、当您付费下载文档后,您只拥有了使用权限,并不意味着购买了版权,文档只能用于自身使用,不得用于其他商业用途(如 [转卖]进行直接盈利或[编辑后售卖]进行间接盈利)。
2、本站所有内容均由合作方或网友上传,本站不对文档的完整性、权威性及其观点立场正确性做任何保证或承诺!文档内容仅供研究参考,付费前请自行鉴别。
3、如文档内容存在违规,或者侵犯商业秘密、侵犯著作权等,请点击“违规举报”。

碎片内容

移动脚手架验收表

您可能关注的文档

确认删除?
VIP
微信客服
  • 扫码咨询
会员Q群
  • 会员专属群点击这里加入QQ群
客服邮箱
回到顶部