电脑桌面
添加小米粒文库到电脑桌面
安装后可以在桌面快捷访问

空冷器检修施工方案

空冷器检修施工方案_第1页
1/13
空冷器检修施工方案_第2页
2/13
空冷器检修施工方案_第3页
3/13
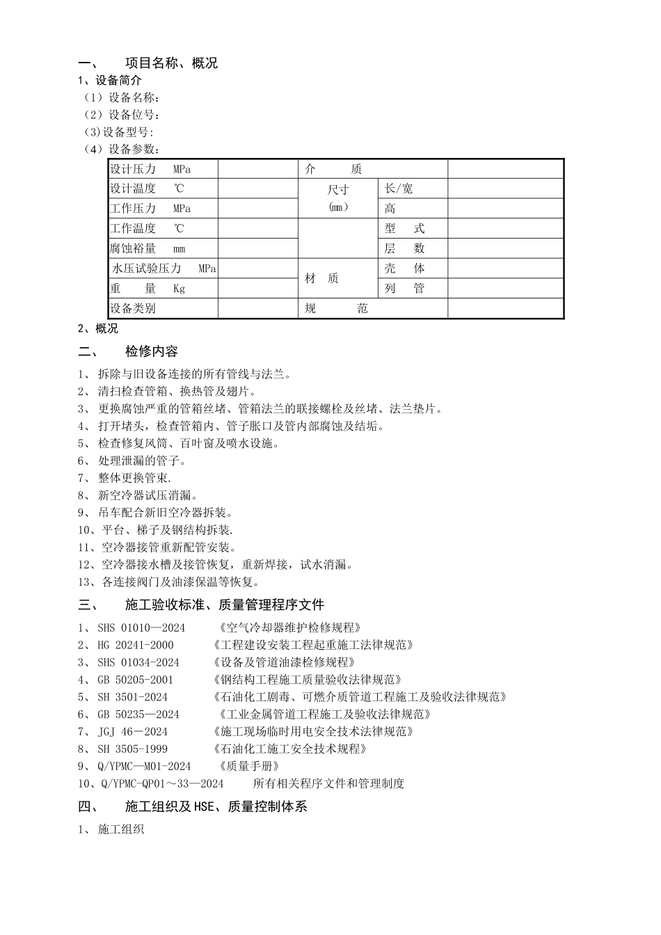
附录 E 编号:空冷器检修施工方案 装置名称: 设备名称: 设备位号:工作令号: 编 制: 审 核: 会 签: 审 批: 二○一 年 月 日目 录一、项目名称、概况 二、检修内容 三、施工验收标准、质量管理程序文件 四、施工组织及 HSE、质量控制体系五、主要施工工器具六、施工方法和步骤七、关键质量控制点及质量验收指标 八、人员配备及相关资质要求九、检验仪器设备清单十、HSE 措施和注意事项 十一、施工网络进度、施工平面图十二、备品备件表十三、检修施工危害分析记录表十四、检修施工作业环境因素表十五、应急措施一、项目名称、概况1、设备简介(1)设备名称: (2)设备位号:(3)设备型号: (4)设备参数:设计压力 MPa介 质设计温度 ℃尺寸 (mm)长/宽工作压力 MPa高工作温度 ℃型 式腐蚀裕量 mm层 数水压试验压力 MPa材 质壳 体重 量 Kg列 管设备类别规 范2、概况二、检修内容1、 拆除与旧设备连接的所有管线与法兰。2、 清扫检查管箱、换热管及翅片。3、 更换腐蚀严重的管箱丝堵、管箱法兰的联接螺栓及丝堵、法兰垫片。4、 打开堵头,检查管箱内、管子胀口及管内部腐蚀及结垢。5、 检查修复风筒、百叶窗及喷水设施。6、 处理泄漏的管子。7、 整体更换管束.8、 新空冷器试压消漏。9、 吊车配合新旧空冷器拆装。10、平台、梯子及钢结构拆装.11、空冷器接管重新配管安装。12、空冷器接水槽及接管恢复,重新焊接,试水消漏。13、各连接阀门及油漆保温等恢复。三、施工验收标准、质量管理程序文件1、 SHS 01010—2024 《空气冷却器维护检修规程》2、 HG 20241-2000 《工程建设安装工程起重施工法律规范》3、 SHS 01034-2024 《设备及管道油漆检修规程》4、 GB 50205-2001 《钢结构工程施工质量验收法律规范》5、 SH 3501-2024 《石油化工剧毒、可燃介质管道工程施工及验收法律规范》6、 GB 50235—2024 《工业金属管道工程施工及验收法律规范》7、 JGJ 46-2024 《施工现场临时用电安全技术法律规范》8、 SH 3505-1999 《石油化工施工安全技术规程》9、 Q/YPMC—M01-2024 《质量手册》10、Q/YPMC-QP01~33—2024 所有相关程序文件和管理制度四、施工组织及 HSE、质量控制体系1、 施工组织 2、 质量保证体系 3、 HSE 管理体系五、主要施工工器具1、 吨吊车一辆及 吨吊车一辆。项目总负责人:安全负责人:施工负责人:吊装负责人:技术负责人:项目总负责人...

1、当您付费下载文档后,您只拥有了使用权限,并不意味着购买了版权,文档只能用于自身使用,不得用于其他商业用途(如 [转卖]进行直接盈利或[编辑后售卖]进行间接盈利)。
2、本站所有内容均由合作方或网友上传,本站不对文档的完整性、权威性及其观点立场正确性做任何保证或承诺!文档内容仅供研究参考,付费前请自行鉴别。
3、如文档内容存在违规,或者侵犯商业秘密、侵犯著作权等,请点击“违规举报”。

碎片内容

空冷器检修施工方案

范哲铺+ 关注
实名认证
内容提供者

想你所想,急你所急,你需要的都在店铺里可以找到。

确认删除?
VIP
微信客服
  • 扫码咨询
会员Q群
  • 会员专属群点击这里加入QQ群
客服邮箱
回到顶部