电脑桌面
添加小米粒文库到电脑桌面
安装后可以在桌面快捷访问

空调与采暖系统冷热源及管网节能工程

空调与采暖系统冷热源及管网节能工程_第1页
1/7
空调与采暖系统冷热源及管网节能工程_第2页
2/7
空调与采暖系统冷热源及管网节能工程_第3页
3/7
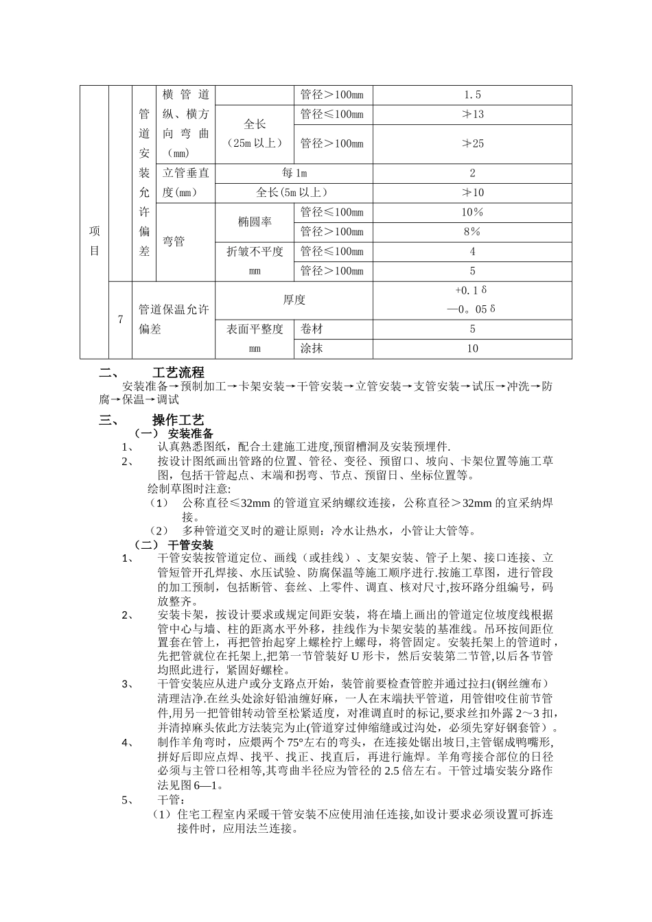
空调与采暖系统冷热源及管网节能工程施工准备(一) 作业条件1.干管安装:位于地沟内的干管,应把地沟内杂物清理洁净,安装好托吊、卡架,未盖沟盖板前安装。位于楼板下及顶层的干管,应在结构封顶后或结构进入安装层的一层以上后安装。2.立管安装必须在确定准确的地面标高后进行。3.支管安装必须在墙面抹灰后进行.(二) 材料要求1、管材:碳索钢管、无缝钢管.管材不得弯曲、锈蚀,无飞刺、重皮及凹凸不平现象。2、管件:无偏扣、方扣、乱扣、断丝,不得有砂眼、裂纹和角度不准确现象。3、阀门:铸造规矩、无毛刺、无裂纹、开关灵活严密,丝扣无损伤,直度和角度正确,强度符合要求,手轮无损伤。安装前应进行强度、严密性试验,主控阀门 100%试验,其他阀门抽检 10%,若有不合格,则抽查 20%,还有不合格,则逐个检验。4、其他材料:型钢、圆钢、管卡子、螺栓、螺母、油、麻、垫、电气焊条等。选用时应符合设计要求。5、在住宅工程中的室内部分中,禁止使用铸铁截止阀。6、各类管材、阀门、调压装置、绝热材料应有产品质量合格证和材质检验报告,热量表应有计量检定证书等。(三) 主要机具砂轮锯、套丝机、台钻、电焊机、煨弯器等。一、质量要求质量要求符合《建筑给水排水及采暖工程施工质量验收法律规范》(GB50242-2024)的规定。项序项 目允许偏差或允许值主控项目1管道安装坡度第 8。2.1 条2采暖系统水压试验第 8.6.1 条3采暖系统冲洗、试运行和调试第 8.6.2 条、第 8.6.3 条4补偿器的制作、安装及预拉伸第 8.2.2 条、第 8.2.5 条、第 8.2.6 条5平衡器、调节阀、减压阀等安装第 8。2。3 条、第 8。2。4 条一般项目1热量表、疏水器、除污器等安装第 8.2.7 条2钢管焊接第 8。2.8 条3采暖入口及分户计量入户装置安装第 8.2.9 条4管道连接及散热器支管安装第 8.2。10 条、第 8。2.11 条、第 8.2.12条、第 8。2.13 条、第 8.2。14 条、第8。2.15 条续表项序项 目允许偏差或允许值一般5管道及金属支架的防腐第 8.2.16 条6每 1m管径≤100mm1项目管道安装允许偏差横 管 道纵、横方向 弯 曲(mm)管径>100mm1.5全长(25m 以上)管径≤100mm≯13管径>100mm≯25立管垂直度(mm)每 1m2全长(5m 以上)≯10弯管椭圆率管径≤100mm10%管径>100mm8%折皱不平度mm管径≤100mm4管径>100mm57管道保温允许偏差厚度+0.1δ—0。05δ表面平整度mm卷材5涂抹10二、工艺流程安装准备→预制加工→卡架安装→干管安...

1、当您付费下载文档后,您只拥有了使用权限,并不意味着购买了版权,文档只能用于自身使用,不得用于其他商业用途(如 [转卖]进行直接盈利或[编辑后售卖]进行间接盈利)。
2、本站所有内容均由合作方或网友上传,本站不对文档的完整性、权威性及其观点立场正确性做任何保证或承诺!文档内容仅供研究参考,付费前请自行鉴别。
3、如文档内容存在违规,或者侵犯商业秘密、侵犯著作权等,请点击“违规举报”。

碎片内容

空调与采暖系统冷热源及管网节能工程

您可能关注的文档

确认删除?
VIP
微信客服
  • 扫码咨询
会员Q群
  • 会员专属群点击这里加入QQ群
客服邮箱
回到顶部