电脑桌面
添加小米粒文库到电脑桌面
安装后可以在桌面快捷访问

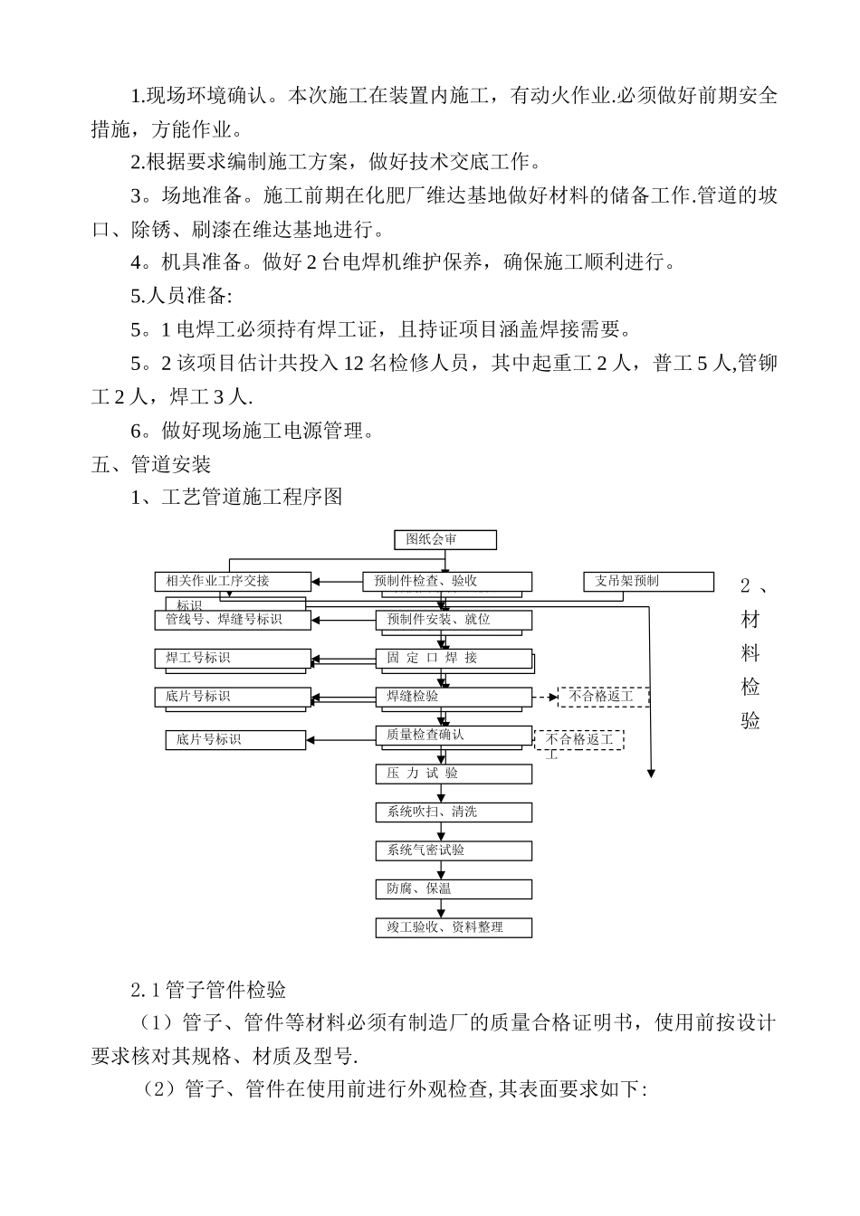
管道安装方案

管道安装方案_第1页
1/20
管道安装方案_第2页
2/20
管道安装方案_第3页
3/20
兰州石化蒸汽减温减压发电优化项目施工方案 一、工程概述根据生产装置需要,现在化肥厂丙烯酸装置建设一套蒸汽发电优化设施。设施主要组成有双螺杆膨胀发电机组(包括减速机、发电机、润滑油系统、轴封系统、本体仪表等)及其配套的管道、公用工程辅助系统、相关电仪、机组挡雨棚等设施组成。装置单元号为:9501。钢结构施工参见钢结构施工方案。本方案只涉及机组和管道安装.管道一览表如下:序号管段号管道名称相态管径管道级别自至1CWR—95011循环水回水液6〃*4〃15mE9501界区外2CWR-95012循环水回水液1-1/2〃*2〃13mE9502A/BCWR-950113CWS-95011循环水上水液6〃*4〃14m界区外E95014CWS-95011循环水上水液1—1/2〃*2〃13。5mCWR-95011E9502A/B5IA-95011仪表空气气1-1/2〃*1〃16m界区外密封气入口N16IA-95012仪表空气气1〃IA—95011仪表7MP16S—95011中压过热蒸汽蒸汽3〃*8〃*10〃44。4mMP16S-80001E螺杆膨胀机入口8LLPS—95011低压蒸汽蒸汽14〃60m螺杆膨胀机出口LLP2S—800059SCM-95011中压蒸汽凝液凝液3/4〃20m界区外MP16S-9501110SCM-95012中压蒸汽凝液凝液3/4〃疏水阀 ST-8801中压蒸汽凝液总管11SCL—95011废气凝液凝液1〃17。4m汽封冷却器疏水口地沟12SCL-95012低压蒸汽凝液凝液3/4〃疏水阀 ST-8802低压蒸汽收集盘13SCL-95013低压蒸汽凝液凝液3/4〃疏水阀 ST—8803低压蒸汽收集盘14SV-95011废气气1—1/2〃9m膨胀机油气放空口 V3SV—9501215SV-95012废气气1—1/2〃*2〃膨胀机油气放空口 V4大气16SV—95013废气气4〃6。4m气封冷却器风机放风口 V1SV—9501417SV-95014废气气4〃气封冷却器风大气机放风口 V218SV—95015废气气6〃*3〃10m膨胀机漏气口A1气封冷却器漏气入口 A219LO-95011润滑油气2〃10m润滑油箱大气20LO-95012润滑油液1〃0.3m润滑油箱废油桶二、编制依据 1、《现场设备、工业管道焊接工程施工法律规范》GB50236—2024 2、《工业金属管道工程施工质量验收法律规范》GB50184—2024 3、《现场设备、工业管道焊接工程施工质量验收法律规范》GB50683—2024 4、《工业金属管道工程施工法律规范》GB50235—2024 5、《机械设备安装工程施工及验收通用法律规范》GB 50231—20246、《涂装前钢材表面锈蚀等级和除锈等级》GB8923—20247、《工业设备及管道绝热工程施工质量验收法律规范》GB50185-20248、《工业设备及管道绝热工程施工及验收法律规范》GB50126—20249、《石油化工设备和管道涂料防腐技术法律规范》SH3022—202...

1、当您付费下载文档后,您只拥有了使用权限,并不意味着购买了版权,文档只能用于自身使用,不得用于其他商业用途(如 [转卖]进行直接盈利或[编辑后售卖]进行间接盈利)。
2、本站所有内容均由合作方或网友上传,本站不对文档的完整性、权威性及其观点立场正确性做任何保证或承诺!文档内容仅供研究参考,付费前请自行鉴别。
3、如文档内容存在违规,或者侵犯商业秘密、侵犯著作权等,请点击“违规举报”。

碎片内容

管道安装方案

您可能关注的文档

确认删除?
VIP
微信客服
  • 扫码咨询
会员Q群
  • 会员专属群点击这里加入QQ群
客服邮箱
回到顶部