电脑桌面
添加小米粒文库到电脑桌面
安装后可以在桌面快捷访问

绩效考核表(材料员)VIP专享

绩效考核表(材料员)_第1页
1/2
绩效考核表(材料员)_第2页
2/2
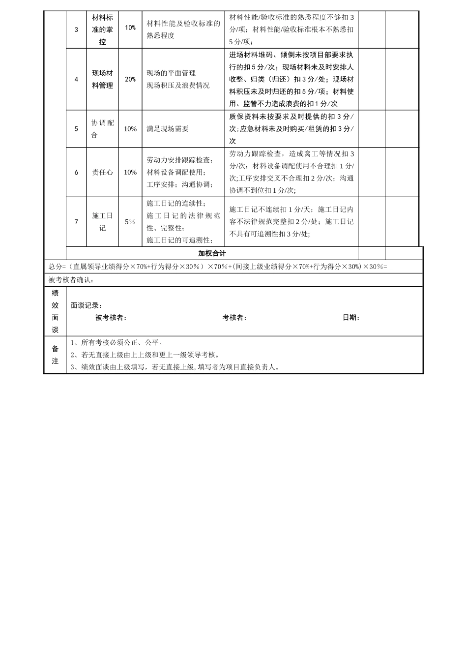
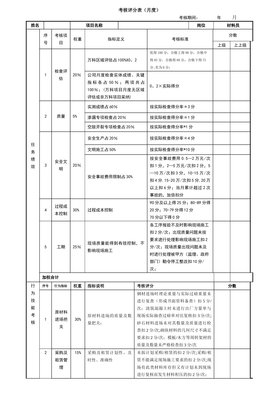
考核评分表(月度)考核期间: 年 月姓名项目名称岗位材料员任务绩效序号考核项目权重指标定义考核标准分数上级上上级1检查评估20%万科区域评估占 100%X0。2优得 100 分;合格上得 90 分;合格中得 85 分,合格得 80 分;合格下得 75分;差为 0 分;公司月度检查实体成绩、关键指 标 各 占 50 % ; 两 项 共 占100%;(万科项目月度无区域评估或非万科项目采纳)0。2×实际得分2质量5%实测成绩占 60%按实际检查得分率*3 分渗漏专项检查占 20%按实际检查得分率*1 分空鼓开裂专项检查占 20%按实际检查得分率*1 分3安全文明20%安全生产占 20%按实际检查得分率*4 分文明施工占 50%按实际检查得分率*10 分安全事故费用限制占 30%按安全事故费用 0.5—2 万元/次扣 1 分,2—5 万元/次扣 2 分,5—10 万/次扣 3 分,10-15 万/次扣 4 分,15-20 万/次扣 5 分,20 万以上扣 6 分;当月累计超过 2 次事故的,加倍扣分4过程成本控制30%过程成本控制90 分及以上得 25 分;80-89 分得20 分;70-79 分得 12 分70 分以下得 0 分5工期25%现场质量能得到有效控制,不影响现场施工各工序报验不及时影响现场施工扣 2 分/次;出现质量问题未按要求进行处理影响现场施工扣 2分/次;现场质量出现问题未及时进行处理被甲方(监理、政府部门)勒令停工整改扣 10 分/次;加权合计行为技能考核序号行为指标权重指标说明考核评分分数1原材料进场把关30%原材料进场的质量及数量把关;钢材进场时理论重量与实际过磅重量未进行复查(形成书面资料备查)扣 5 分/次;浇筑混凝土时未进行出厂方量单与现场实际抽查过磅单对比复核扣 3 分/次;砂石材料进场未对其数量及质量进行检查扣 2 分/次;砌块材料的几何尺寸不满足要求扣 2 分/次;模板/木方等周转架材的质量及数量未严格检查扣 3 分/次2采购及租赁管理15%采购及租赁计划性、及时性、准确性未按计划采购/租赁的扣 2 分/次;采购/租赁不能满足现场施工要求的扣 2 分/次;现场有此类材料库存但又有计划未到现场进行复核而发生材料积压的扣 2 分/次;3材料标准的掌控10%材料性能及验收标准的熟悉程度 材料性能/验收标准的熟悉程度不够扣 3分/项;材料性能/验收标准根本不熟悉扣5 分/项; 4现场材料管理20%现场的平面管理现场积压及浪费情况进场材料堆码、倾倒未按项目部要求执行的扣 5 分/次;现场材料未及时安排人收整、归类(...

1、当您付费下载文档后,您只拥有了使用权限,并不意味着购买了版权,文档只能用于自身使用,不得用于其他商业用途(如 [转卖]进行直接盈利或[编辑后售卖]进行间接盈利)。
2、本站所有内容均由合作方或网友上传,本站不对文档的完整性、权威性及其观点立场正确性做任何保证或承诺!文档内容仅供研究参考,付费前请自行鉴别。
3、如文档内容存在违规,或者侵犯商业秘密、侵犯著作权等,请点击“违规举报”。

碎片内容

绩效考核表(材料员)

确认删除?
VIP
微信客服
  • 扫码咨询
会员Q群
  • 会员专属群点击这里加入QQ群
客服邮箱
回到顶部