电脑桌面
添加小米粒文库到电脑桌面
安装后可以在桌面快捷访问

维修人员绩效考核规定

维修人员绩效考核规定_第1页
1/2
维修人员绩效考核规定_第2页
2/2
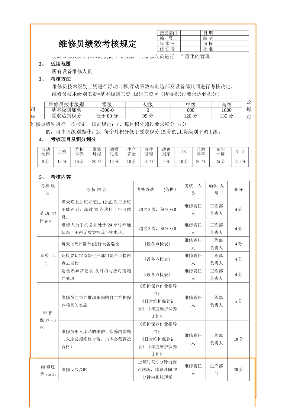
1、目的明确维修人员工作职责,提高工作效率,对维修人员进行一个量化的管理.2、适用范围所有设备维修人员.3、考核方法维修员技术级别工资进行浮动计算,浮动系数有制造部及设备部共同进行考核决定。维修员技术级别工资=基本级别工资+级别工资*(所得积分/要求达到积分) 公司每年对维修员级别进行一次核定。核定规定:1、每月积分超过要求积分 15 分 的,可申请级别提升。2、每个月积分低于要求积分 15 分的,工资级别下调 1 级。4、考核项目及积分划分5、 考核内容 考核 项目考 核 内 容考核方法 (依据)考核 人员确认 人员积分劳 动 纪律 (8 分)当天晚上加班未超过 12 点,次日上班不能迟到;超过 12 点次日上午可休息。超过 3 次,积分为 0维修责任人工程部负责人4 分维修人员手机必须处于 24 小时开通状态,不得无故关机或不接电话。超过 3 次,积分为 0维修责任人工程部负责人4 分巡检(12分)每天(周日除外)进行设备巡检《设备点检表》维修责任人工程部负责人4 分巡检要切实监督生产部门是否点检内容去点检《设备点检表》维修责任人工程部负责人4 分巡检表异常记录,及时填写应对措施并处理《设备点检表》维修责任人工程部负责人4 分维 护保 养(15分)维修员监督并推动车间的自主维护保养项目的实施《维护保养作业指导书》《日常维护保养记录》《年度维护保养计划》维修责任人工程部负责人5 分维修员出入库品的维护、保养的实施(入库必须维修合格,出库必须调试合格)《维护保养作业指导书》《日常维护保养记录》《年度维护保养计划》维修责任人工程部负责人10 分维 修过 程(20 分)维修反应及时上班时间 5 分钟内到达现场,休息时间 15分钟内到达现场维修责任人生产部门20 分接受部门日 期编 号编 制版 本 号审 核修 订 号批 准维修员技术级别零级初级中级高级基本级别加薪-300-006001000要求达到积分低于 80 分95 分120 分135 分劳动纪律点检维护保养维修过程调模过程生产安全备件管理改善提案5S月故障率车间 评价合 计8 分12 分15 分20 分15 分10 分10 分5 分10 分20 分25 分150 分维修员绩效考核规定影响人身安全的维修是否挂牌或有人监护?维修责任人生产部门2 分维修时间、原因、配件、处理故障过程及维修质量的评定《维修申请单》维修责任人工程部负责人8 分故障修复后是否进行后续跟踪(特别是一些影响到工艺的故障)《维修申请单》维修责任人品质4...

1、当您付费下载文档后,您只拥有了使用权限,并不意味着购买了版权,文档只能用于自身使用,不得用于其他商业用途(如 [转卖]进行直接盈利或[编辑后售卖]进行间接盈利)。
2、本站所有内容均由合作方或网友上传,本站不对文档的完整性、权威性及其观点立场正确性做任何保证或承诺!文档内容仅供研究参考,付费前请自行鉴别。
3、如文档内容存在违规,或者侵犯商业秘密、侵犯著作权等,请点击“违规举报”。

碎片内容

维修人员绩效考核规定

您可能关注的文档

确认删除?
VIP
微信客服
  • 扫码咨询
会员Q群
  • 会员专属群点击这里加入QQ群
客服邮箱
回到顶部