电脑桌面
添加小米粒文库到电脑桌面
安装后可以在桌面快捷访问

茶油的等级与质量标准

茶油的等级与质量标准_第1页
1/5
茶油的等级与质量标准_第2页
2/5
茶油的等级与质量标准_第3页
3/5
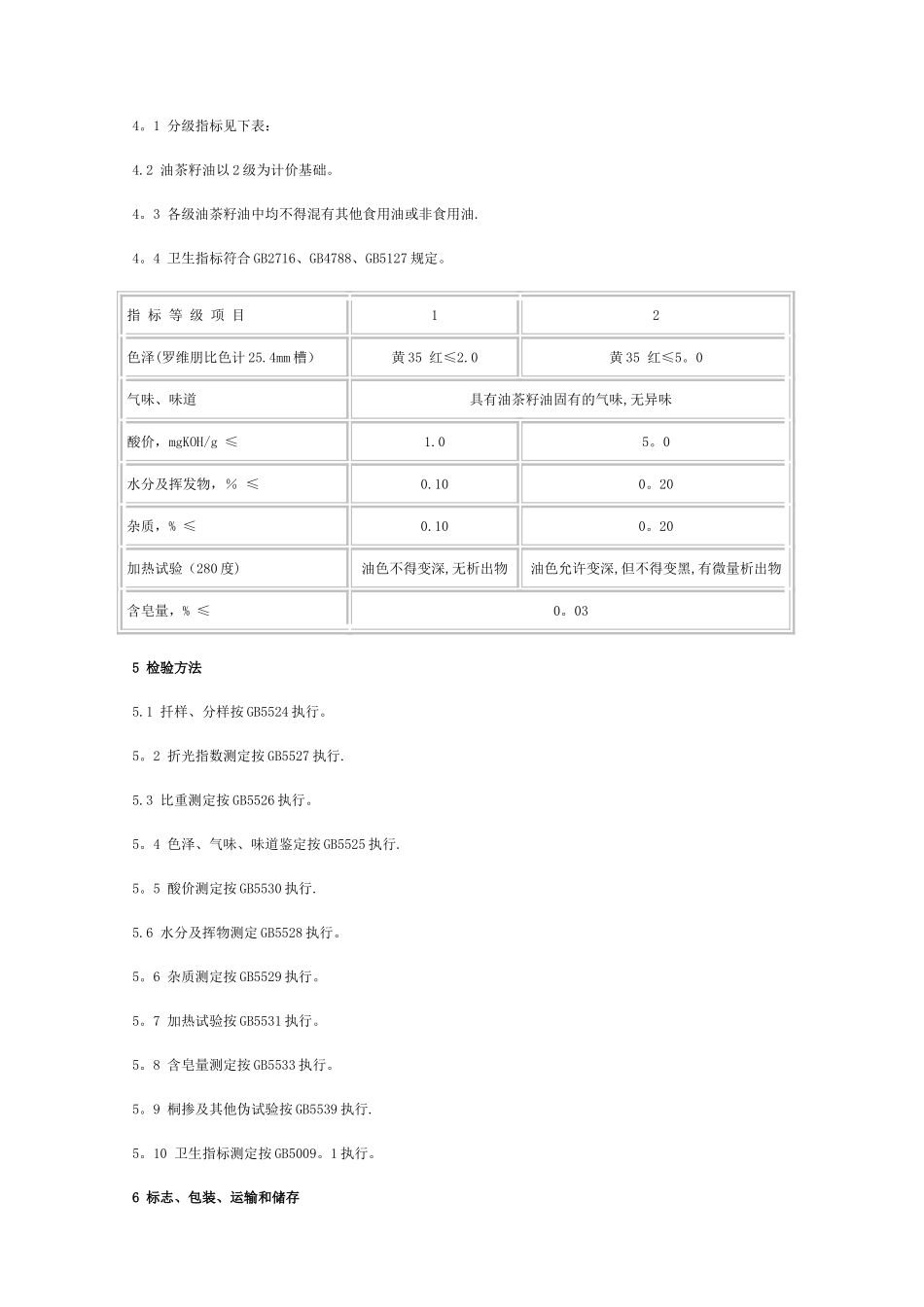
中华人民共和国国家标准油 茶 籽 油 GB11765—89Oil-tea camellia seed oil1 主题内容与适用范围本标准规定了油茶籽油的技术要求、质量指标、检验方法以及标志、包装、运输和储存要求.本标准适用于以油茶籽为原料制成的商品油茶籽油。 2 引用标准 GB2716 食用植物油卫生标准GB4478 食品中甲拌磷、杀螟硫磷、倍硫磷残留量卫生标准GB5127 食品中敌敌畏、乐果、马拉硫磷、对硫磷允许残留量标准GB5524 植物油脂检验 扦样、分样法GB5525 植物油脂检验 透明度、色泽、气味、味道鉴定法GB5526 植物油脂检验 比重测定法GB5527 植物油脂检验 折光指数测定法GB5528 植物油脂检验 水分及挥发物测定法GB5529 植物油脂检验 杂质测定法GB5530 植物油脂检验 酸价测定法GB5531 植物油脂检验 加热试验GB5533 植物油脂检验 含皂量测定法GB5539 植物油脂检验 油脂定性试验GB5009.1 食品卫生检验方法 理化部分阶段总则 3 技术要求 油茶籽油必须具有下列特征:3。1 折光指数(20℃):1。4671~1。4720 3。2 比重(20/4℃):0.9104~0.9205 4 质量指标 4。1 分级指标见下表: 4.2 油茶籽油以 2 级为计价基础。 4。3 各级油茶籽油中均不得混有其他食用油或非食用油. 4。4 卫生指标符合 GB2716、GB4788、GB5127 规定。 指 标 等 级 项 目12色泽(罗维朋比色计 25.4mm 槽)黄 35 红≤2.0黄 35 红≤5。0气味、味道具有油茶籽油固有的气味,无异味酸价,mgKOH/g ≤1.05。0水分及挥发物,% ≤0.100。20杂质,% ≤0.100。20加热试验(280 度)油色不得变深,无析出物油色允许变深,但不得变黑,有微量析出物含皂量,% ≤0。035 检验方法 5.1 扦样、分样按 GB5524 执行。 5。2 折光指数测定按 GB5527 执行. 5.3 比重测定按 GB5526 执行。 5。4 色泽、气味、味道鉴定按 GB5525 执行. 5。5 酸价测定按 GB5530 执行. 5.6 水分及挥物测定 GB5528 执行。 5。6 杂质测定按 GB5529 执行。 5。7 加热试验按 GB5531 执行。 5。8 含皂量测定按 GB5533 执行。 5。9 桐掺及其他伪试验按 GB5539 执行. 5。10 卫生指标测定按 GB5009。1 执行。 6 标志、包装、运输和储存 6。1 标志使用标准油桶应有明显的标志,注明品名、等级、毛重、净重、出厂日期。 使用小包装就有标签,标明品名、等级、重量、厂名、批号、生产日期和标准代号. 6。2 包装 油茶籽油的包装分为大包装和...

1、当您付费下载文档后,您只拥有了使用权限,并不意味着购买了版权,文档只能用于自身使用,不得用于其他商业用途(如 [转卖]进行直接盈利或[编辑后售卖]进行间接盈利)。
2、本站所有内容均由合作方或网友上传,本站不对文档的完整性、权威性及其观点立场正确性做任何保证或承诺!文档内容仅供研究参考,付费前请自行鉴别。
3、如文档内容存在违规,或者侵犯商业秘密、侵犯著作权等,请点击“违规举报”。

碎片内容

茶油的等级与质量标准

确认删除?
VIP
微信客服
  • 扫码咨询
会员Q群
  • 会员专属群点击这里加入QQ群
客服邮箱
回到顶部