电脑桌面
添加小米粒文库到电脑桌面
安装后可以在桌面快捷访问

落地式卸料平台施工方案(别墅)

落地式卸料平台施工方案(别墅)_第1页
1/11
落地式卸料平台施工方案(别墅)_第2页
2/11
落地式卸料平台施工方案(别墅)_第3页
3/11
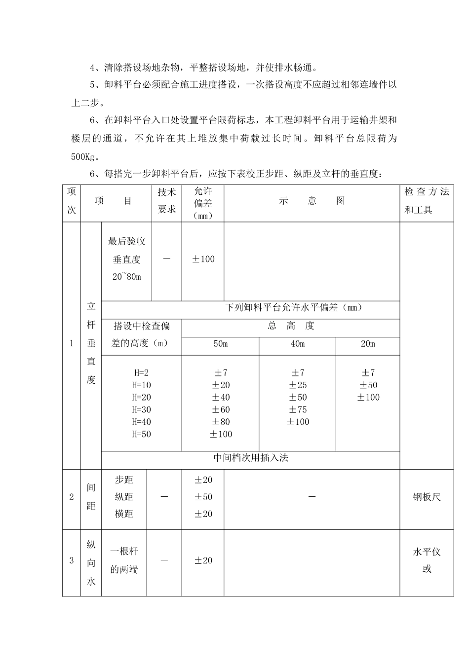
落地式卸料平台扣件钢管支撑架施工方案一、工程概况1。1 工程名称:丽都汇-嘉登花园.1。2 工程地址:上海市青浦区徐泾镇宅东村,东、北至沪青平公路,西至高泾路,南至西效华城.1。3 建设单位:上海嘉登置业有限公司。1。4 建筑面积、层数及层高:本工程由 16 栋小别墅及配套设施组成,结构型式为框架结构,建筑面积约为 9377。35m2。1。5 建筑功能:别墅住宅楼。1.6 本施工方案适用范围:仅适用于丽都汇-嘉登花园(小别墅).2 设计概述定位:±0。000 相当于绝对标高 6。300 米,室内外高差为 450。二、落地式平台施工方案1、基本要求⑴、材料:a、采纳 φ48×3.5 钢管,其质量应符合现行国家标准(GB/T3091-2001)中 Q235—A 级钢的规定.b、扣件采纳机械性能不低于 KTH330—08 的铸铁制造.铸件不得有裂纹、气孔,不宜有缩松、砂眼。毛刺、氧化脱皮等应立即清除洁净。c、脚手板采纳竹脚手板。⑵、地基土方分层回填夯实、整平、土的压实系数为 0。9,承载力为fgk=135KPa;或采纳浇 C20 砼 300mm 厚作硬化处理.⑶、立杆立杆构造应符合下列要求:①、每杆立杆底部应设置底座和垫板;②、卸料平台必须设置纵横向扫地杆。纵向扫地杆应采纳直角扣件固定在底座上皮不大于 200mm 处的立杆上,横向扫地杆亦应采纳直角扣件固定在紧靠纵向扫地杆下方的立杆上。③、卸料平台底层步距不应大于 2m 。④、立杆接长必须采纳对接扣件连接。⑷、连墙件①、连墙件按每层设置间距为 3m 应布置靠近主节点,偏离主节点的距离不应大于 300mm;②、应从底层第一步纵向水平处开始设置,当该处设置有困难时,应采纳其他可靠措施固定;③、连墙件不应与外脚手架垂直运输机械相碰。卸料平台采纳钢管与梁或预埋在砼楼板的短钢管连接加双扣件。也可采纳与柱子用钢管和扣件锁紧。⑸、水平杆水平杆宜设置在立杆内侧,不宜接长;纵向水平杆格栅间距为 300mm;横向水平杆间距为 1000mm。横向水平杆通过双扣件与立杆连接。⑹、剪刀撑①、剪刀撑斜杆与地面的倾角为 600。②、剪刀撑斜杆应用旋转扣件固定在与之相交的横向水平杆的伸出端或立杆上,旋转扣件中心线至主节点的距离不宜大于 150mm。③、剪刀撑斜杆的搭接长度应大于 1m,应等间距设置 3 个旋转扣件固定,端部扣件盖板边缘至搭接纵向水平杆端的距离不应小于 100mm.⑺、作业层作业层必须满铺脚手板。作业层的栏杆和挡脚板的搭设应符合下列规定:①、栏杆和挡脚板均应搭设在外立杆的内侧;②、上...

1、当您付费下载文档后,您只拥有了使用权限,并不意味着购买了版权,文档只能用于自身使用,不得用于其他商业用途(如 [转卖]进行直接盈利或[编辑后售卖]进行间接盈利)。
2、本站所有内容均由合作方或网友上传,本站不对文档的完整性、权威性及其观点立场正确性做任何保证或承诺!文档内容仅供研究参考,付费前请自行鉴别。
3、如文档内容存在违规,或者侵犯商业秘密、侵犯著作权等,请点击“违规举报”。

碎片内容

落地式卸料平台施工方案(别墅)

您可能关注的文档

确认删除?
VIP
微信客服
  • 扫码咨询
会员Q群
  • 会员专属群点击这里加入QQ群
客服邮箱
回到顶部