电脑桌面
添加小米粒文库到电脑桌面
安装后可以在桌面快捷访问

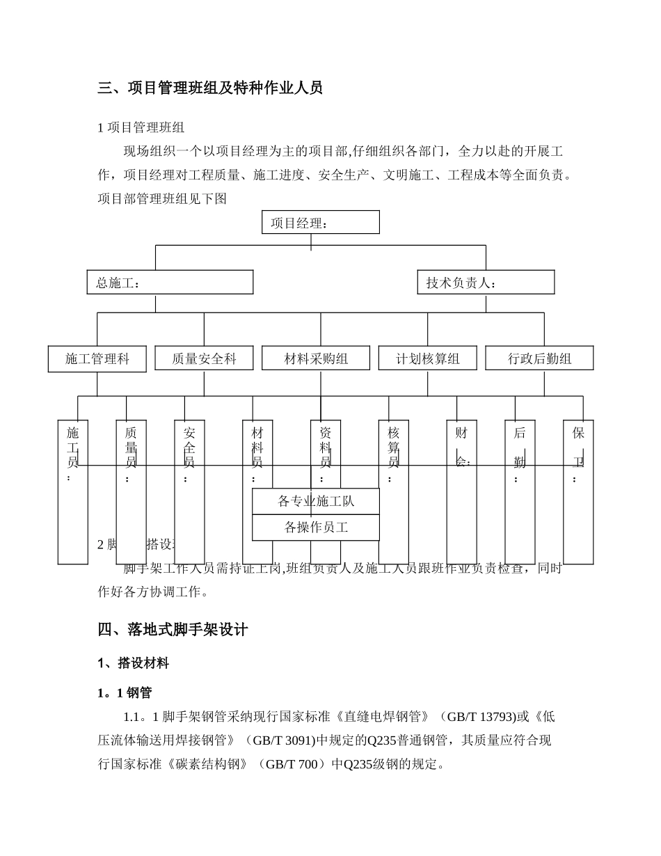
落地式脚手架专项施工方案(参考范本)

落地式脚手架专项施工方案(参考范本)_第1页
1/20
落地式脚手架专项施工方案(参考范本)_第2页
2/20
落地式脚手架专项施工方案(参考范本)_第3页
3/20
目 录一、工程概况----------------------------------------------------------------------------------— 2 -二、编制依据 ---------------------------------------------------------------------------------------- 2 三、项目管理班组及特种作业人员 ------------------------------------------------------------- 3 四、落地式脚手架设计 ---------------------------------------------------------------------------- 3 1 、搭设材料 ------------------------------------------------------------------------------------ 3 2 、搭设参数 ------------------------------------------------------------------------------------ 5 3 、构造措施 ------------------------------------------------------------------------------------ 5 4 、搭设及拆除工艺 -------------------------------------------------------------------------- 10 五、脚手架施工要求 ----------------------------------------------------------------------------- 12 1 、施工准备 ----------------------------------------------------------------------------------- 12 2 、地基与基础 -------------------------------------------------------------------------------- 12 3 、搭设要求 ----------------------------------------------------------------------------------- 12 4 、拆除要求 ----------------------------------------------------------------------------------- 14 六、脚手架的检查与验收要求 ----------------------------------------------------------------- 15 1 、构配件的检查和验收 -------------------------------------------------------------------- 15 2 、脚手架检查与验收 ----------------------------------------------------------------------- 16 七、安全管理措施 -------------------------------------------------------------------------------- 17 八、应急措施 -------------------------------------------------------------------------------------- 18 1 、应急人员组织 ----------------------------------------------------------------------------- 18 2 、应急物资准备 ---------------------...

1、当您付费下载文档后,您只拥有了使用权限,并不意味着购买了版权,文档只能用于自身使用,不得用于其他商业用途(如 [转卖]进行直接盈利或[编辑后售卖]进行间接盈利)。
2、本站所有内容均由合作方或网友上传,本站不对文档的完整性、权威性及其观点立场正确性做任何保证或承诺!文档内容仅供研究参考,付费前请自行鉴别。
3、如文档内容存在违规,或者侵犯商业秘密、侵犯著作权等,请点击“违规举报”。

碎片内容

落地式脚手架专项施工方案(参考范本)

您可能关注的文档

确认删除?
VIP
微信客服
  • 扫码咨询
会员Q群
  • 会员专属群点击这里加入QQ群
客服邮箱
回到顶部