电脑桌面
添加小米粒文库到电脑桌面
安装后可以在桌面快捷访问

表面粗糙度检测方法

表面粗糙度检测方法_第1页
1/2
表面粗糙度检测方法_第2页
2/2
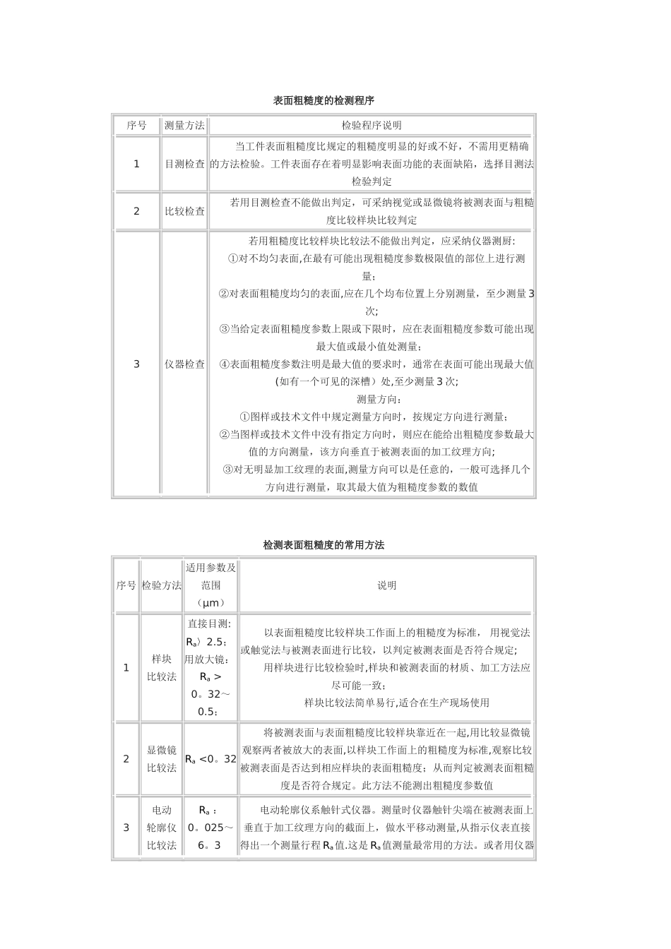
表面粗糙度的检测程序 序号测量方法检验程序说明1目测检查 当工件表面粗糙度比规定的粗糙度明显的好或不好,不需用更精确 的方法检验。工件表面存在着明显影响表面功能的表面缺陷,选择目测法检验判定2比较检查 若用目测检查不能做出判定,可采纳视觉或显微镜将被测表面与粗糙度比较样块比较判定3仪器检查 若用粗糙度比较样块比较法不能做出判定,应采纳仪器测厨: ①对不均匀表面,在最有可能出现粗糙度参数极限值的部位上进行测量; ②对表面粗糙度均匀的表面,应在几个均布位置上分别测量,至少测量 3次; ③当给定表面粗糙度参数上限或下限时,应在表面粗糙度参数可能出现最大值或最小值处测量; ④表面粗糙度参数注明是最大值的要求时,通常在表面可能出现最大值(如有一个可见的深槽)处,至少测量 3 次; 测量方向: ①图样或技术文件中规定测量方向时,按规定方向进行测量; ②当图样或技术文件中没有指定方向时,则应在能给出粗糙度参数最大值的方向测量,该方向垂直于被测表面的加工纹理方向; ③对无明显加工纹理的表面,测量方向可以是任意的,一般可选择几个方向进行测量,取其最大值为粗糙度参数的数值 检测表面粗糙度的常用方法 序号 检验方法适用参数及范围(μm)说明1样块比较法直接目测: Ra〉2.5; 用放大镜: Ra >0。32~0.5; 以表面粗糙度比较样块工作面上的粗糙度为标准, 用视觉法或触觉法与被测表面进行比较,以判定被测表面是否符合规定; 用样块进行比较检验时,样块和被测表面的材质、加工方法应尽可能一致; 样块比较法简单易行,适合在生产现场使用2显微镜比较法Ra <0。32 将被测表面与表面粗糙度比较样块靠近在一起,用比较显微镜观察两者被放大的表面,以样块工作面上的粗糙度为标准,观察比较被测表面是否达到相应样块的表面粗糙度;从而判定被测表面粗糙度是否符合规定。此方法不能测出粗糙度参数值3电动轮廓仪比较法Ra :0。025~6。3 电动轮廓仪系触针式仪器。测量时仪器触针尖端在被测表面上垂直于加工纹理方向的截面上,做水平移动测量,从指示仪表直接得出一个测量行程 Ra值.这是 Ra值测量最常用的方法。或者用仪器Rz:0.1~25的记录装置,描绘粗糙度轮廓曲线的放大图,再计算 Ra或 Rz值.此类仪器适用在计量室。但便携式电动轮廓仪可在生产现场使用4光切显微镜测量法Rz:0.8~100 光切显微镜(双管显微镜)是利用光切原理测量表面粗糙度的方法。从目镜观察表面粗糙度轮廓图像,用测微装置...

1、当您付费下载文档后,您只拥有了使用权限,并不意味着购买了版权,文档只能用于自身使用,不得用于其他商业用途(如 [转卖]进行直接盈利或[编辑后售卖]进行间接盈利)。
2、本站所有内容均由合作方或网友上传,本站不对文档的完整性、权威性及其观点立场正确性做任何保证或承诺!文档内容仅供研究参考,付费前请自行鉴别。
3、如文档内容存在违规,或者侵犯商业秘密、侵犯著作权等,请点击“违规举报”。

碎片内容

表面粗糙度检测方法

雏圣文化+ 关注
实名认证
内容提供者

欢迎光临,大量办公文档供您挑选。

相关文档

确认删除?
VIP
微信客服
  • 扫码咨询
会员Q群
  • 会员专属群点击这里加入QQ群
客服邮箱
回到顶部