电脑桌面
添加小米粒文库到电脑桌面
安装后可以在桌面快捷访问

计算机机房工程验收一般程序

计算机机房工程验收一般程序_第1页
1/8
计算机机房工程验收一般程序_第2页
2/8
计算机机房工程验收一般程序_第3页
3/8
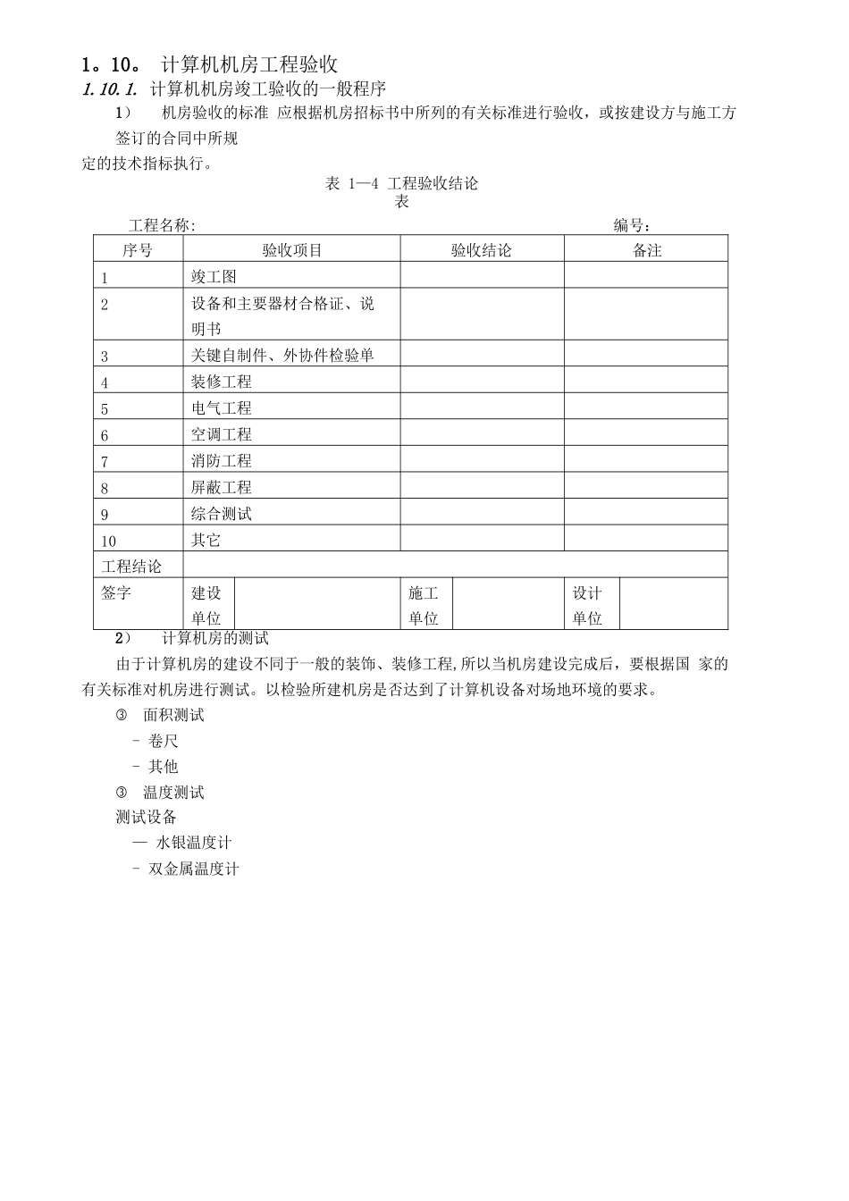
1。10。 计算机机房工程验收1.10.1. 计算机机房竣工验收的一般程序1)机房验收的标准 应根据机房招标书中所列的有关标准进行验收,或按建设方与施工方签订的合同中所规定的技术指标执行。表 1—4 工程验收结论表工程名称:编号:序号验收项目验收结论备注1竣工图2设备和主要器材合格证、说 明书3关键自制件、外协件检验单4装修工程5电气工程6空调工程7消防工程8屏蔽工程9综合测试10其它工程结论签字建设 单位施工 单位设计 单位2)计算机房的测试由于计算机房的建设不同于一般的装饰、装修工程,所以当机房建设完成后,要根据国 家的有关标准对机房进行测试。以检验所建机房是否达到了计算机设备对场地环境的要求。面积测试- 卷尺- 其他温度测试测试设备— 水银温度计- 双金属温度计- 电子温度计— 其他测试方法— 开机时的测试应在计算机设备正常运行 1h 以后进行;— 测点选择高度应离地面 0.8m,距设备周围 0。8m 以外处,并应避开出、回风口处;— 停机时温度的测试方法与上述 2 点相同。湿度测试测试设备— 普通干湿球温度计- 通风干湿球温度计(通风干湿表)— 电阻湿度计- 自动毛发湿度计- 电子湿度计- 其他测试方法- 按所选仪器的说明书进行测试。尘埃测试测试设备-尘埃粒子计数器;- 其他测试方法- 计算机场地竣工测试应对房间及空调系统进行彻底清扫,并应在空调系统正常运行24h 以后进行;- 对粒径大于或等于 0.5μm 的尘粒计数, 宜采纳光散射粒子计数法。— 采样注意事项:采样管必须洁净,连接处严禁渗漏;管的长度应根据仪器允许长度, 当无规定时不宜大于 1.5m;测试人员应在采样口的下风侧;照度测试测试设备— 照度计- 其他测试方法- 在房间内距墙面 1m(小面积房间为 0.5m),距地面为 0。8m 的假定工作面上进行测 试;或在实际工作台面上进行测试;- 测试点选择 3~5 点,大面积房间可多选几点进行测试。噪声测试测试设备— 普通声级计测试方法1—19- 电子计算机系统停机时在主机房中心处进行测量。电磁 场干扰环境场强的测试 a.无线电干扰环境场强的测试 测试设备— 干扰场测量仪— 其他。测试方法- 在计算机机房内任一点测试,取最大值应符合 4。3.5。1 的要求。b.磁场干扰环境场强的测试测试设备— 交直流高斯计;- 其他。接地电阻测试测试设备- 接地电阻测量仪- 其他。测试方法— 按选用仪器的要求进行测试。电压、频率测试测试设备...

1、当您付费下载文档后,您只拥有了使用权限,并不意味着购买了版权,文档只能用于自身使用,不得用于其他商业用途(如 [转卖]进行直接盈利或[编辑后售卖]进行间接盈利)。
2、本站所有内容均由合作方或网友上传,本站不对文档的完整性、权威性及其观点立场正确性做任何保证或承诺!文档内容仅供研究参考,付费前请自行鉴别。
3、如文档内容存在违规,或者侵犯商业秘密、侵犯著作权等,请点击“违规举报”。

碎片内容

计算机机房工程验收一般程序

确认删除?
VIP
微信客服
  • 扫码咨询
会员Q群
  • 会员专属群点击这里加入QQ群
客服邮箱
回到顶部