电脑桌面
添加小米粒文库到电脑桌面
安装后可以在桌面快捷访问

10kV电力贯通线工程施工组织设计方案

10kV电力贯通线工程施工组织设计方案_第1页
1/12
10kV电力贯通线工程施工组织设计方案_第2页
2/12
10kV电力贯通线工程施工组织设计方案_第3页
3/12
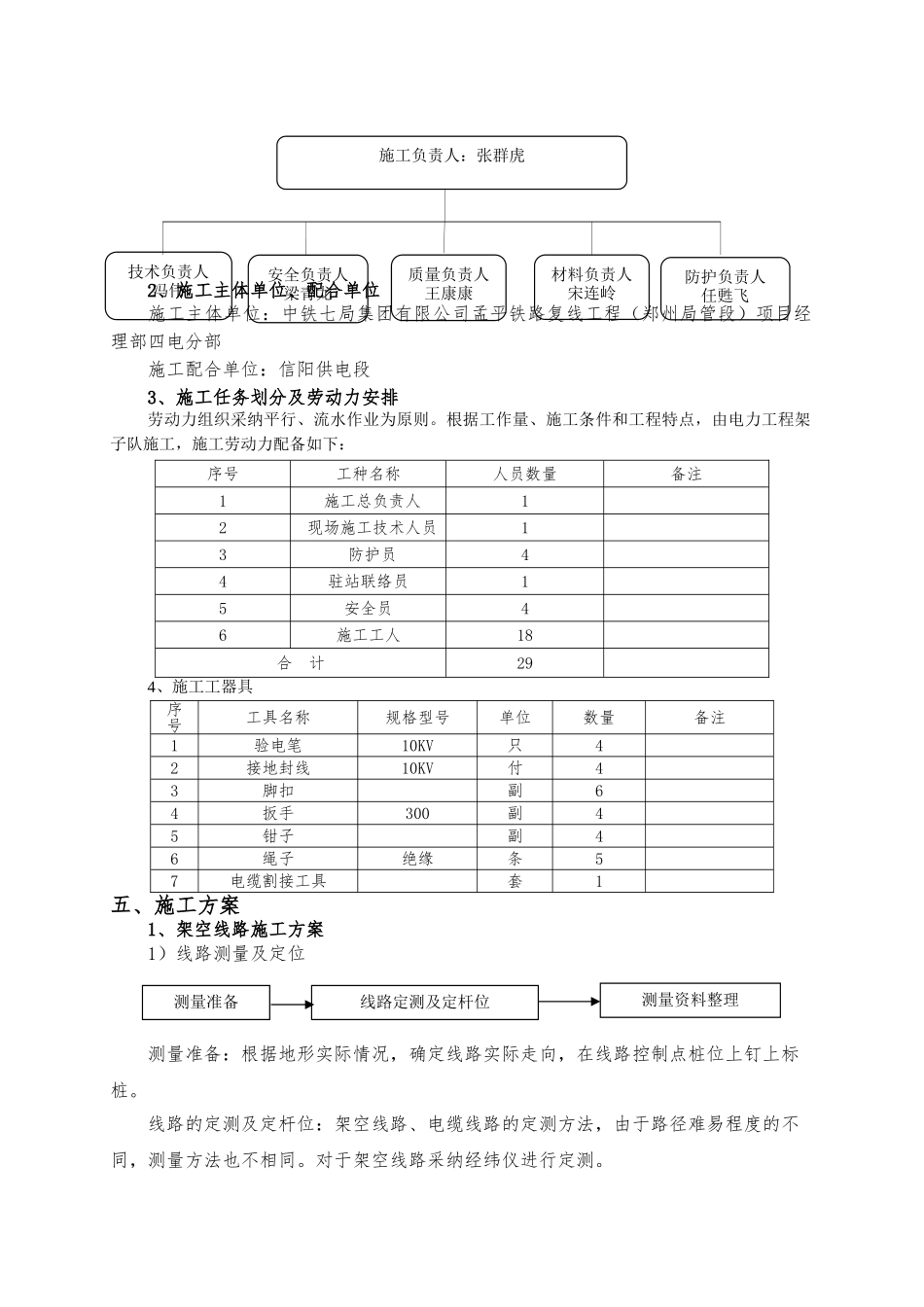
改建铁路孟平线孟庙至平顶山西段增建第二线工程电力工程施工方案编 制: 审 核: 批 准: 中铁七局集团有限公司孟平铁路复线工程(郑州局管段)项目经理部四电分部2015 年 8 月 25 日一、编制依据1、孟平铁路孟庙至平顶山西段增建第二线工程(郑州局管段)施工总价承包招标文件、施工图、指导性施工组织设计等。2、国家、中国铁路总公司、铁路局颁发的有关铁路工程施工的现行有效法规、法律规范、标准、各种相关的标准图集等。3、我方自行踏勘本标段现场及调查周边环境所获得的资料。4、《铁路工程施工组织指南》铁建设(2024)226 号文。5、《铁路工程施工安全技术规程》(上册 TB10401.1—2024、下册 TB10401.2—2024)6、原铁道部《铁路营业线施工安全管理办法》(铁运[2024]280 号)7、《郑州铁路局铁路营业线施工安全管理实施细则》(郑铁办[2024]50 号)8、《铁路安全管理条例》、《铁路技术管理规程》和新发布的总工公司的《铁路营业线安全管理补充办法》。9、《铁道部关于印发〈电气化铁路有关人员电气安全规则〉的通知》(铁运〔2024〕60 号)10、《铁路电力工程施工技术指南》(TZ207-2024)11、《铁路电力工程施工质量验收标准》(TB10420-2024)我方拥有的科学技术成果、机械设备装备情况、施工技术与管理水平以及多年来在铁路工程实践中积累的施工、科研及管理经验。二、编制原则1、坚持“安全、快速、优质”的原则。2、坚持“行车不施工、施工不行车”的原则。3、确保正点开通, 将施工对运输的干扰降到最小。4、遵守铁道部及武汉铁路局现行各种施工法律规范、规则及有关规章制度。5、以不需要停电的先组织施工,需要停电的后组织施工为指导,以减少停电时间 ,确保行车安全,保证运输任务,减少对行车的施工干扰为原则,编制本次施工方案。三、工程施工概况孟庙至平顶山西铁路位于河南省中南部,东起漯河市,自京广铁路孟庙站引出,向西经裴城,进入许昌市襄城县境内,经姜庄、丁营、前聂后进入平顶山市,经平顶山至宝丰县,接焦柳线平顶山西站,既有线路全长 99.325Km,是河南省中南部地区重要的煤运通道。本次电力工程包含对孟庙至平顶山西段增加 10kV 电力贯穿线,另对既有 10kV 电力自闭线路在宝丰配电所附近进行改造。主要工程数量有:孟平线 10kV 电力贯穿线工程主要工程量有:10kV 电力贯穿线架空线路 3.47km,电杆组立及金具安装 49 个,隔离开关杆安装 3 个;10kV 高压电力电缆线路 0.67km...

1、当您付费下载文档后,您只拥有了使用权限,并不意味着购买了版权,文档只能用于自身使用,不得用于其他商业用途(如 [转卖]进行直接盈利或[编辑后售卖]进行间接盈利)。
2、本站所有内容均由合作方或网友上传,本站不对文档的完整性、权威性及其观点立场正确性做任何保证或承诺!文档内容仅供研究参考,付费前请自行鉴别。
3、如文档内容存在违规,或者侵犯商业秘密、侵犯著作权等,请点击“违规举报”。

碎片内容

10kV电力贯通线工程施工组织设计方案

确认删除?
VIP
微信客服
  • 扫码咨询
会员Q群
  • 会员专属群点击这里加入QQ群
客服邮箱
回到顶部