电脑桌面
添加小米粒文库到电脑桌面
安装后可以在桌面快捷访问

2024年企业安全生产标准化自评报告表格模板

2024年企业安全生产标准化自评报告表格模板_第1页
1/13
2024年企业安全生产标准化自评报告表格模板_第2页
2/13
2024年企业安全生产标准化自评报告表格模板_第3页
3/13
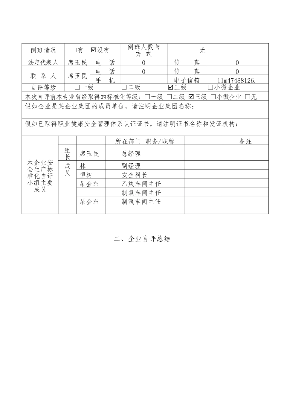
附件1企 业 安 全 生 产 标 准 化 自 评 报 告企业名称: 林西县健源气体 ## 公司 所属行业: 危险化学品 专业:氧气、氩气 乙炔生产 自评得分: 81.23 自评等级: 三级 自评日期: 2024 年 2 月 15 日 是否在企业部公示:是 □否是否申请评审: 是 □否国家安全生产监督管理总局制一、基本情况表企业名称林西县健源气体##公司地 址林西县林西镇常胜村企业性质□国有 □集体 □民营 私营 □合资 □独资 □其它安全管理机构林西县安全生产监督管理局员工总数20 人 专职安全管理人员1 人特种作业人 员 4 人固定资产150 万元主营业务收入365 万元倒班情况有 没有倒班人数与 方 式无法定代表人席玉民电 话0传 真0联 系 人席玉民电 话0传 真0手 机电子信箱llm47488126.自评等级□一级 □二级 三级 □小微企业本次自评前本专业曾经取得的标准化等级:□一级 □二级 三级 □小微企业 □无假如企业是某企业集团的成员单位,请注明企业集团名称:假如已取得职业健康安全管理体系认证证书,请注明证书名称和发证机构:本企业安全生产标准化自评小组主要成员所在部门 职务/职称备注组长席玉民总经理成员林副经理恒树 安全科长杲金东 乙炔车间主任 制氧车间主任杲金东制氩车间主任二、企业自评总结1.企业概况 林西县健源气体##公司成立于 2024 年,位于林西县林西镇常胜三村303 省道北侧, 总占地面积 24000 多平方米。公司属于危险化学品行业,主要负责人为席玉民,现有职工 20 人,其中主要负责人 1 人,安全管理人员 1人。公司成立安全生产管理机构,安全工作领导小组,并且应急救援预案已备案。经营围:氧气、氩气、乙炔的生产与销售。氧气、氩气生产充装分别 10 万瓶/年,乙炔现有生产能力 10 万瓶/年,乙炔气生产属于小型生产企业。2.近三年企业安全生产事故和职业病的发生情况 近三年未发生重伤、死亡或其他重大安全生产事故,也未发生职业病病例和疑似病例。3.企业安全生产标准化创建过程与取得成效公司成立了自评小组,根据评定标准对企业基础管理资料、设备设施和生产现场等多个要素的综合自评。 在评审单位的指导下不断的进行对标整改,公司的安全生产标准化意识得到显著提高,规化的安全管理得到进一步落实。三、评审申请表1.企业是否同意遵守评审要求,并能提供评审所必需的真实信息?是 □否2.企业在提交申请书时,应附以下文件资料:◇安...

1、当您付费下载文档后,您只拥有了使用权限,并不意味着购买了版权,文档只能用于自身使用,不得用于其他商业用途(如 [转卖]进行直接盈利或[编辑后售卖]进行间接盈利)。
2、本站所有内容均由合作方或网友上传,本站不对文档的完整性、权威性及其观点立场正确性做任何保证或承诺!文档内容仅供研究参考,付费前请自行鉴别。
3、如文档内容存在违规,或者侵犯商业秘密、侵犯著作权等,请点击“违规举报”。

碎片内容

2024年企业安全生产标准化自评报告表格模板

您可能关注的文档

确认删除?
VIP
微信客服
  • 扫码咨询
会员Q群
  • 会员专属群点击这里加入QQ群
客服邮箱
回到顶部