电脑桌面
添加小米粒文库到电脑桌面
安装后可以在桌面快捷访问

qc小组活动记录文本

qc小组活动记录文本_第1页
1/8
qc小组活动记录文本_第2页
2/8
qc小组活动记录文本_第3页
3/8
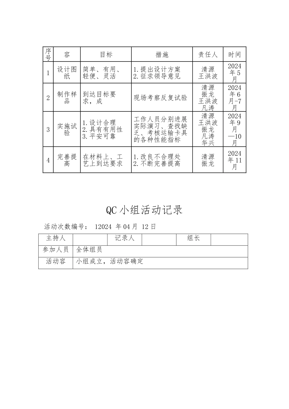
QC 小组活动方案课题 名 称: 更换立瓶绝缘隔板 课题登记号:小组 名 称:配电带电检修班 QC 小 组小组注册号:090902小组 类 型:现场型单 位:xxxxxxxxxxxx部 门:xxxxxxxxx说 明一、QC 小组活动记录本是 QC 小组的原始记录和成果〔材料〕评审的依据,请注意保存。二、QC 小组在开展活动过程中应如实、按时做好记录。三、有关证明材料,补充材料可作附件。目标:为防止设备损坏,保证作业平安,减少操作步骤,减轻劳动强度完成时间:2011-11- 30 活动次数:2 次 小组概况性别文化程度职务组分工QC 培训情况男高中组长总负责18 学时男组员效果巩固18 学时男本科组员效果检查18 学时男大学组员策略实施18 学时活动计划和实际进度表根据小组人员的工作特长,进展了详细的分工,分头解决各个问题,并制定出计划和实际进度表。QC 小组活动记录活动次数编号: 12024 年 04 月 12 日主持人记录人组长参加人员全体组员活动容小组成立,活动容确定序号容目标措施责任人时间1设计图纸简单、有用、轻便、灵活1.提出设计方案2.征求领导意见清源王洪波2024年 5月2制作样品到达目标要求,成现场考察反复试验清源振龙王洪波凡涛2024年 6月-7月3实施试验1.设计合理2.具有有用性3.平安可靠工作人员分别进展实际演习、查找缺乏、考核运输卡具的各种性能指标清源王洪波振龙凡涛华兴2024年 9月 —10月4完善提高在材料上、工艺上到达要求1.改良不合理处2.不断完善提高清源振龙2024年 11月活动记录:正式组建本次 QC 活动小组,确定小组组长和小组成员。同时完成了课题选定工作和拟定活动计划工作。活动小结: 本次活动确立了小组成员和小组活动方向,并很好地发动了大家的参加热情。活动次数编号: 2 2024 年 04 月 13 日主持人记录人组长参加人员全体组员活动容现状、可行性调研活动记录: 共完成了 5 次基层调研,具体容见附件 5。活动小结: 掌握了详实的第一手材料和问题,为日后进展原因分析和对策制定提供了必要地前提条件。活动次数编号:32024 年 9 月 13 日主持人记录人组长参加人员全体组员活动容原因分析,工具改良本次小组活动以会议形式,根据前期调研所得的诸多第一手材料,对改良目标设定,原因分析,主要原因确定,对策制定等主要议题进展了深化的研讨分析,并提出解决方案。活动小结: 找出了问题关键:平安问题突出的原因是现有工具适合单位工作方式。活动次数编号:42024 年 9 月...

1、当您付费下载文档后,您只拥有了使用权限,并不意味着购买了版权,文档只能用于自身使用,不得用于其他商业用途(如 [转卖]进行直接盈利或[编辑后售卖]进行间接盈利)。
2、本站所有内容均由合作方或网友上传,本站不对文档的完整性、权威性及其观点立场正确性做任何保证或承诺!文档内容仅供研究参考,付费前请自行鉴别。
3、如文档内容存在违规,或者侵犯商业秘密、侵犯著作权等,请点击“违规举报”。

碎片内容

qc小组活动记录文本

您可能关注的文档

确认删除?
VIP
微信客服
  • 扫码咨询
会员Q群
  • 会员专属群点击这里加入QQ群
客服邮箱
回到顶部