电脑桌面
添加小米粒文库到电脑桌面
安装后可以在桌面快捷访问

产品撤回和召回程序模拟报告

产品撤回和召回程序模拟报告_第1页
1/5
产品撤回和召回程序模拟报告_第2页
2/5
产品撤回和召回程序模拟报告_第3页
3/5
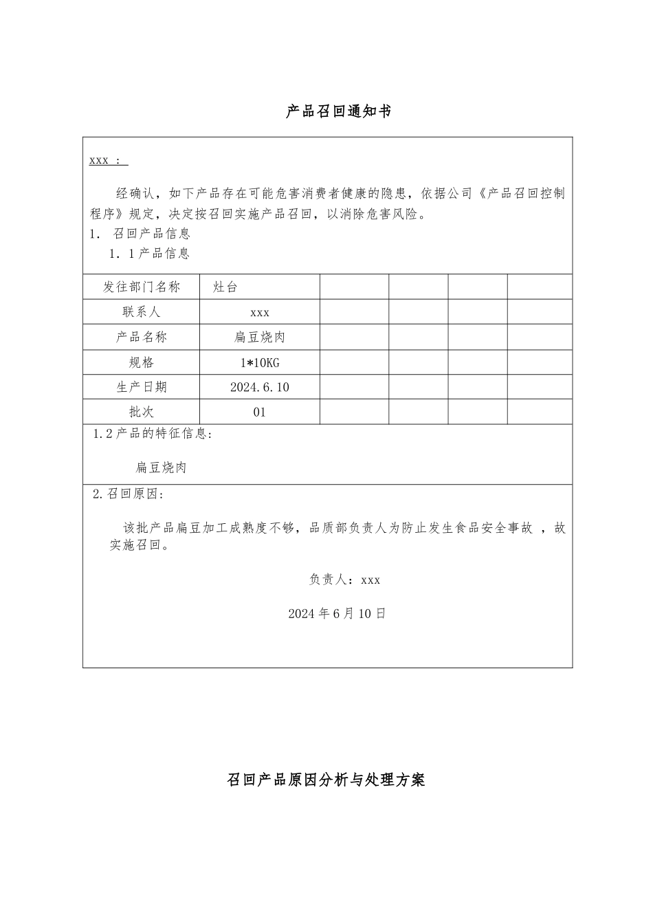
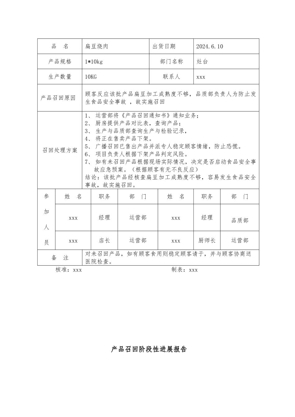
产品撤回程序模拟报告1. 时间:2024/6/102. 参加人员: 3. 模拟流程:3.1. 说明:本模拟事先只有品质部主管一人准备相关信息和安排个别特别人员,其余人员均为临时性通知,以证实模拟的有效性。3.2. 模拟时限记录见下表:4.结论:通过模拟这些数据均提供并能够在 24 小时通知到末端消费者,并给召回步骤召回时间限制自查发现或接到消费者反映产品有安全问题品质部主管召集 HACCP 小组成员开评审会(化验室负责对同批次产品库存品进行调查)品质部按决议开立《产品召回通知表》转至运营部相关项目负责人。项目负责人通知服务人员停售正在售卖的产品并召回已售卖产品加以封存有关产品。由服务人员协助将销售中和销售出的产品召回。将产品运回厨房。将产品封存。6/10 上午 8:10 品质部主管发出模拟召回指令6/10 上午 9:25HACCP 小组人员全部到达会议室;10:06 会议结束,品质部于 10:10 将《产品召回通知表》转运营部10:12 运营部将此通知发送至相关项目负责人。10:20 项目负责人收到运营部的反馈信息,见附件《产品撤回和召回信息回馈》10:30 项目负责人开始着手产品的召回工作,根据事件大小决定是否启动食品安全事故应急预案。予召回,所以此产品召回系统有效。5.附件:5.1.产品召回通知表5.2.召回产品原因分析与处理方案5.3.产品召回阶段5.4.产品召回阶段性进展报告 产品召回总结报告 记录:xxx 2024/6/10产品召回通知书xxx : 经确认,如下产品存在可能危害消费者健康的隐患,依据公司《产品召回控制程序》规定,决定按召回实施产品召回,以消除危害风险。1. 召回产品信息1.1 产品信息发往部门名称 灶台联系人xxx产品名称扁豆烧肉规格1*10KG生产日期2024.6.10批次011.2 产品的特征信息:扁豆烧肉2.召回原因: 该批产品扁豆加工成熟度不够,品质部负责人为防止发生食品安全事故 ,故实施召回。 负责人:xxx2024 年 6 月 10 日召回产品原因分析与处理方案品 名扁豆烧肉出货日期2024.6.10产品规格1*10kg部门名称灶台生产数量10KG联系人xxx产品召回原因顾客反应该批产品扁豆加工成熟度不够,品质部负责人为防止发生食品安全事故 ,故实施召回召回处理方案1、 运营部将《产品召回通知书》通知业务;2、 厨房提供产品对比表,查询产品;3、 生产与品质部查询生产与检验记录,4、 将正在售卖产品下架。5、 广播召回已售出产品并派专人稳定顾客情绪,防止恐慌。6、 项目负责人根...

1、当您付费下载文档后,您只拥有了使用权限,并不意味着购买了版权,文档只能用于自身使用,不得用于其他商业用途(如 [转卖]进行直接盈利或[编辑后售卖]进行间接盈利)。
2、本站所有内容均由合作方或网友上传,本站不对文档的完整性、权威性及其观点立场正确性做任何保证或承诺!文档内容仅供研究参考,付费前请自行鉴别。
3、如文档内容存在违规,或者侵犯商业秘密、侵犯著作权等,请点击“违规举报”。

碎片内容

产品撤回和召回程序模拟报告

您可能关注的文档

确认删除?
VIP
微信客服
  • 扫码咨询
会员Q群
  • 会员专属群点击这里加入QQ群
客服邮箱
回到顶部