电脑桌面
添加小米粒文库到电脑桌面
安装后可以在桌面快捷访问

企业研发中心工作计划总结

企业研发中心工作计划总结_第1页
1/7
企业研发中心工作计划总结_第2页
2/7
企业研发中心工作计划总结_第3页
3/7
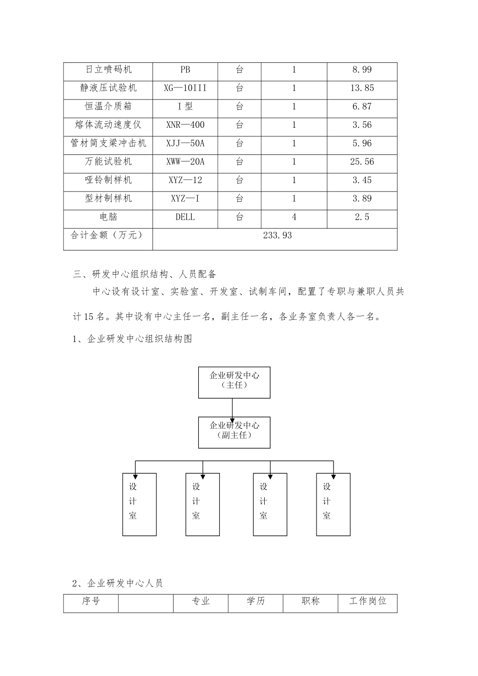
企 业 研 究 中 心 工 作 总 结XXXXXX 创建于 2000 年,是专业讨论开发生产新型塑料管材的专业公司。公司科研和生产基地坐落于 XXX 北苑工业区,占地 36.5 亩,公司先后投资 5000万人民币引进国外先进设备,拥有管材挤塑自动流水线七条、注塑机七台与各种检测设备齐全,具有实现 1.5-2.0 亿人民币总产值的年生产能力。公司注重引进高级专业技术人才、尊重科学、尊重人才,现有员工 86 人,其中具有高级专业技术职称 3 人,大专以上学历 24 人占全体员工 31.4%。先后成功研发了PP-R 管材、铝塑复合管(对接氩弧焊)、PEX、PE 管、玻纤 PP-R 复合管、无规共聚增强复合管材、增强自锁(PP-R)管件、抗菌铝网 PP-R 复合管、带阻氧层的塑料管材等产品,企业荣获国家专利累计 29 项,各种品种规格管材与管件计有 500 余种,销售网络遍与全国各省、市、自治区。公司坚持以“质量、科技、诚信、服务”的宗旨,依靠产品的质量、注重诚信和产品服务,公司通过ISO9001:2024 质量管理体系和 ISO14001:2024 环境管理体系认证,具有一整套科学管理制度,获得市专利示企业、质量信得过单位,市著名商标等荣誉。一、中心的讨论方向、容、工艺路线1、讨论方向、容XXXXXX 讨论开发中心自成立以来,通过对市场上各类管材管件的调查讨论,总结了市场上现有的各类管材的优缺点。在“保持优点解决存在的问题”的基础上,主要的讨论方向是围绕产品的外观设计,改善管材、管件在安装施工过程中存在的不足。2、研发工艺路线二、中心场地、研发仪器设备、原材料、能源等配套条件中心依托省 XXXXXX 有力的经济支持,目前,中心设有设计室、实验室、开发室、试制车间,面积达到 150 多平方米。配备了专业检测检验设备,能够满足企业的研发需要,各种检测仪器设备总额达到 240 余万元。公司历年来对研发工作十分重视,企业用于项目研发经费每年都在 100 万元以上,并做到专款专用。在研发项目的不断增加,研发档次不断提高的情况下,研发中心的仪器设备也将不断增加,并扩大研发场所,以适应企业进展需求。省 XXXXXX 研发中心仪器设备清单设备名称规格型号单位数量金额(万元)单螺杆共挤机SJ65台175.85精密注塑机1MPACT台167.56无屑切割机WX160台115.89研 发 人 员 收集、提供产品信息公司决策层讨论确立研发或技改项目技术部制定产品设计方案制定研发具体实施周期表检测室检测工艺室制定试制工艺试制车间产品试制样品改...

1、当您付费下载文档后,您只拥有了使用权限,并不意味着购买了版权,文档只能用于自身使用,不得用于其他商业用途(如 [转卖]进行直接盈利或[编辑后售卖]进行间接盈利)。
2、本站所有内容均由合作方或网友上传,本站不对文档的完整性、权威性及其观点立场正确性做任何保证或承诺!文档内容仅供研究参考,付费前请自行鉴别。
3、如文档内容存在违规,或者侵犯商业秘密、侵犯著作权等,请点击“违规举报”。

碎片内容

企业研发中心工作计划总结

您可能关注的文档

确认删除?
VIP
微信客服
  • 扫码咨询
会员Q群
  • 会员专属群点击这里加入QQ群
客服邮箱
回到顶部