电脑桌面
添加小米粒文库到电脑桌面
安装后可以在桌面快捷访问

隔离开关安装调整施工方案

隔离开关安装调整施工方案_第1页
1/11
隔离开关安装调整施工方案_第2页
2/11
隔离开关安装调整施工方案_第3页
3/11
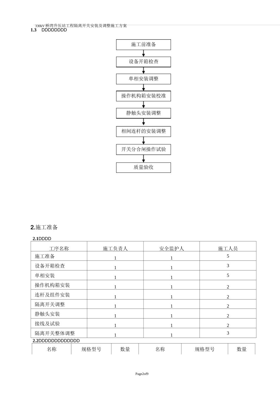
1.概述 11.1 施工规模 11.2 施工依据 11.3施工工序流程图 22.施工准备 22.1人员组织 22.2 主要施工机械、工器具的准备 32.3 施工前的准备 33.隔离开关的安装调整 43.1单相安装及调整 43.2 电机操作机构箱的安装及校准 43.3静触头的安装调整 53.4 相间连杆的安装调整 53.5 开关分、合闸操作试验 54.施工质量要求 65.质量保证措施 65.1施工准备 65.2 安装过程控制 75.3施工项目质量检查及验收 75.4成品保护 76.施工安全措施 76.1安全组织措施 76.2 安全风险点点及防范控制措施 7330kV 桥湾升压站工程隔离开关安装及调整施工方案Page3of9330kV 桥湾升压站工程隔离开关安装及调整施工方案Page2of91.3DDDDDDDD2.施工准备2.1DDDD工序名称施工负责人安全监护人施工人员施工准备115设备开箱检查113单相安装115操作机构箱安装112连杆及组件安装112隔离开关调整112静触头安装112接线及试验112隔离开关整体调整1132.2DDDDDDDDDDDDD名称规格型号数量名称规格型号数量330kV 桥湾升压站工程隔离开关安装及调整施工方案Page3of9力矩扳手8-450Nm1 套吊车35t1 辆套筒扳手8-46mm1 套交流弧焊机380V,21kVA1 台梅花扳手10-32mm1 套水平尺L=500mm2 把活动扳手450mm1 把金属切割机04001 台钢丝绳0122 条撬杆1.5m2 根尼龙吊带3t6m2 条梯子2.5m、4m各 2 把2.3DDDDDD2.3.1DDDDDDDDDDD2.3.1.1检查设备外包装是否完好,有无破损、碰撞痕迹,如发现破损,应立即与送货方协商交涉;2.3.1.2 核对设备送货单、设备外包装或设备铭牌(无外包装时)上标注的型号规格,是否与设计图及订货合同相符,外露的铭牌是否有刮擦破损、松动等情况;2.3.1.3如有另装的随机技术资料,应核对送货清单检查资料份数是否齐全。2.3.2DDDDDDDDDDD2.3.2.1 设备应按原包装放置于平整、无积水、无腐蚀性气体的场地,并按编号分组保存;在室外应垫上枕木并加盖篷布遮盖,电动操作机构箱应放置在干燥的室内保存;2.3.2.2绝缘部件、专用材料、专用小型工器具及备品、备件等应置于干燥的室内保存;2.3.2.3瓷件应妥善安置,不得倾倒,互相碰撞或遭受外界的危害;2.3.2.4对触头、轴承等处应加以包裹或遮盖,防止沙石等进入。2.3.3DDDDDDD2.3.3.1 设备安装前由施工方向监理方申报开箱检查。设备开箱检查工作由项目监理负责组织,甲方代表、物资供应部门代表、施工单位、厂家代表等有关单位参加,施工单位作好开箱清点及记录,并由各方代表签字确认检查结果;...

1、当您付费下载文档后,您只拥有了使用权限,并不意味着购买了版权,文档只能用于自身使用,不得用于其他商业用途(如 [转卖]进行直接盈利或[编辑后售卖]进行间接盈利)。
2、本站所有内容均由合作方或网友上传,本站不对文档的完整性、权威性及其观点立场正确性做任何保证或承诺!文档内容仅供研究参考,付费前请自行鉴别。
3、如文档内容存在违规,或者侵犯商业秘密、侵犯著作权等,请点击“违规举报”。

碎片内容

隔离开关安装调整施工方案

您可能关注的文档

确认删除?
VIP
微信客服
  • 扫码咨询
会员Q群
  • 会员专属群点击这里加入QQ群
客服邮箱
回到顶部