电脑桌面
添加小米粒文库到电脑桌面
安装后可以在桌面快捷访问

冶金部耐热混凝土标准

冶金部耐热混凝土标准_第1页
1/13
冶金部耐热混凝土标准_第2页
2/13
冶金部耐热混凝土标准_第3页
3/13
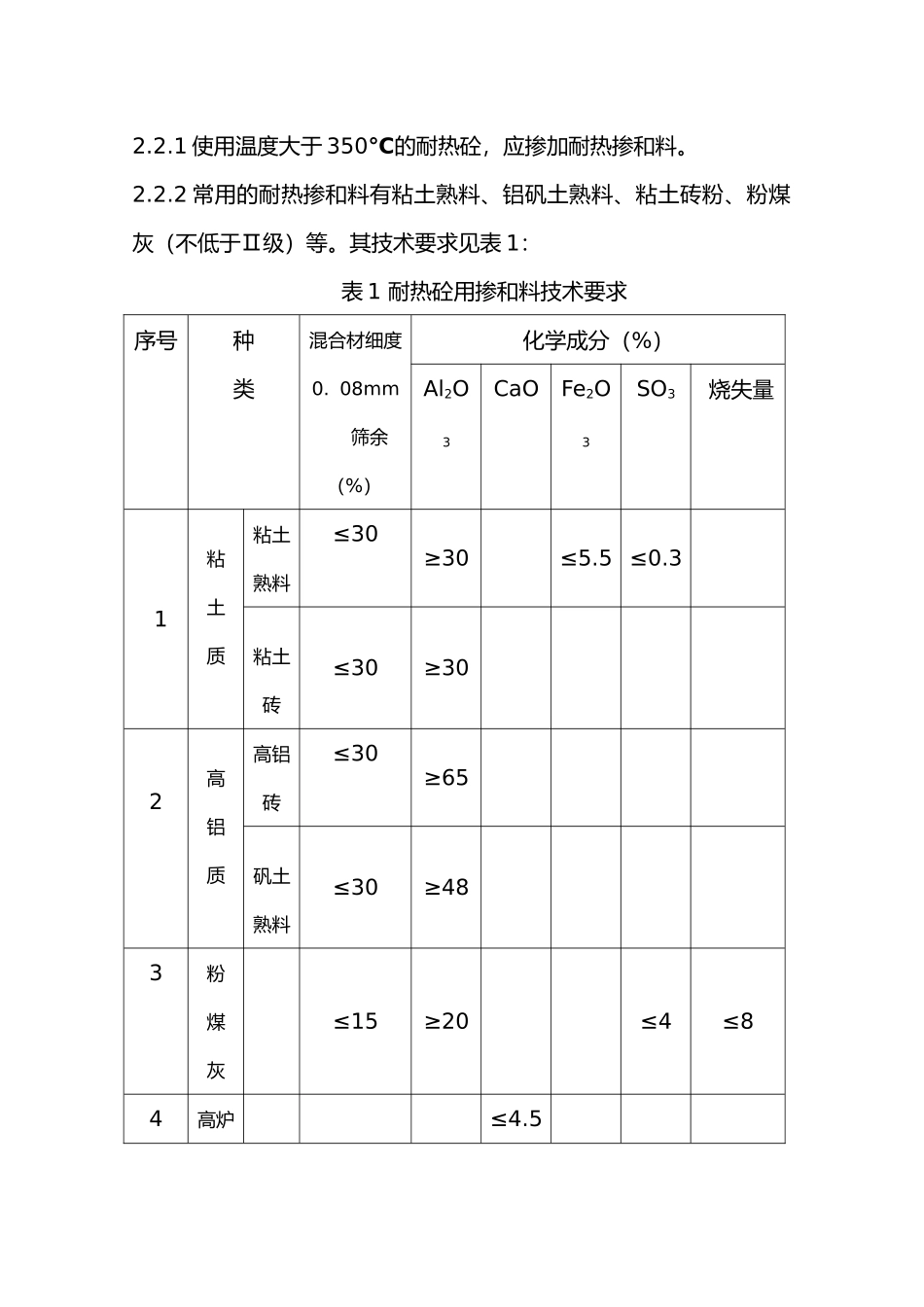
耐热混凝土配合比设计与性能检验规程1 总则针对冶金建筑工程的需要,编制该规程。本规程中的耐热混凝土指用普通硅酸盐水泥(或硅酸盐水泥、矿渣硅酸盐水泥、铝酸盐水泥)、耐热粗细骨料、耐热掺和料、水以与根据需要选用合适混凝土外加剂搅拌均匀后采纳振动成型的混凝土,它能够长时间承受 200~1300℃温度作用,并在高温下保持需要的物理力学性能。该混凝土不能使用于酸、碱侵蚀的部位。2 原材料要求根据耐热温度高低,温度变化的剧烈程度选用原材料的品种。2.1 水泥2.1.1 硅酸盐水泥、普通硅酸盐水泥、矿渣硅酸盐水泥、铝酸盐水泥应相应符合国标 GB175-1999、GB1344-1999、GB201-2000 的要求。对于高炉基础耐热混凝土使用的水泥,应压蒸安定性合格。2.1.2 对耐热温度高于 700℃的混凝土,水泥中不能掺石灰岩类混合材。低于 700℃时,掺量亦不能超过 5%。2.1.3 硅酸盐水泥,普通硅酸盐水泥的最高使用温度为 1200℃,矿渣水泥的最高使用温度为 700℃,且磨细水淬矿渣含量不大于50%,铝酸盐水泥最高使用温度为 1400℃。2.1.4 每立方米耐热砼中的水泥用量不应超过 450kg。2.2 掺和料2.2.1 使用温度大于 350℃的耐热砼,应掺加耐热掺和料。2.2.2 常用的耐热掺和料有粘土熟料、铝矾土熟料、粘土砖粉、粉煤灰(不低于Ⅱ级)等。其技术要求见表 1:表 1 耐热砼用掺和料技术要求序号种类混合材细度0. 08mm筛余(%)化学成分(%)Al2O3CaOFe2O3SO3 烧失量1粘土质粘土熟料≤30≥30≤5.5 ≤0.3粘土砖≤30≥302高铝质高铝砖≤30≥65矾土熟料≤30≥483粉煤灰≤15≥20≤4≤84高炉≤4.5矿渣注:掺和料含水率不得大于 1.5%。2.3 粗细骨料2.3.1 耐热砼不宜采纳石英质骨料。如砂岩、石英等。应选用粘土熟料、铝矾土熟料、耐火砖碎料、粘土砖碎料、高炉重矿渣碎石、安山岩、玄武岩、辉绿岩等。且高炉重矿渣碎石、安山岩、玄武岩、辉绿岩仅限于温度变化不剧烈的部位。2.3.2 骨料的燃烧温度不低于 1350~1450℃。2.3.3 对于已用过的粘土砖,应除去表面熔渣和杂质,且强度应大于10MPa。高炉重矿渣应具有良好的安定性,不允许有大于 25mm 的玻璃质颗粒。2.3.4 一般粗骨料粒径不得大于 20mm,在钢筋不密的厚大结构中不应大于 40mm。2.3.5 骨料中严禁混有有害杂质,特别是石灰岩类碎块等。2.3.6 对于温度低于 350℃,可使用河砂。低于 700℃,温度变化不剧烈时,优先选用高炉重矿渣骨料。2.3.7 高炉重矿渣碎石、安山岩、玄武岩...

1、当您付费下载文档后,您只拥有了使用权限,并不意味着购买了版权,文档只能用于自身使用,不得用于其他商业用途(如 [转卖]进行直接盈利或[编辑后售卖]进行间接盈利)。
2、本站所有内容均由合作方或网友上传,本站不对文档的完整性、权威性及其观点立场正确性做任何保证或承诺!文档内容仅供研究参考,付费前请自行鉴别。
3、如文档内容存在违规,或者侵犯商业秘密、侵犯著作权等,请点击“违规举报”。

碎片内容

冶金部耐热混凝土标准

您可能关注的文档

确认删除?
VIP
微信客服
  • 扫码咨询
会员Q群
  • 会员专属群点击这里加入QQ群
客服邮箱
回到顶部