电脑桌面
添加小米粒文库到电脑桌面
安装后可以在桌面快捷访问

分部工程质量验收记录统表1

分部工程质量验收记录统表1_第1页
1/7
分部工程质量验收记录统表1_第2页
2/7
分部工程质量验收记录统表1_第3页
3/7
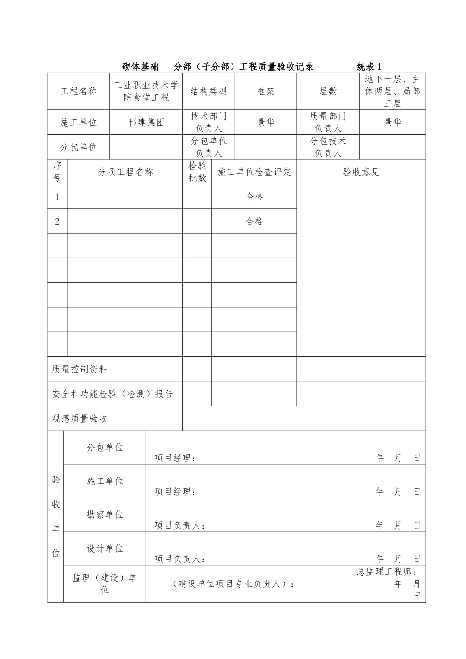
土方 分部(子分部)工程质量验收记录 统表 1工程名称工业职业技术学院食堂工程结构类型框架层数地下一层、主体两层、局部三层施工单位邗建集团技术部门负责人景华质量部门负责人景华分包单位分包单位负责人分包技术负责人序号分项工程名称检验批数施工单位检查评定验收意见11-13/A-Q 轴土方开挖1合格21-13/A-Q 轴土方回填1合格质量控制资料安全和功能检验(检测)报告观感质量验收验收单位分包单位项目经理: 年 月 日施工单位项目经理: 年 月 日勘察单位项目负责人: 年 月 日设计单位项目负责人: 年 月 日监理(建设)单位总监理工程师: (建设单位项目专业负责人): 年 月 日 砼基础 分部(子分部)工程质量验收记录 统表 1工程名称工业职业技术学院食堂工程结构类型框架层数地下一层、主体两层、局部三层施工单位邗建集团技术部门负责人景华质量部门负责人景华分包单位分包单位负责人分包技术负责人序号分项工程名称检验批数施工单位检查评定验收意见1模板分项工程 17合格2钢筋分项工程12合格3砼分项工程15合格4现浇结构分项工程15合格质量控制资料安全和功能检验(检测)报告观感质量验收验收单位分包单位项目经理: 年 月 日施工单位项目经理: 年 月 日勘察单位项目负责人: 年 月 日设计单位项目负责人: 年 月 日监理(建设)单位总监理工程师: (建设单位项目专业负责人): 年 月 日 砌体基础 分部(子分部)工程质量验收记录 统表 1工程名称工业职业技术学院食堂工程结构类型框架层数地下一层、主体两层、局部三层施工单位邗建集团技术部门负责人景华质量部门负责人景华分包单位分包单位负责人分包技术负责人序号分项工程名称检验批数施工单位检查评定验收意见1合格2合格质量控制资料安全和功能检验(检测)报告观感质量验收验收单位分包单位项目经理: 年 月 日施工单位项目经理: 年 月 日勘察单位项目负责人: 年 月 日设计单位项目负责人: 年 月 日监理(建设)单位总监理工程师: (建设单位项目专业负责人): 年 月 日 地下防水 分部(子分部)工程质量验收记录 统表 1工程名称工业职业技术学院食堂工程结构类型框架层数地下一层、主体两层、局部三层施工单位邗建集团技术部门负责人景华质量部门负责人景华分包单位分包单位负责人分包技术负责人序号分项工程名称检验批数施工单位检查评定验收意见1防水砼分项工程 合格2涂抹防水层分项工程 合格质...

1、当您付费下载文档后,您只拥有了使用权限,并不意味着购买了版权,文档只能用于自身使用,不得用于其他商业用途(如 [转卖]进行直接盈利或[编辑后售卖]进行间接盈利)。
2、本站所有内容均由合作方或网友上传,本站不对文档的完整性、权威性及其观点立场正确性做任何保证或承诺!文档内容仅供研究参考,付费前请自行鉴别。
3、如文档内容存在违规,或者侵犯商业秘密、侵犯著作权等,请点击“违规举报”。

碎片内容

分部工程质量验收记录统表1

您可能关注的文档

确认删除?
VIP
微信客服
  • 扫码咨询
会员Q群
  • 会员专属群点击这里加入QQ群
客服邮箱
回到顶部