电脑桌面
添加小米粒文库到电脑桌面
安装后可以在桌面快捷访问

分部工程质量验收表格

分部工程质量验收表格_第1页
1/21
分部工程质量验收表格_第2页
2/21
分部工程质量验收表格_第3页
3/21
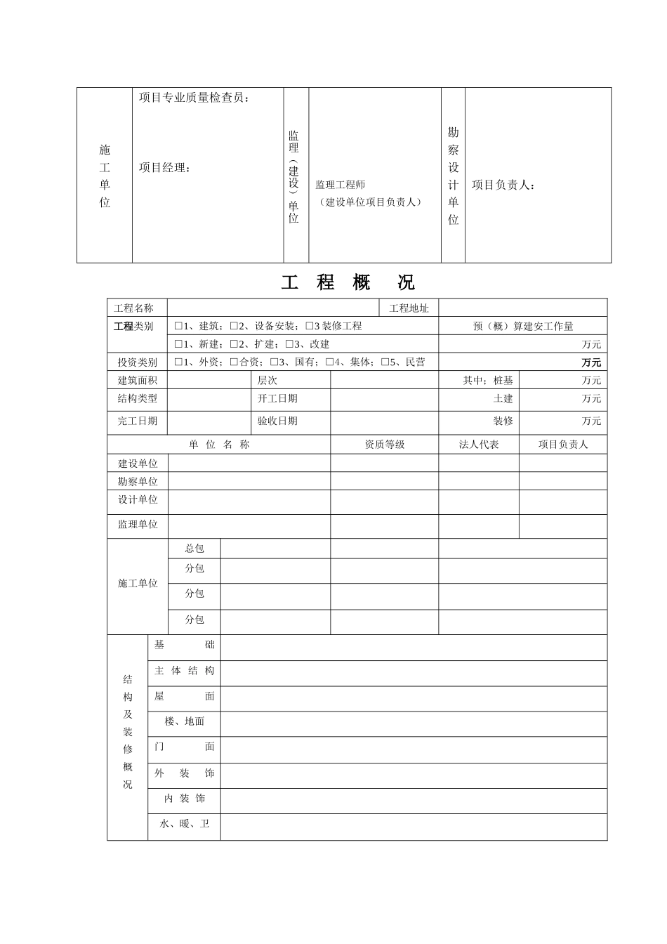
地基与基础分部工程质量验收报告建设单位及工程名称施 工 单 位结 构 类 型层次建筑面积(m²)施工起止日期验收日期验收内容1、 基础分部工程各项质量资料基本齐全2、 基础钢筋的成型,绑扎、节点处现场满足设计和法律规范要求3、 基础砼的尺寸,浇筑质量,轴线、标高均满足设计和施工法律规范要求。施工单位评定意见;项目经理:监理单位验收意见:总监工程师设计(勘察)单位验收意见:设计(勘察)责任人:建设单位验收结果:项目负责人; 注验收内容应反映工程实物质量和质保资料验收情况 地基验槽记录和地基处理记录 TJ2.6.3工程名称基底标高验收日期 基底上层分布情况及走向基底土质及地下水情况验收意见施工单位项目专业质量检查员:项目经理:监理(建设)单位监理工程师(建设单位项目负责人)勘察设计单位项目负责人:工 程 概 况工程名称工程地址工程类别□1、建筑;□2、设备安装;□3 装修工程预(概)算建安工作量□1、新建;□2、扩建;□3、改建 万元投资类别□1、外资;□合资;□3、国有;□4、集体;□5、民营 万元建筑面积层次其中;桩基 万元结构类型开工日期土建 万元完工日期验收日期装修 万元单 位 名 称资质等级法人代表项目负责人建设单位勘察单位设计单位监理单位施工单位总包分包分包分包结构及装修概况基础主 体 结 构屋面楼、地面门面外装饰内 装 饰水、暖、卫电气附 注 复核人: 填表人:单位(子单位)工程质量竣工验收记录工程名称结构类型层数\建筑面积施工单位技术代理人开工日期项目经理项目技术代理人竣工日期序号项目验收记录验收结论1分部工程共 分部,经检查 分部符合标准及设计要求 分部2质量控制资料核查共 项 , 经 审 查 符 合 要 求 项,经核定符合法律规范要求 项3安全和主要使用功能核查结果共核查 项,符合要求 项共抽查 项,符合要求 项经返工处理符合要求 项观感质量验收共抽查 项,符合要求 项不符合要求 项综合验收结论建设单位监理单位施工单位设计单位参加验收单位(公章)单位(项目)负责人年月日(公章)总监工程师 年月日(公章)单位负责人 年月日(公章)单位(项目)负责人 年月日单位(子单位)工程质量控制资料核查记录工程名称施工单位序号项目资料名称份数核查意见核查人1建筑与结构图纸会审、设计变更、洽商记录2工程定位测量、放线记录3原材料出厂合格证书及进场检(试)验报告4施工试验报告及见证检测报告5隐蔽...

1、当您付费下载文档后,您只拥有了使用权限,并不意味着购买了版权,文档只能用于自身使用,不得用于其他商业用途(如 [转卖]进行直接盈利或[编辑后售卖]进行间接盈利)。
2、本站所有内容均由合作方或网友上传,本站不对文档的完整性、权威性及其观点立场正确性做任何保证或承诺!文档内容仅供研究参考,付费前请自行鉴别。
3、如文档内容存在违规,或者侵犯商业秘密、侵犯著作权等,请点击“违规举报”。

碎片内容

分部工程质量验收表格

确认删除?
VIP
微信客服
  • 扫码咨询
会员Q群
  • 会员专属群点击这里加入QQ群
客服邮箱
回到顶部