电脑桌面
添加小米粒文库到电脑桌面
安装后可以在桌面快捷访问

化工企业作业活动风险分级控制清单

化工企业作业活动风险分级控制清单_第1页
1/7
化工企业作业活动风险分级控制清单_第2页
2/7
化工企业作业活动风险分级控制清单_第3页
3/7
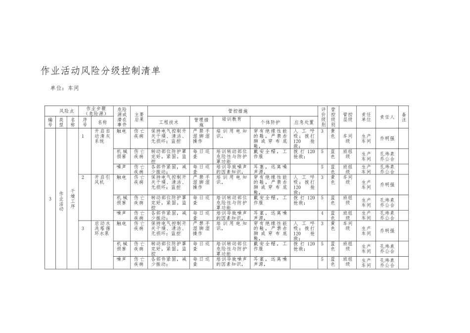
作业活动风险分级控制清单单位:车间 风险点作业步骤(危险源)危险源或潜在事件主要后果管控措施评价级别管控级别管控层级责任单位责任人备注编号类型名称序号名称工程技术管理措施培训教育个体防护应急处置3作业活动干燥工序1开启自动清灰系统触电伤 亡疾病保持电气控制开关干燥、清洁、无损坏;监控严 禁 手湿 脚 湿操作培 训 用 电 知识,穿有绝缘性能的鞋,严禁赤脚 或 穿 布 底鞋,人 工 呼吸;拨打120抢救;3黄色车间级生产车间乔明强机 械损害伤 亡疾病转动部位防护罩完好,紧固。监控每 日 巡查培训转动部位危险性与防护罩功能戴安全帽,工作服拨 打 120抢救;5蓝色班组级生产车间孔炜泉乔公合噪声伤 亡疾病各部件紧固,减少振动;每 日 巡查培训导致噪声的因素知识,耳塞,远离噪声源,5蓝色班组级生产车间孔炜泉乔公合2开启引风机触电伤 亡疾病保持电气控制开关干燥、清洁、无损坏;监控严 禁 手湿 脚 湿操作培 训 用 电 知识,穿有绝缘性能的鞋,严禁赤脚 或 穿 布 底鞋,人 工 呼吸;拨打120抢救;3黄色车间级生产车间乔明强机 械损害伤 亡疾病转动部位防护罩完好,紧固。监控每 日 巡查培训转动部位危险性与防护罩功能戴安全帽,工作服拨 打 120抢救;5蓝色班组级生产车间孔炜泉乔公合噪声伤 亡疾病各部件紧固,减少振动;每 日 巡查培训导致噪声的因素知识,耳塞,远离噪声源,4蓝色班组级生产车间孔炜泉乔公合3启动水洗塔循环水泵触电伤 亡疾病保持电气控制开关干燥、清洁、无损坏;监控严 禁 手湿 脚 湿操作培 训 用 电 知识,穿有绝缘性能的鞋,严禁赤脚 或 穿 布 底鞋,人 工 呼吸;拨打120抢救;3黄色车间级生产车间乔明强机 械损害伤 亡疾病转动部位防护罩完好,紧固。监控每 日 巡查培训转动部位危险性与防护罩功能戴安全帽,工作服拨 打 120抢救;5蓝色班组级生产车间孔炜泉乔公合噪声伤 亡疾病各部件紧固,减少振动;每 日 巡查培训导致噪声的因素知识,耳塞,远离噪声源,5蓝色班组级生产车间孔炜泉乔公合4开启引风机触电伤 亡疾病保持电气控制开关干燥、清洁、无损坏;监控严 禁 手湿 脚 湿操作培 训 用 电 知识,穿有绝缘性能的鞋,严禁赤脚 或 穿 布 底鞋,人 工 呼吸;拨打120抢救;3黄色车间级生产车间乔明强机 械损害伤 亡疾病转动部位防护罩完好,紧固。监控每 日 巡查培训转动部位危险性与防护罩功能戴安全帽,工...

1、当您付费下载文档后,您只拥有了使用权限,并不意味着购买了版权,文档只能用于自身使用,不得用于其他商业用途(如 [转卖]进行直接盈利或[编辑后售卖]进行间接盈利)。
2、本站所有内容均由合作方或网友上传,本站不对文档的完整性、权威性及其观点立场正确性做任何保证或承诺!文档内容仅供研究参考,付费前请自行鉴别。
3、如文档内容存在违规,或者侵犯商业秘密、侵犯著作权等,请点击“违规举报”。

碎片内容

化工企业作业活动风险分级控制清单

雏圣文化+ 关注
实名认证
内容提供者

欢迎光临,大量办公文档供您挑选。

确认删除?
VIP
微信客服
  • 扫码咨询
会员Q群
  • 会员专属群点击这里加入QQ群
客服邮箱
回到顶部