电脑桌面
添加小米粒文库到电脑桌面
安装后可以在桌面快捷访问

国家标准GB50160中有关安全距离列表

国家标准GB50160中有关安全距离列表_第1页
1/15
国家标准GB50160中有关安全距离列表_第2页
2/15
国家标准GB50160中有关安全距离列表_第3页
3/15
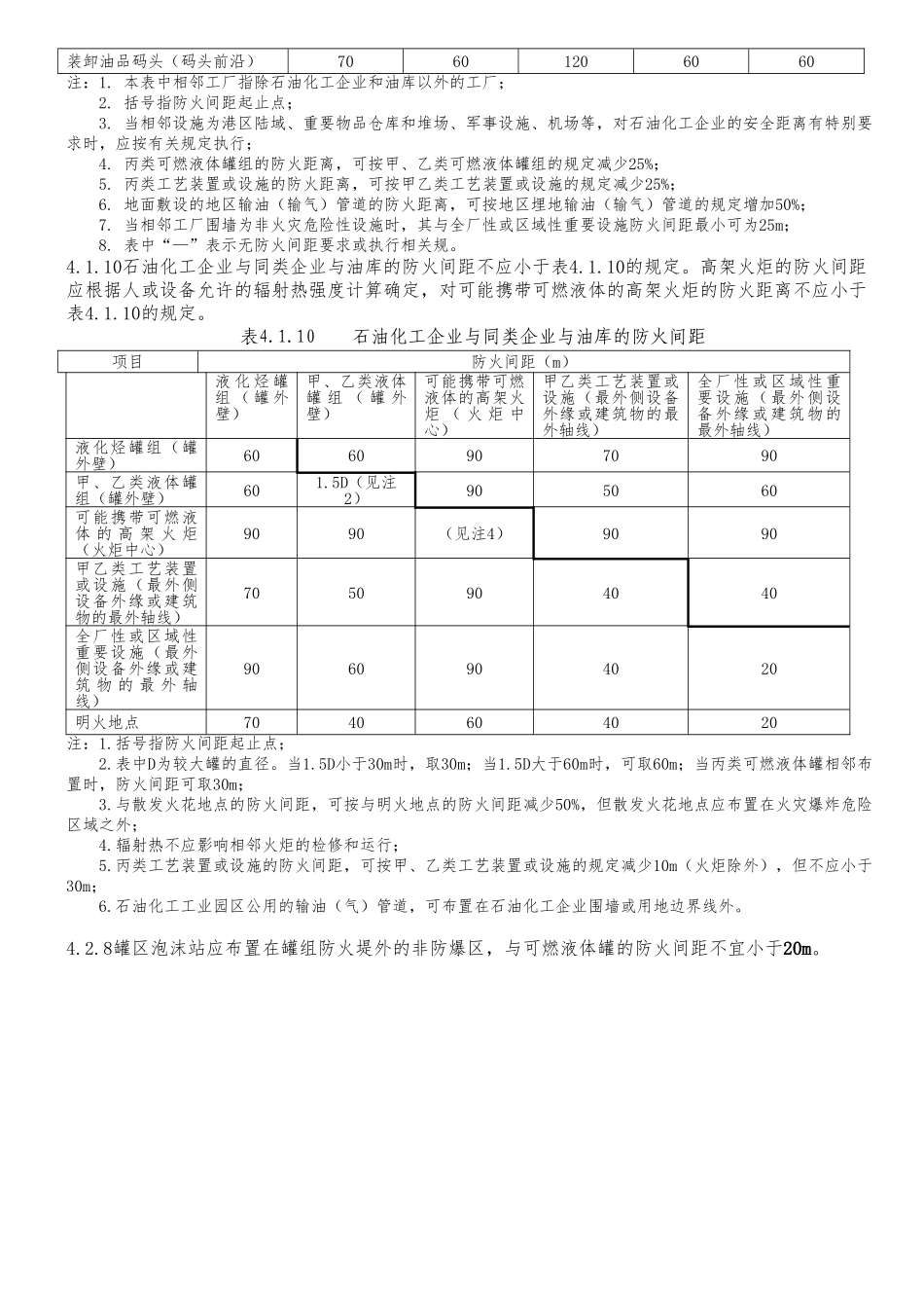
容摘抄GB50160-2024《石油化工企业设计防火规》表4.1.9 石油化工企业与相邻工厂或设施的防火间距相邻工厂或设施防火间距(m)液 化 烃 罐 组(罐外壁)甲、乙类液体罐 组 ( 罐 外壁)可能携带可燃液体的高架火炬 ( 火 炬 中心)甲乙类工艺装置或设施(最外侧设备外缘或建筑物的最外轴线)全厂性或区域性 重 要 设 施(最外侧设备外缘或建筑物的最外轴线)居民区、公共福利设施、村庄15010012010025相邻工厂(围墙或用地边界线)120701205070厂外铁路国家铁路线(中心线)55458035—厂 外 企 业 铁路线(中心线)45358030—国家或工业区铁路编组站(铁路中心线或建筑物)5545803525厂外公路高速公路、一级公路(路边)35308030—其他公路(路边)25206020—变配电站(围墙)80501204025架空电力线路(中心线)1.5倍塔杆高度1.5倍塔杆高度801.5倍塔杆高度—Ⅰ、Ⅱ国家架空通信线路(中心线)50408040—通航江、河、海岸边25258020—地区埋地输油管道原油与成品油(管道中心)3030603030液 化 烃 ( 管 道 中心)6060806060地区埋地输气管道(管道中心)3030603030装卸油品码头(码头前沿)70601206060注:1. 本表中相邻工厂指除石油化工企业和油库以外的工厂;2. 括号指防火间距起止点;3. 当相邻设施为港区陆域、重要物品仓库和堆场、军事设施、机场等,对石油化工企业的安全距离有特别要求时,应按有关规定执行;4. 丙类可燃液体罐组的防火距离,可按甲、乙类可燃液体罐组的规定减少25%;5. 丙类工艺装置或设施的防火距离,可按甲乙类工艺装置或设施的规定减少25%;6. 地面敷设的地区输油(输气)管道的防火距离,可按地区埋地输油(输气)管道的规定增加50%;7. 当相邻工厂围墙为非火灾危险性设施时,其与全厂性或区域性重要设施防火间距最小可为25m;8. 表中“—”表示无防火间距要求或执行相关规。4.1.10石油化工企业与同类企业与油库的防火间距不应小于表4.1.10的规定。高架火炬的防火间距应根据人或设备允许的辐射热强度计算确定,对可能携带可燃液体的高架火炬的防火距离不应小于表4.1.10的规定。表4.1.10 石油化工企业与同类企业与油库的防火间距项目防火间距(m)液 化 烃 罐组 ( 罐 外壁)甲、乙类液体罐 组 ( 罐 外壁)可能携带可燃液体的高架火炬 ( 火 炬 中心)甲乙类工艺装置或设施(最外侧设备外缘或建筑物的最外轴线)全厂性或区域性重要设施(最外侧设备外缘或建筑物的最...

1、当您付费下载文档后,您只拥有了使用权限,并不意味着购买了版权,文档只能用于自身使用,不得用于其他商业用途(如 [转卖]进行直接盈利或[编辑后售卖]进行间接盈利)。
2、本站所有内容均由合作方或网友上传,本站不对文档的完整性、权威性及其观点立场正确性做任何保证或承诺!文档内容仅供研究参考,付费前请自行鉴别。
3、如文档内容存在违规,或者侵犯商业秘密、侵犯著作权等,请点击“违规举报”。

碎片内容

国家标准GB50160中有关安全距离列表

确认删除?
VIP
微信客服
  • 扫码咨询
会员Q群
  • 会员专属群点击这里加入QQ群
客服邮箱
回到顶部