电脑桌面
添加小米粒文库到电脑桌面
安装后可以在桌面快捷访问

城中村改造项目管理项目策划书

城中村改造项目管理项目策划书_第1页
1/38
城中村改造项目管理项目策划书_第2页
2/38
城中村改造项目管理项目策划书_第3页
3/38
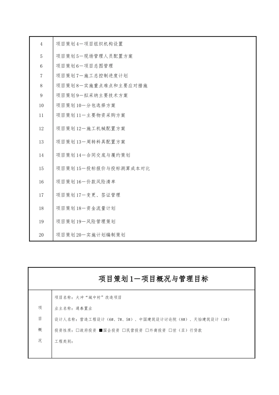
大冲“城中村”改造项目项目管理策划书版 本:第一版 编制/日期:2024 年 12 月 23 日 审核/日期:批准/日期:建工集团项目管理策划书审批表工程名称大冲“城中村”改造项目建设单位通泰置业施工单位建工集团项目规模建筑总面积 66 万 m2项目简况大冲“城中村”改造项目(1#、5#、6#、7#、8#)和建工新城(53#)地块位于市经济技术开发区“大冲村”片区,建筑面积约 66 万平米,该工程包含高层、别墅、商业、学校,合同造价约15.34 亿元开工日期计划 2024 年 7 月 10 日合同造价15.34 亿计划竣工日期2024 年 7 月 20 日合同工期1105 天“ 五位 一体 ”相 关职 能部 门审 核意见质量管理部门审核意见:签字: 日期: 安全管理部门审核意见: 签字: 日期: 技术管理部门审核意见:签字: 日期:进度管理部门审核意见:签字: 日期:成本管理部门审核意见:签字: 日期:项目管理中心审批意见:签字: 日期: 公司主管领导审定意见:签字: 日期:目 录序号 容0编制说明1项目策划 1-项目概况与管理目标2项目策划 2-项目背景3项目策划 3-项目实施总体部署4项目策划 4-项目组织机构设置5项目策划 5-现场管理人员配置方案6项目策划 6-项目总图管理7项目策划 7-施工总控制进度计划8项目策划 8-实施重点难点和主要应对措施9项目策划 9-拟采纳主要技术方案10项目策划 10-分包选择方案11项目策划 11-主要物资采购方案12项目策划 12-施工机械配置方案13项目策划 13-周转料具配置方案14项目策划 14-合同交底与履约策划15项目策划 15-投标报价与投标测算成本对比16项目策划 16-价款风险清单17项目策划 17-变更、签证管理18项目策划 18-资金流量计划19项目策划 19-风险管理策划20项目策划 20-实施计划编制策划项目策划 1-项目概况与管理目标项目概况项目名称:大冲“城中村”改造项目业主名称:通泰置业设计人名称:营造工程设计(6#、7#、5#)、中国建筑设计讨论院(8#)、天怡建筑设计(1#)投资性质:□政府投资 ■国企投资 □民营投资 □外商投资 □世(亚)行贷款工程类别: 房屋建筑工程:■住宅 基础设施:□公路 专业工程:□装饰□办公设施 □铁路/轨道交通 □安装■商业设施 □机场 ■钢结构□工业项目 □市政道路 ■学校□市政公用设施 □水利水电 □其他□城市综合体 □港口与航道工程工程总价:15.34 亿元 项目规模:66 万平米工程...

1、当您付费下载文档后,您只拥有了使用权限,并不意味着购买了版权,文档只能用于自身使用,不得用于其他商业用途(如 [转卖]进行直接盈利或[编辑后售卖]进行间接盈利)。
2、本站所有内容均由合作方或网友上传,本站不对文档的完整性、权威性及其观点立场正确性做任何保证或承诺!文档内容仅供研究参考,付费前请自行鉴别。
3、如文档内容存在违规,或者侵犯商业秘密、侵犯著作权等,请点击“违规举报”。

碎片内容

城中村改造项目管理项目策划书

您可能关注的文档

确认删除?
VIP
微信客服
  • 扫码咨询
会员Q群
  • 会员专属群点击这里加入QQ群
客服邮箱
回到顶部