电脑桌面
添加小米粒文库到电脑桌面
安装后可以在桌面快捷访问

外墙抹灰工程施工设计方案

外墙抹灰工程施工设计方案_第1页
1/10
外墙抹灰工程施工设计方案_第2页
2/10
外墙抹灰工程施工设计方案_第3页
3/10
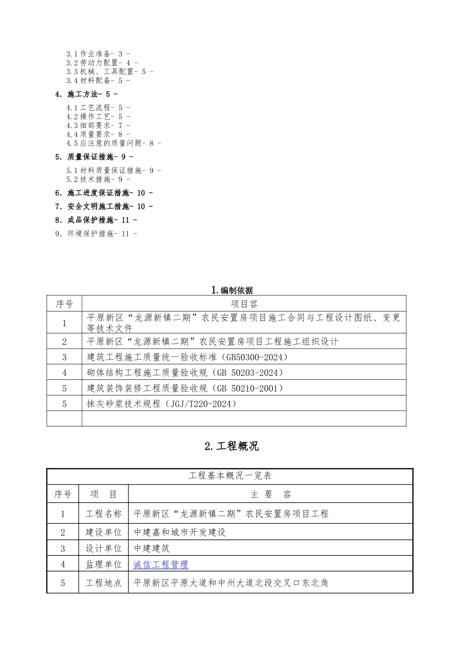
平原新区“龙源新镇二期”农民安置房项目外墙抹灰施工专项方案外墙抹灰施工专项方案 中国建筑第七工程局编制日期: 二零一六年六月十七日目 录1. 编制依据- 3 -2.工程概况- 3 -3.施工准备- 3 -3.1 作业准备- 3 -3.2 劳动力配置- 4 -3.3 机械、工具配置- 5 -3.4 材料配备- 5 -4.施工方法- 5 -4.1 工艺流程- 5 -4.2 操作工艺- 5 -4.3 细部要求- 7 -4.4 质量要求- 8 -4.5 应注意的质量问题- 8 -5.质量保证措施- 9 -5.1 材料质量保证措施- 9 -5.2 技术措施- 9 -6.施工进度保证措施- 10 -7.安全文明施工措施- 10 -8.成品保护措施- 11 -9.环境保护措施- 11 -1. 编制依据序号项目容1平原新区“龙源新镇二期”农民安置房项目施工合同与工程设计图纸、变更等技术文件2平原新区“龙源新镇二期”农民安置房项目工程施工组织设计3建筑工程施工质量统一验收标准(GB50300-2024)4砌体结构工程施工质量验收规(GB 50203-2024)5建筑装饰装修工程质量验收规(GB 50210-2001)5抹灰砂浆技术规程(JGJ/T220-2024)2.工程概况工程基本概况一览表序号项 目主 要 容1工程名称平原新区“龙源新镇二期”农民安置房项目工程2建设单位中建嘉和城市开发建设3设计单位中建建筑4监理单位诚信工程 管理 5工程地点平原新区平原大道和中州大道北段交叉口东北角6建筑组成本工程由 8 栋 17-26 层的高层建筑组成7建筑面积总建筑面积为 13.3 万平方米8建筑高度1#、3#、4#、8#楼为地下二层,地上 17 层,建筑高度为 49.750米;5#、6#、7#楼为地下二层,地上 22 层,建筑高度为 64.250米;2#楼为地下二层,地上 26 层,建筑高度为 75.850 米3.施工准备3.1 作业准备1) 主体结构必须验收合格,必要的缺陷处理完成。建筑标高线已完成。2) 外窗原则上应待窗框安装并验收合格后再进行收口处理;当现场不能满足要求时,可提前收口,但必须保证洞口尺寸统一,上下在统一垂直线上;窗洞口尺寸必须保证见 70mm(如窗洞为 1600×1600,粉刷完成尺寸为 1570×1570)。3) 混凝土结构外墙穿墙螺栓孔采纳发泡剂填实,并将外露塑料套管清理洁净。4) 作业前墙面应提前贴饼充筋,抹灰前应检查基体表面的平整,以决定其抹灰厚度。5) 抹灰总厚度≥35mm、不同材料基体交接处(含墙面埋设管线开槽)以与各种箱体背面(各边比箱体宽 150mm),应实行钢丝网加强,每侧宽度为 150mm,然后再抹灰。6) 抹灰前...

1、当您付费下载文档后,您只拥有了使用权限,并不意味着购买了版权,文档只能用于自身使用,不得用于其他商业用途(如 [转卖]进行直接盈利或[编辑后售卖]进行间接盈利)。
2、本站所有内容均由合作方或网友上传,本站不对文档的完整性、权威性及其观点立场正确性做任何保证或承诺!文档内容仅供研究参考,付费前请自行鉴别。
3、如文档内容存在违规,或者侵犯商业秘密、侵犯著作权等,请点击“违规举报”。

碎片内容

外墙抹灰工程施工设计方案

您可能关注的文档

文森传品+ 关注
实名认证
内容提供者

一家传播文化教育的小店,资料丰富,随意挑选。

确认删除?
VIP
微信客服
  • 扫码咨询
会员Q群
  • 会员专属群点击这里加入QQ群
客服邮箱
回到顶部