电脑桌面
添加小米粒文库到电脑桌面
安装后可以在桌面快捷访问

多介质过滤器操作维护手册范本

多介质过滤器操作维护手册范本_第1页
1/6
多介质过滤器操作维护手册范本_第2页
2/6
多介质过滤器操作维护手册范本_第3页
3/6
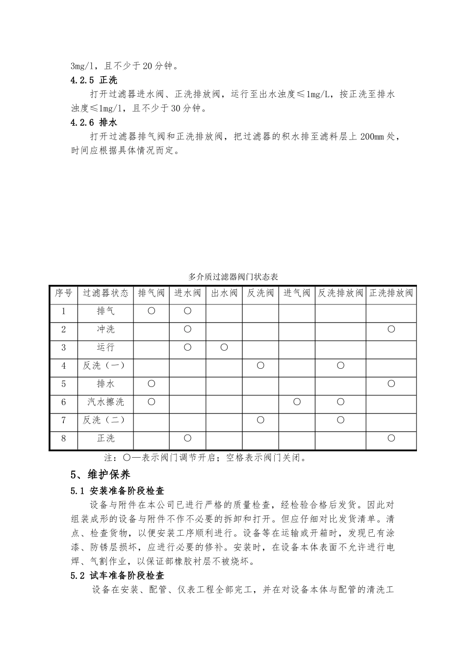
多介质过滤器操作维护手册1、工作原理多介质过滤器,用于原水的除浊处理。将原水送入装有各级匹配的石英砂的多介质过滤器,利用石英砂的截污能力,可有效地去除水中的较大颗粒悬浮物和胶体等,使出水的浊度小于 1mg/l,以保证后续处理的正常运行。原水在管道加入絮凝剂,絮凝剂在水中发生离子水解和聚合过程,水中胶体粒子对水解与聚集的各种产物进行强烈的吸附,使粒子表面电荷和扩散厚度同时降低,因而粒子间相互排斥能降低,相互接近而凝聚,水解产生的聚合物被两个以上的胶体吸附后,在粒子间产生架桥联接,逐步形成较大的絮凝体,经过多介质过滤器时,为砂滤料载留。多介质过滤器的吸附是一种物理吸附,按滤料的填装方式大体可分为松散区(粗砂)、紧密区(细砂),悬浮物质在松散区主工通过流动接触产生接触凝聚作用,所以该区域截留较大颗粒的悬浮物质,在紧密区主要是惯性碰撞与悬浮颗粒间的吸附作用,所以该区域是截留较小颗粒的悬浮物质。当多介质过滤器因截留过量的机械杂质而影响其正常工作,则可用反冲洗的方法来进行清洗。利用逆向进水,同时通入压缩空气,进行气水混合擦洗,使过滤器砂滤层松动,可使粘附于石英砂表面的截留物剥离并被反冲水流带走,有利于排除滤层中的沉渣、悬浮物等,并防止滤料板结,使其充分恢复截污能力,从而达到清洗的目的。反洗以进出口压差参数设置来控制反冲洗周期,经验得知一般为一天,具体须视原水浊度而定。 多介质过滤器采纳不锈钢操作阀组,过滤器的启运、正洗、反洗、停机等工序均是手动控制操作。当多介质过滤器运行至进出口压差为 0.07MPa 时,必须进行反洗。2、结构特点设备本体是带上下椭圆封头的圆柱形钢结构,过滤器材质为 Q235―A 或 304不锈钢,衬硫化橡胶防腐,部在进水口设有布水器,下部设有集水装置,集水装置上填装 1400 mm 的石英砂。成套设备的本体外部装置有各种控制阀门和流量计、压力表。多介质过滤器所填填料包括精制石英砂。填高如下: 石英砂 0.4-0.6mm 700mm 石英砂 0.6-1.2mm 200mm石英砂 1.2-2.0mm 200mm 承托层 3.0-5.0mm 300mm3、技术参数工作压力:<0.6Mpa 水压试验:0.75Mpa进水浊度:<5mg/L。出水浊度:<1mg/L。工作温度: 5-40℃运行流速: 6~8m/h反洗强度: 12~16L/m2·s填料高度: 1400mm 4、运行操作说明4.1 开机准备检查过滤器本体与附属的各种阀门、管路、仪表和各种设备附件是否完好;检查絮凝剂加药计量箱中药液是否充足;...

1、当您付费下载文档后,您只拥有了使用权限,并不意味着购买了版权,文档只能用于自身使用,不得用于其他商业用途(如 [转卖]进行直接盈利或[编辑后售卖]进行间接盈利)。
2、本站所有内容均由合作方或网友上传,本站不对文档的完整性、权威性及其观点立场正确性做任何保证或承诺!文档内容仅供研究参考,付费前请自行鉴别。
3、如文档内容存在违规,或者侵犯商业秘密、侵犯著作权等,请点击“违规举报”。

碎片内容

多介质过滤器操作维护手册范本

确认删除?
VIP
微信客服
  • 扫码咨询
会员Q群
  • 会员专属群点击这里加入QQ群
客服邮箱
回到顶部