电脑桌面
添加小米粒文库到电脑桌面
安装后可以在桌面快捷访问

太阳能路灯验收记录表格模板

太阳能路灯验收记录表格模板_第1页
1/14
太阳能路灯验收记录表格模板_第2页
2/14
太阳能路灯验收记录表格模板_第3页
3/14
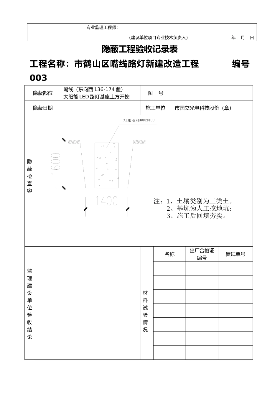
土方开挖 报验申请表工程名称:市鹤山区嘴线路灯新建改造工程 编号 -001致: 省育兴建设工程管理(监理单位) 我单位已完成了嘴线 ( 东向西 136-174 盏 ) 太阳能 LED10 米路灯基座土方 开挖工作,现报上该工程报验申请表,请予以审查和验收。附件:《土方开挖工程检验批质量验收记录表》 GB50202-2024 《隐蔽工程验收记录表》 承包单位(章)市国立光电科技股份 项目经理: 日 期:审查意见: 项目监理机构;省育兴建设工程管理 总/专业监理工程师: 日 期:土方开挖工程检验批质量验收记录表GB50202-2024工程名称:市鹤山区嘴线路灯新建改造工程 编号-002单位(子单位)工程名称市鹤山区嘴线路灯新建改造工程分部(子分部)工程名称土方工程验收部位(东向西 136-174盏)太阳能 LED 路灯基座施工单位市国立光电科技股份项目经理建义施工执行标准名称与编号建筑地基基础工程施工质量验收规 GB50202-2024施工质量验收规的规定施工单位检查评定记录监理(建设)单位验收记录检查项目允许偏差或允许值(mm)柱基基坑基槽□挖方场地平整管沟□地(路)面基层□人工□机械■主控项目1标高-50±30±50-50-5040、25、40、50、25、252长度、宽度(由设计中心线向两边量)+200-50+300-100+500-150100—+350、-120、+350、+300、-1503过坡设计要求符合施工质量验收规,“检查记录”。观察或用坡度尺检查一般项目1表面平整 度202050202030、25、35、30、50、252基底土性设计要求符合施工质量验收规“检查记录”。观察或土样分析施工单位检查评定结果专业工长(施工员)施工班组长主控项目和一般项目全部合格,符合设计与施工质量验收规要求。项目专业质量检查员: 年月 日 监理(建设)单位验收结论专业监理工程师:(建设单位项目专业技术负责人) 年 月 日 隐蔽工程验收记录表 工程名称:市鹤山区嘴线路灯新建改造工程 编号 003隐蔽部位嘴线(东向西 136-174 盏)太阳能 LED 路灯基座土方开挖图 号隐蔽日期施工单位市国立光电科技股份(章)隐蔽检查容监理 建设 单位验收结论材料试验情况名称出厂合格证编号复试单号 注:1、土壤类别为三类土。2、基坑为人工挖地坑;3、施工后回填夯实。监理工程师:(建设单位项目技术负责人) 年 月 日 (章)施工技术负责人: 施工员: 质检员:混凝土基座浇灌 报验申请表工程名称:市鹤山区嘴线路灯新建改造工程 编号- 004致: 省育兴建设工程管理 (监理单...

1、当您付费下载文档后,您只拥有了使用权限,并不意味着购买了版权,文档只能用于自身使用,不得用于其他商业用途(如 [转卖]进行直接盈利或[编辑后售卖]进行间接盈利)。
2、本站所有内容均由合作方或网友上传,本站不对文档的完整性、权威性及其观点立场正确性做任何保证或承诺!文档内容仅供研究参考,付费前请自行鉴别。
3、如文档内容存在违规,或者侵犯商业秘密、侵犯著作权等,请点击“违规举报”。

碎片内容

太阳能路灯验收记录表格模板

确认删除?
VIP
微信客服
  • 扫码咨询
会员Q群
  • 会员专属群点击这里加入QQ群
客服邮箱
回到顶部