电脑桌面
添加小米粒文库到电脑桌面
安装后可以在桌面快捷访问

安全管理体系与措施方案

安全管理体系与措施方案_第1页
1/23
安全管理体系与措施方案_第2页
2/23
安全管理体系与措施方案_第3页
3/23
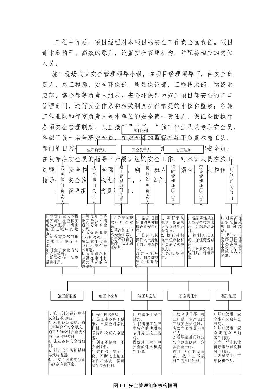
安全管理体系与措施申报单位:XXXXXXXXXXXXXX 申 报 人:审核人:申报日期:年 月 日 安全管理体系与措施1.1 安全管理方针、目标1.1.1 管理方针本公司安全管理方针是:“消除一切隐患风险,确保全员健康安全”。本合同实施中,本公司严格遵守国家现行安全生产法律、法规,预防和消除一切不安全隐患,防止各类事故发生;建立科学的安全管理体系,改善施工作业环境,依靠先进的管理方法,保证项目施工、管理人员的健康与安全。1.1.2 管理目标本合同施工安全管理目标是:明确项目部的安全管理机构与职责;建立、健全安全生产责任制度,确保责权明确,信息流畅通;相关人员依法、明确的管理程序履行各自职责和义务;使所有影响施工现场安全文明施工的各类因素处于受控状态,保障施工现场作业人员的人身安全和健康。(1)监控指标无死亡事故。无重大交通事故。无重大机电事故。杜绝火灾事故的发生,确保无重大火灾事故。无因劳保设施与用具引起的职业健康事故。(2)安全管理目标全员安全培训教育率 100%。特种作业人员持证率 100%。隐患整改率>95%,重大隐患整改率 100%。尘、毒、噪声治理合格率 100%。设备安全装置完好率 100%。事故处理结案率 100%。1.2 安全管理组织机构与其主要职责1.2.1 安全管理组织机构工程中标后,项目经理对本项目的安全工作负全面责任。项目部本着精干、高效的原则,设置安全管理机构,并配备相应的岗位人员。施工现场成立安全管理领导小组,在项目经理领导下,由安全负责人、总工程师、安全环保部、质量保证部、工程技术部、物资供应部、综合部等负责人组成。安全环保部为施工项目部安全的归口管理部门,进行安全体系和相关制度执行情况的审核和监察;各施工作业队和部室负责人是本单位的安全第一责任人,保证全面执行各项安全管理制度,负直接领导责任。各施工作业队设专职安全员,各部门设一名兼职安全员,在安全部的监督指导下负责本施工队、部门的日常安全管理工作,各施工作业班组班组长为兼职安全员,在队专职安全员的指导下开展班组的安全工作,对本班人员在施工过程中的安全和健康全面负责,确保本班人员根据有关规定和作业指导书与安全施工措施进行施工,不违章作业。安全管理组织机构见图 1-1。1. 财务部保证 安 全 措 施项 目 的 经费。2. 卫生、行政 部 门 保 证工 人 生 活 基本 条 件 , 确保 施 工 人 员健康。图 1-1 安全管理组织机构框图项目经理生产负责...

1、当您付费下载文档后,您只拥有了使用权限,并不意味着购买了版权,文档只能用于自身使用,不得用于其他商业用途(如 [转卖]进行直接盈利或[编辑后售卖]进行间接盈利)。
2、本站所有内容均由合作方或网友上传,本站不对文档的完整性、权威性及其观点立场正确性做任何保证或承诺!文档内容仅供研究参考,付费前请自行鉴别。
3、如文档内容存在违规,或者侵犯商业秘密、侵犯著作权等,请点击“违规举报”。

碎片内容

安全管理体系与措施方案

您可能关注的文档

确认删除?
VIP
微信客服
  • 扫码咨询
会员Q群
  • 会员专属群点击这里加入QQ群
客服邮箱
回到顶部