电脑桌面
添加小米粒文库到电脑桌面
安装后可以在桌面快捷访问

工程测量实习指导书

工程测量实习指导书_第1页
1/24
工程测量实习指导书_第2页
2/24
工程测量实习指导书_第3页
3/24
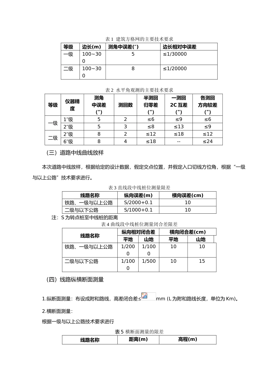
工程测量实习指导书适用班级:15 测量 1、2 班实习周数: 1 周工程测量教研室2024 年 1 月 11 日说 明《工程测量》是工程测量技术专业的核心专业技术课程,是一门实践性、操作性、综合性很强的课程,通过数字化课程实习,进一步巩固和深化课堂所学容,验证课堂所学基础理论和基本方法、基本技能,将所学知识变成技巧、变成能力。通过实习,还可以加强学生的仪器操作技能,提高学生的动手能力,培育学生运用所学基本理论和基本技能发现问题,分析问题、解决问题的能力。一.实习容的深、广度要求(一)测量资料的记录要求1.观测记录必须直接填写在规定的表格,不得用其他纸记录再行转抄。2.凡记录表格上规定填写的项目应填写齐全。3.所有记录与计算均用铅笔(2H 或 3H)记载。字体应端正清楚,字高应稍大于格子的一半。一旦记录中出现错误,便可在留出的空隙处对错误的数字进行更正。4.观测者读数后,记录者应立即回报读数,经确认后再记录,以防听错、记错。5.禁止擦拭、涂改与挖补。发现错误应在错误处用横线划去,将正确数字写在原数上方,不得使原字模糊不清。淘汰某整个部分时可用斜线划去,保持被淘汰的数字仍然清楚。所有记录的修改和观测成果的淘汰,均应在备注栏注明原因(如测错、记错或超限等)。6.禁止连环更改,若已修改了平均数,则不准再改计算得此平均数之任何一原始数。若已改正一个原始读数,则不准再改其平均数。假如两个读数均错误,则应重测重记。7.读数和记录数据的位数应齐全。如在普通测量中,水准尺读数 0325;度盘读数 4°03′06″,其中的“0”均不能省略。8.数据计算时,应根据所取的位数,按“4 舍 6 入,5 前单进双不进”的规则进行凑整。如1.3144,1.3136,1.3145,1.3135 等数,若取三位小数,则均记为 1.314。9.每测站观测结束,应在现场完成计算和检核,确认合格后方可搬站。实验结束,应按规定每人或每组提交一份记录手簿或实验报告。(二)建筑轴线放样要求本次建筑轴线放样,根据给定的轴线数据,假定轴线中心点位置,以与中心点与任一轴线端点的起始方向,根据二级建筑方格网的布设技术要求进行。表 1 建筑方格网的主要技术要求等级边长(m)测角中误差(″)边长相对中误差一级100~3005≤1/30000二级100~3008≤1/20000表 2 水平角观测的主要技术要求等级仪器精度测角中误差(″)测回数半测回归零差(″)一测回2C 互差(″)各测回方向较差(″)一级1″级52≤6≤9≤62″级53≤8≤13≤9...

1、当您付费下载文档后,您只拥有了使用权限,并不意味着购买了版权,文档只能用于自身使用,不得用于其他商业用途(如 [转卖]进行直接盈利或[编辑后售卖]进行间接盈利)。
2、本站所有内容均由合作方或网友上传,本站不对文档的完整性、权威性及其观点立场正确性做任何保证或承诺!文档内容仅供研究参考,付费前请自行鉴别。
3、如文档内容存在违规,或者侵犯商业秘密、侵犯著作权等,请点击“违规举报”。

碎片内容

工程测量实习指导书

您可能关注的文档

确认删除?
VIP
微信客服
  • 扫码咨询
会员Q群
  • 会员专属群点击这里加入QQ群
客服邮箱
回到顶部