电脑桌面
添加小米粒文库到电脑桌面
安装后可以在桌面快捷访问

工程设计行业与建设规模划分表全

工程设计行业与建设规模划分表全_第1页
1/43
工程设计行业与建设规模划分表全_第2页
2/43
工程设计行业与建设规模划分表全_第3页
3/43
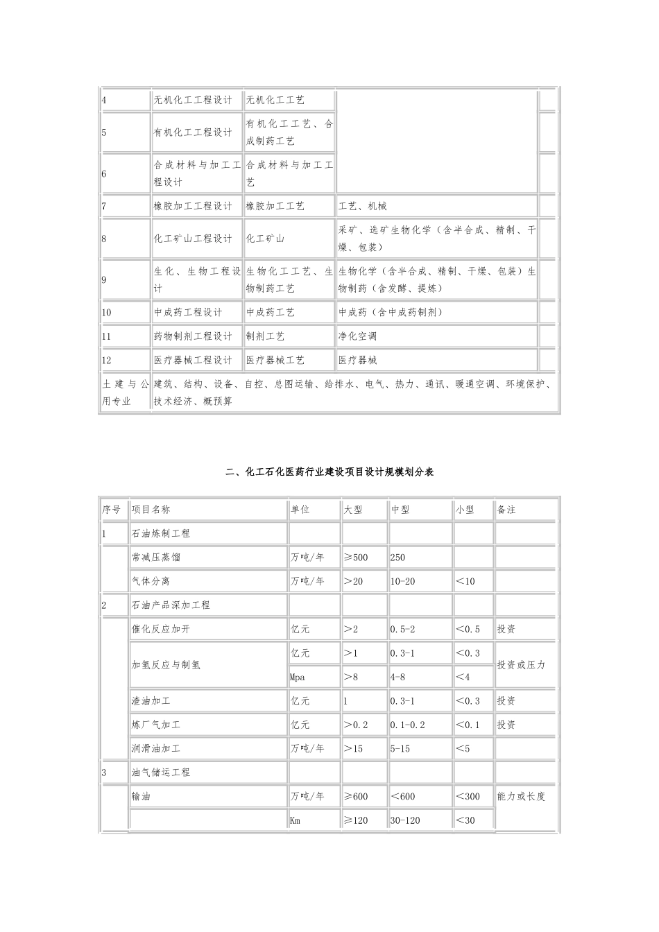
附表 1:工程设计行业划分表序号行 业备 注(一)煤炭(二)化工石化医药含原石化、化工、医药(三)石油天然气(四)电力含原火电、水电、核电、新能源(五)冶金含原冶金、有色、黄金(六)军工含原航天、航空、兵器、船舶(七)机械(八)商物粮含原商业、物资、粮食(九)核工业(十)电子通信广电含原电子、通信、广播电影电视(十一)轻纺含原轻工、纺织(十二)建材(十三)铁道(十四)公路(十五)水运(十六)民航(十七)市政(十八)海洋(十九)水利(二十)农林含原农业、林业(二十一)建筑含原建筑、人防 附表 2:各行业工程设计专业基本配备表与建设项目设计规模划分表附表 2-1一、煤炭行业工程设计专业基本配备表序号本行业工程设计类型主 导 工 艺 名称主要配备专业备注1矿井采矿采矿、建井、生产系统、矿山机电2露天矿露天采矿露天开采、生产系统、疏干排水、边坡工程、矿山机电3选煤厂选煤选煤、机械制造土建与公用专业电力、自控、通讯、信号、机械制造、结构、给排水、暖通空调、环保、总图运输、铁路、公路、隧道、桥涵、技术经济、概预算注:选煤厂设计类型的土建与公用工程专业不考核机械制造和隧道专业人员。二、煤炭行业建设项目设计规模划分表序号建设项目计量单位大型中型小型备注1矿井万吨/年≥12090-45≤302露天矿万吨/年≥400300-100<1003选煤厂万吨/年≥12090-45≤30附表 2-2一、化工石化医药行业工程设计专业基本配备表序号本行业工程设计类型主导工艺名称主要配备专业备注1石油炼制工程设计石油煤制工艺工艺系统、工艺配管(工艺、设备专业) 2石油产品深加工程设计油品加工工艺3石油与化工产品储运工程设计储运工艺4无机化工工程设计无机化工工艺5有机化工工程设计有机化工工艺、合成制药工艺6合成材料与加工工程设计合成材料与加工工艺7橡胶加工工程设计橡胶加工工艺工艺、机械8化工矿山工程设计化工矿山采矿、选矿生物化学(含半合成、精制、干燥、包装)9生化、生物工程设计生物化工工艺、生物制药工艺生物化学(含半合成、精制、干燥、包装)生物制药(含发酵、提炼)10中成药工程设计中成药工艺中成药(含中成药制剂)11药物制剂工程设计制剂工艺净化空调12医疗器械工程设计医疗器械工艺医疗器械土 建 与 公用专业建筑、结构、设备、自控、总图运输、给排水、电气、热力、通讯、暖通空调、环境保护、技术经济、概预算二、化工石化医药行业建设项目设计规模划分表序号项目名称单位大型中型...

1、当您付费下载文档后,您只拥有了使用权限,并不意味着购买了版权,文档只能用于自身使用,不得用于其他商业用途(如 [转卖]进行直接盈利或[编辑后售卖]进行间接盈利)。
2、本站所有内容均由合作方或网友上传,本站不对文档的完整性、权威性及其观点立场正确性做任何保证或承诺!文档内容仅供研究参考,付费前请自行鉴别。
3、如文档内容存在违规,或者侵犯商业秘密、侵犯著作权等,请点击“违规举报”。

碎片内容

工程设计行业与建设规模划分表全

范哲铺+ 关注
实名认证
内容提供者

想你所想,急你所急,你需要的都在店铺里可以找到。

确认删除?
VIP
微信客服
  • 扫码咨询
会员Q群
  • 会员专属群点击这里加入QQ群
客服邮箱
回到顶部