电脑桌面
添加小米粒文库到电脑桌面
安装后可以在桌面快捷访问

干挂石材施工工艺标准

干挂石材施工工艺标准_第1页
1/9
干挂石材施工工艺标准_第2页
2/9
干挂石材施工工艺标准_第3页
3/9
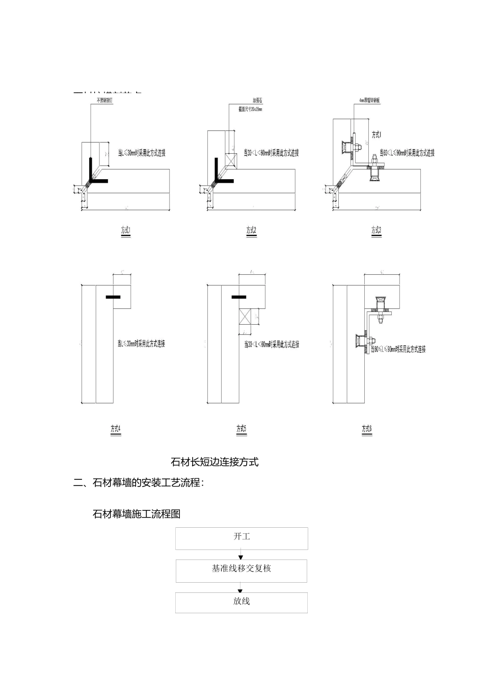
干挂石材施工工艺本项目主要柱为干挂石材,干挂石材缝隙采纳密封胶;龙骨形式主要规格型号有:石材立柱采纳 L50*5 角钢,立柱与结构连接支座为 14#槽钢,所有横梁均采纳 L40*4 角钢,所有钢材表面热浸镀锌;石材面板采纳挂件结构系统,局部采纳后置背栓。一、主要做法如下:石材柱横剖节点石材柱横剖节点石材长短边连接方式二、石材幕墙的安装工艺流程:石材幕墙施工流程图开工基准线移交复核放线石材面板订购与干挂石材施工配合流程图检查放线精度埋件检查埋件校准补埋连接件安装质量检查钢龙骨安装质量检查石材面板安装质量检查检查清扫质量检查竣工交付放 线石材到货提石材计划石材验收隐蔽验收钢安装龙骨(钢材为热镀锌)龙骨焊接处二次防锈处理(三遍刷漆)三、各施工程序详细说明1、连接件安装工艺与技术方案(1)连接件的作用都是为了将石材与主体结构连接起来,故连接件的安装质量将直接影响干挂的结构安装质量。(2)在安装前检查连接件是否符合要求,是否是合格品,热镀锌是否按标准进行,开口槽是否符合产品标准。(3)寻准埋件。预埋件的作用就是将连接件固定,使幕墙结构与主体砼结构连接起来。故安装连接件时首先要寻找埋件,只有寻准了埋件才能很准确地安装连接件。石材开槽加工(倒角、磨边)六面防护安装石材面板补眼检查、注胶检查、清理、抛光、打蜡石材幕墙清洗终 验(4)对比竖龙骨垂线。竖龙骨的中心线也是连接件的中心线,故在安装时要注意控制连接件的位置,其偏差小于 2mm。(5)拉水平线控制水平高低与进深尺寸。虽然埋件已控制水平高度,但由于施工误差影响,安装连接件时仍要拉水平线控制其水平与进深的位置以保证连接件的安装准确无误。(6)点焊。在连接件三维空间定位确定准确后要进行连接件的临时固定即点焊。点焊时每个焊接面点 2-3 点,要保证连接件不会脱落。点焊时要两人同时进行,一人固定位置,另一个点焊,这样协调施工同时两人都要做好各种防护;点焊人员必须是有焊工技术操作证者,以保证点焊的质量。(7)验收检查。对初步固定的连接件按层次逐个检查施工质量,主要检查三维空间误差,一定要将误差控制在误差围。三维空间误差施工场地施工控制围为垂直误差小于 2mm,水平误差小于 2mm,进深误差小于 3mm。(8)加焊正式固定。对验收合格的连接件进行固定,即正式烧焊,烧焊操作时要根据焊接的规格与操作规定进行,一般情况下连接的两边都必须满焊。(9)验收。对烧焊好的连接件,现场管理...

1、当您付费下载文档后,您只拥有了使用权限,并不意味着购买了版权,文档只能用于自身使用,不得用于其他商业用途(如 [转卖]进行直接盈利或[编辑后售卖]进行间接盈利)。
2、本站所有内容均由合作方或网友上传,本站不对文档的完整性、权威性及其观点立场正确性做任何保证或承诺!文档内容仅供研究参考,付费前请自行鉴别。
3、如文档内容存在违规,或者侵犯商业秘密、侵犯著作权等,请点击“违规举报”。

碎片内容

干挂石材施工工艺标准

确认删除?
VIP
微信客服
  • 扫码咨询
会员Q群
  • 会员专属群点击这里加入QQ群
客服邮箱
回到顶部