电脑桌面
添加小米粒文库到电脑桌面
安装后可以在桌面快捷访问

建筑节能计算报告书VIP专享

建筑节能计算报告书_第1页
1/21
建筑节能计算报告书_第2页
2/21
建筑节能计算报告书_第3页
3/21
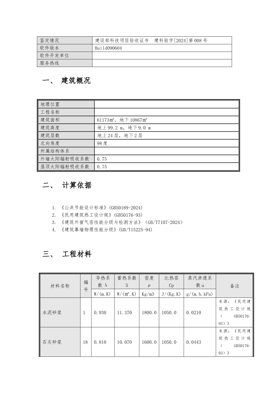
建筑节能计算报告书(公共建筑-综合权衡)工程名称:设计编号:建设单位:设计单位:节能计算单位:计算人:校对人:审核人:计算日期:计算软件名称建筑节能设计分析软件 TH-BECS2024鉴定情况建设部科技项目验收证书 建科验字[2024]第 008 号软件版本Build090604软件开发单位服务热线一、 建筑概况地理位置工程名称建筑面积61173㎡,地下 10867㎡建筑高度地上 99.2 m,地下 9.0 m建筑层数地上 24 层,地下 2 层北向角度98 度所属结构体系外墙太阳辐射吸收系数0.75屋顶太阳辐射吸收系数0.75二、 计算依据1. 《公共节能设计标准》(GB50189-2024)2. 《民用建筑热工设计规》(GB50176-93)3. 《建筑外窗气密性能分级与检测方法》(GB/T7107-2024)4. 《建筑幕墙物理性能分级》(GB/T15225-94)三、 工程材料材料名称编号导热系数 λ蓄热系数S密度ρ比热容Cp蒸汽渗透系数 u备注W/(m.K)W/(㎡.K)Kg/m3J/(Kg.K)g/(m.h.kPa)水泥砂浆10.93011.3701800.01050.00.0210来源:《民用建筑 热 工 设 计 规(GB50176-93)》石灰砂浆180.81010.0701600.01050.00.0443来源:《民用建筑 热 工 设 计 规(GB50176-93)》钢筋混凝土41.74017.2002500.0920.00.0158来源:《民用建筑 热 工 设 计 规(GB50176-93)》碎石、卵石混凝土(ρ=2300)101.51015.3602300.0920.00.0173来源:《民用建筑 热 工 设 计 规(GB50176-93)》挤 塑 聚 苯 板(ρ=25-32)220.0300.32028.51647.00.0162加气混凝土砌块270.2203.601700.01158.00.0000浮 石 混 凝 土(ρ=1100)(水泥焦渣)280.4206.1301100.01050.00.0353蒸汽渗透系数为测定值SBS 改性沥青防水卷材290.2309.370900.01620.00.0000抗裂砂浆(网格布)310.93011.3061800.01050.00.0000烧结多孔砖墙320.5807.9191400.01062.00.0000防水砂浆330.93011.3061800.01050.00.0000AJ 膨胀玻化微珠350.0701.590300.01000.00.0000四、 围护结构作法简要说明1. 屋顶构造(1):平屋面-挤塑聚苯板 40+钢筋砼 120(由外到)水泥砂浆(25mm)+SBS 改性沥青防水卷材(2mm)+水泥砂浆(20mm)+挤塑聚苯板(ρ=25-32)(40mm)+水泥砂浆(20mm)+浮石混凝土(ρ=1100)(水泥焦渣)(30mm)+钢筋混凝土(120mm)+石灰砂浆(20mm)2. 外墙构造(1):外-玻化微珠+加气砼(由外到)抗裂砂浆(网格布)(6mm)+AJ 膨胀玻化微珠(30mm)+加气混凝土砌块(240mm)+石灰砂浆(20mm)3. 外墙构...

1、当您付费下载文档后,您只拥有了使用权限,并不意味着购买了版权,文档只能用于自身使用,不得用于其他商业用途(如 [转卖]进行直接盈利或[编辑后售卖]进行间接盈利)。
2、本站所有内容均由合作方或网友上传,本站不对文档的完整性、权威性及其观点立场正确性做任何保证或承诺!文档内容仅供研究参考,付费前请自行鉴别。
3、如文档内容存在违规,或者侵犯商业秘密、侵犯著作权等,请点击“违规举报”。

碎片内容

建筑节能计算报告书

确认删除?
VIP
微信客服
  • 扫码咨询
会员Q群
  • 会员专属群点击这里加入QQ群
客服邮箱
回到顶部