电脑桌面
添加小米粒文库到电脑桌面
安装后可以在桌面快捷访问

数控车床电气控制原理图、电气柜安装照片

数控车床电气控制原理图、电气柜安装照片_第1页
1/4
数控车床电气控制原理图、电气柜安装照片_第2页
2/4
数控车床电气控制原理图、电气柜安装照片_第3页
3/4
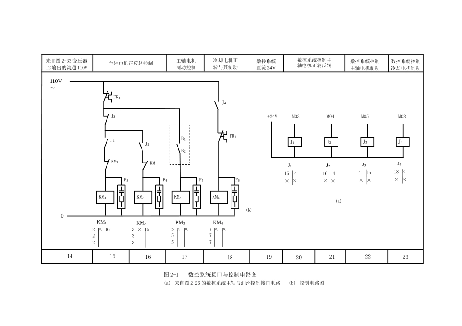
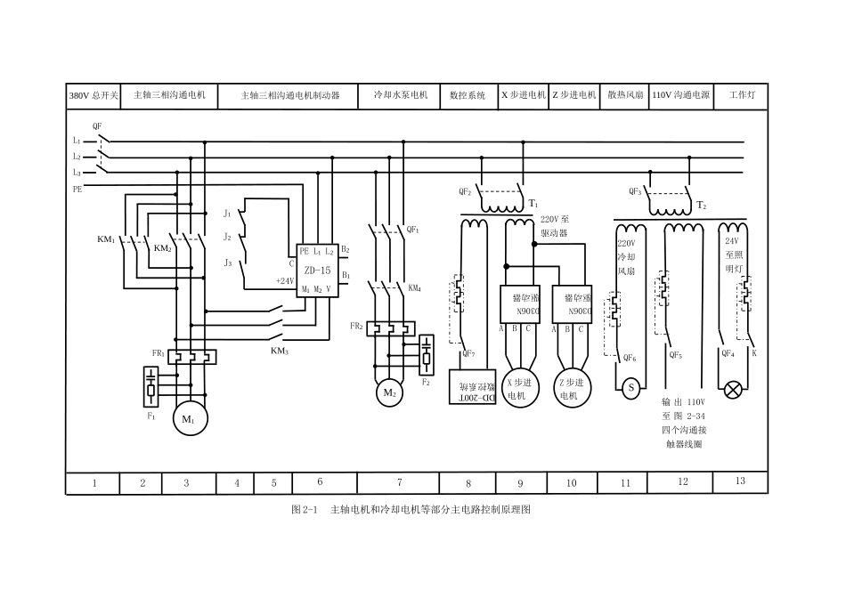
图 2-1 主轴电机和冷却电机等部分主电路控制原理图380V 总开关主轴三相沟通电机主轴三相沟通电机制动器冷却水泵电机数控系统X 步进电机 Z 步进电机散热风扇110V 沟通电源工作灯12345678910111213220V 至驱动器A B CM2QF1KM4FR2F2M1L1L2L3PEKM1KM2FR1F1QFJ1J2J3M1 M2 VPE L1 L2 B1B2C+24VKM3ZD-15DD-200T数控系统QF7T1 QF2D306N驱动器Z 步进电机D306N驱动器X 步进电机输 出 110V至 图 2-34四个沟通接 触器线圈220V冷却风扇SQF5QF6QF4 K24V至照明灯QF3T2 A B C图 2-1 数控系统接口与控制电路图(a) 来自图 2-26 的数控系统主轴与润滑控制接口电路 (b) 控制电路图来自图 2-33 变压器T2 输出的沟通 110V主轴电机正反转控制主轴电机制动控制冷却电机正转与其制动数控系统直流 24V数控系统控制主轴电机正转反转数控系统控制主轴电机制动数控系统控制冷却电机制动14151617181920212322(a)J1+24V M03 M04 M05 M08J2J3J4(b)KM1KM2KM3KM4FR1J3J1KM2J2KM1FR1J4B1B2110V~0F3 F4 F5 F6KM12 × 162 2 KM23 × 153 3 KM35 × ×5 5 KM47 × ×7 7 J115 4 × ×J216 4 × ×J34 15 × ×J418 ×× ×图 2-2 电气控制柜组装步骤(a) 在电气柜安装板上合理布局电气元件 (b) 固定导轨线槽,用螺丝固定四件电器(c) 根据原理图、接口与控制电路图接线 (d) 电器柜组装完成后加线槽盖板即成(a)(b)(c)(d)图 2-3 CA6140 普通车床数控改造后的 CK6140B 型数控车床图

1、当您付费下载文档后,您只拥有了使用权限,并不意味着购买了版权,文档只能用于自身使用,不得用于其他商业用途(如 [转卖]进行直接盈利或[编辑后售卖]进行间接盈利)。
2、本站所有内容均由合作方或网友上传,本站不对文档的完整性、权威性及其观点立场正确性做任何保证或承诺!文档内容仅供研究参考,付费前请自行鉴别。
3、如文档内容存在违规,或者侵犯商业秘密、侵犯著作权等,请点击“违规举报”。

碎片内容

数控车床电气控制原理图、电气柜安装照片

确认删除?
VIP
微信客服
  • 扫码咨询
会员Q群
  • 会员专属群点击这里加入QQ群
客服邮箱
回到顶部