电脑桌面
添加小米粒文库到电脑桌面
安装后可以在桌面快捷访问

机房组织与实施方案

机房组织与实施方案_第1页
1/18
机房组织与实施方案_第2页
2/18
机房组织与实施方案_第3页
3/18
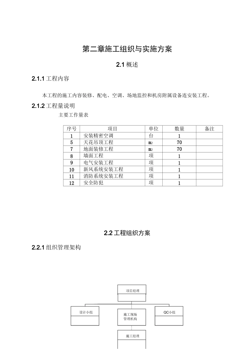
第二章施工组织与实施方案2.1 概述2.1.1 工程内容本工程的施工内容装修、配电、空调、场地监控和机房附属设备连安装工程。2.1.2 工程量说明主要工作量表序号项目单位数量备注1安装精密空调台15天花吊顶工程m2707地面装修工程m2708墙面工程项19电气安装工程项110新风系统安装工程项111消防系统安装工程项112安全防犯项12.2 工程组织方案2.2.1 组织管理架构2.2.2 岗位职责描述项目经理:协调与甲方和甲方的关系,组织管理下属各设计、施工、QC、材料供应等小组的工作,不断优化生产要求,加强动态管理,有效推行全面质量管理,坚持质量安全两个保证体系,创全优工程,并力争提前完工。设计小组:负责方案和施工图纸的设计,组织工程验收,完成配套技术资料及相关文档,向用户提供有效的维护管理资料;在施工过程中,如果甲方更改工程内容,由设计小组负责设计文件和图纸的变更。施工管理小组:在项目经理的领导下,以优质、高效、安全、文明为主轴,组织各施工队伍精心施工,大力推广先进施工技术,全面实行质量管理,严格按照机房建设施工工艺和规范,落实设计文件和施工图纸变更后的施工实施情况,配合甲方对施工质量的抽查,创建全优工程。并负责工程质量的十年保证。材料管理小组:掌握施工进度,及时供应工程材料,并做好材料质量与检查工作,做好材料进、出库的管理工作,编制材料和库存数量等管理资料。QC 小组:在项目经理的直接领导下,全面推行质量管理,制定 QC 检查制度,检查内容和检查规范,以质量第一为准则,对施工检查不合格的坚决返工,并再检查,直至检查合格。争取把本工程建设成为优质样板工程。安全管理小组:在项目经理的直接领导下,全面推行安全文明施工管理,制定安全施工制度,严格按照安全施工制度来控制管理现场施工。保证本工程成为文明施工的样板工程。2.2.3 施工力量说明施工力量说明工程整体由项目经理全权负责,下设现场施工经理、施工设计小组、QC 检验小组和安全检查员;针对该工程特点,从公司各部抽调人员组成装修组、电气安装组、空调安装组、弱电组、消防工程组(由专业的消防公司承建)等专业施工班组。工程高峰期现场施工人员将达到 30 人,以保证工程的施工质量和进度,提前完成工程建设。2.3 施工前准备2.3.1 人员准备本工程所需的设备、人员统一在公司自有配备人员中和专业消防公司调配。这些设备和人员在收到通知后 3 天内按组织调配计划运送到工地。机房工程人员组织调配计划表序号...

1、当您付费下载文档后,您只拥有了使用权限,并不意味着购买了版权,文档只能用于自身使用,不得用于其他商业用途(如 [转卖]进行直接盈利或[编辑后售卖]进行间接盈利)。
2、本站所有内容均由合作方或网友上传,本站不对文档的完整性、权威性及其观点立场正确性做任何保证或承诺!文档内容仅供研究参考,付费前请自行鉴别。
3、如文档内容存在违规,或者侵犯商业秘密、侵犯著作权等,请点击“违规举报”。

碎片内容

机房组织与实施方案

wxg+ 关注
实名认证
内容提供者

该用户很懒,什么也没介绍

确认删除?
VIP
微信客服
  • 扫码咨询
会员Q群
  • 会员专属群点击这里加入QQ群
客服邮箱
回到顶部