电脑桌面
添加小米粒文库到电脑桌面
安装后可以在桌面快捷访问

水利工程单位工程验收监理工作报告

水利工程单位工程验收监理工作报告_第1页
1/18
水利工程单位工程验收监理工作报告_第2页
2/18
水利工程单位工程验收监理工作报告_第3页
3/18
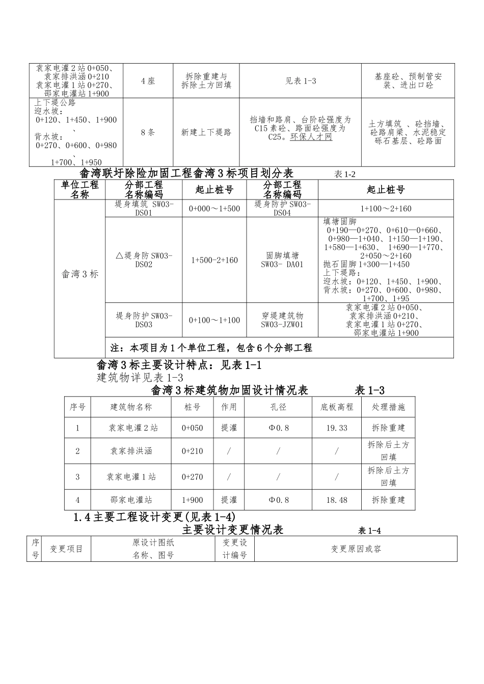
省鄱阳湖区二期防洪工程第六个单项畲湾联圩除险加固工程畲湾 3 标单位工程验收监理工作报告1、工程概况1.1 工程简介畲湾联圩属于鄱阳县和乐平市管辖围,位于乐安河下游右岸,与万年县梓埠联圩隔乐安河相望。距鄱阳县城约 40kw,距乐平市约30kw。圩堤起自乐平市境的观音峰,沿乐安河顺流而下,经饶埠、渡口、舒家埠、家,止于鄱阳县庙下村附近。堤线全长 23.85kw,圩 堤 保 护 面 积 64.36km2 , 保 护 耕 地 6.07×104 亩 , 保 护 人 口5.02×104 人与景鹰高速等重要交通设施。为充分发挥现有圩堤工程防洪效益,保护人民群众生命财产安全, 2024 年,省发改委、省水利厅针对畲湾联圩现状,将其列为省鄱阳造价人才网湖区二期防洪工程第六个单项 2024 年度第一批实施项目。畲湾 3 标项目位于乐平市境,主要除险加固实施项目为:桩号0+000~2+160 堤段土方工程(包括粘土斜墙填筑)、预制块护坡工程、抛石工程、吹填工程和电灌站重建等除险加固工程。1.2 工程主要建设容与项目划分1.2.1 工程主要建设容(见表 1-1)1.2.2 工程项目划分见(表 1-2)省水利厅水利工程建设质量与安全监督中心站以赣水质监字[2024]21 号文下发了《关于鄱阳湖区二期防洪工程第六个单项 2024年度第一批实施项目划分的批复》,批复畲湾 3 标共划分为 1 个单位工程,6 个分部工程,见表 1-2:1.3 工程主要技术指标畲湾联圩属于鄱阳湖重点圩堤之一,设计防洪标准为河洪防备乐安河 20 年一遇洪水位,湖洪防备相应湖口 20.59m 洪水位,建筑物设计洪水位比所在堤段设计洪水位提高 0.5m。 畲湾 3 标主要设计特点与建设容表 表 1-1实施桩号处理数量处理方案设计技术指标主要建设容0+000~1+5001500M堤身加高培厚外坡坡度 1:3、压实度不小于 0.9坡面清基、土方开挖、土方回填1+500-2+160660M堤身粘土斜墙外坡坡度 1:3、压实度不小于 0.9、渗透系数 K≤1×10-5cm/s土方清基、土方开挖、粘土填筑0+100~0+480 0+555~0+8500+920~2+1601915M砼预制块护坡厚 10Cm 的 C15 砼预制块铺设,下设厚 10Cm 的砂卵石垫层,护坡顶高程为设计洪水位+50cm。砼预制块制作、坡面整修、铺设砂卵石垫层、砼预制块铺设1+300—1+450150M抛石固脚块石强度等级≥Mu70,软化系数 Kd≥0.65。水下抛石1+150~1+190、1+580~1+630、1+690~1+770、2+050~2+100220M填塘固基填至相应高程清基、土方填筑袁家电灌 2 站 0+050、袁家排洪涵 0+...

1、当您付费下载文档后,您只拥有了使用权限,并不意味着购买了版权,文档只能用于自身使用,不得用于其他商业用途(如 [转卖]进行直接盈利或[编辑后售卖]进行间接盈利)。
2、本站所有内容均由合作方或网友上传,本站不对文档的完整性、权威性及其观点立场正确性做任何保证或承诺!文档内容仅供研究参考,付费前请自行鉴别。
3、如文档内容存在违规,或者侵犯商业秘密、侵犯著作权等,请点击“违规举报”。

碎片内容

水利工程单位工程验收监理工作报告

范哲铺+ 关注
实名认证
内容提供者

想你所想,急你所急,你需要的都在店铺里可以找到。

确认删除?
VIP
微信客服
  • 扫码咨询
会员Q群
  • 会员专属群点击这里加入QQ群
客服邮箱
回到顶部