电脑桌面
添加小米粒文库到电脑桌面
安装后可以在桌面快捷访问

水利排水沟工程施工组织设计方案

水利排水沟工程施工组织设计方案_第1页
1/9
水利排水沟工程施工组织设计方案_第2页
2/9
水利排水沟工程施工组织设计方案_第3页
3/9
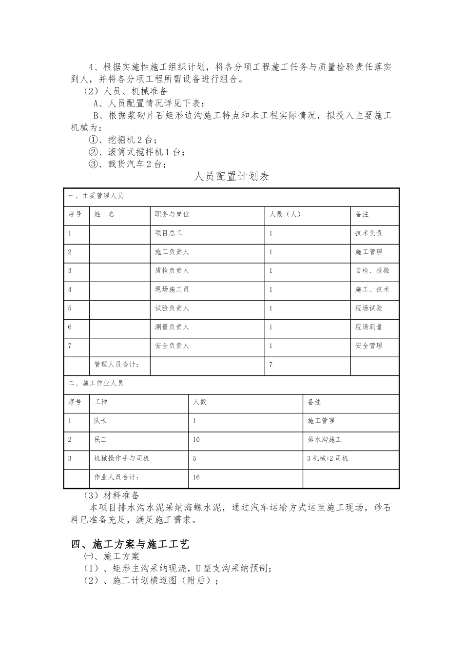
目 录一、工程概况- 2 -二、编制依据- 2 -三、施工前准备工作- 2 -四、施工方案与施工- 3 -五、质量保证措施- 7 -六、安全保障措施- 9 - 七、环境保护与防治传染病措施…………………………… 8 附件:1、施工进度计划横道图 2、施工技术交底书 3、施工安全交底书抬填施工方案一、工程概况江华瑶族自治县涔天河水库库区防护工程与浸没处理工程属涔天河水库配套与改造项目,主要工作容为库区抬填与防护,第三标段清塘片抬填区抬填面积 98.63 亩,设计排水沟 728m,其中主沟 1 条,支沟 3 条。二、编制依据1、施工项目施工招标文件;2、施工合同协议书;3、施工设计图;4、水利水电工程施工技术规;4、水利水电建设《工程管理方法》、《质量管理方法》和《安全管理方法》等,以与本单位的技术水平、装备能力、管理水平与类似工程的施工经验。5、中标后深化了解和讨论设计文件以与施工现场的具体情况。6、总体实施性施工组织设计。三、施工前准备工作 (1)技术准备1、仔细批阅设计图纸和设计技术资料,学习招标文件和监理程序,熟悉合同文件和技术规。2、现场核对设计资料,组织有关人员对线路走向、位置、地形地貌、道路交通、地质水文状况等进行全面的调查核对。3、施工前进行导线点、水准点进行复核和加密。复测场地地貌,包括取弃土场等具体位置的复核,对设计红线进行放样。打桩标明后报监理工程师检查。4、根据实施性施工组织计划,将各分项工程施工任务与质量检验责任落实到人,并将各分项工程所需设备进行组合。 (2)人员、机械准备 A、人员配置情况详见下表; B、根据浆砌片石矩形边沟施工特点和本工程实际情况,拟投入主要施工机械为:①、挖掘机 2 台;②、滚筒式搅拌机 1 台;③、载货汽车 2 台;人员配置计划表一、主要管理人员序号姓 名职务与岗位人数(人)备注1项目总工1技术负责2施工负责人1施工管理3质检负责人1自检、报验4现场施工员1施工、技术5试验负责人1现场试验6测量负责人1现场测量7安全负责人1安全管理管理人员合计:7二、施工作业人员序号工种人数备注1队长1施工管理2民工10排水沟施工3机械操作手与司机53 机械+2 司机作业人员合计:16 (3)材料准备本项目排水沟水泥采纳海螺水泥,通过汽车运输方式运至施工现场,砂石料已准备充足,满足施工需求。四、施工方案与施工工艺 ㈠、施工方案 (1)、矩形主沟采纳现浇,U 型支沟采纳预制; (2)、施工计划横道图(附后); (3...

1、当您付费下载文档后,您只拥有了使用权限,并不意味着购买了版权,文档只能用于自身使用,不得用于其他商业用途(如 [转卖]进行直接盈利或[编辑后售卖]进行间接盈利)。
2、本站所有内容均由合作方或网友上传,本站不对文档的完整性、权威性及其观点立场正确性做任何保证或承诺!文档内容仅供研究参考,付费前请自行鉴别。
3、如文档内容存在违规,或者侵犯商业秘密、侵犯著作权等,请点击“违规举报”。

碎片内容

水利排水沟工程施工组织设计方案

您可能关注的文档

确认删除?
VIP
微信客服
  • 扫码咨询
会员Q群
  • 会员专属群点击这里加入QQ群
客服邮箱
回到顶部