电脑桌面
添加小米粒文库到电脑桌面
安装后可以在桌面快捷访问

水土保持方案报告表

水土保持方案报告表_第1页
1/28
水土保持方案报告表_第2页
2/28
水土保持方案报告表_第3页
3/28
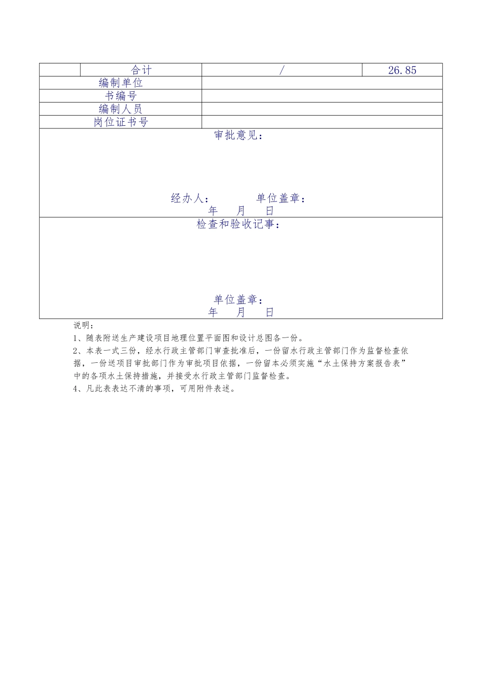
类别: 编号:eeeeeeeee水土保持方案报告表送审单位(个人): 省 石矿场 法定代表 人:地 址: eeeeeeeeeeeeeeeeee 镇上墩村 联 系人:电话:139 5888送审时间:2009 年 11 月 20 日 中华人民国水利部省 水土保持方案报告表项目概况项目名称省 石灰石矿项目负责人地点 村占地面积0.90hm2工程投资 200 万元(人民币)开工时期2024 年 12 月完工时间2024 年 3 月生产能力年产石灰石矿石 20 万 t生产年限6 年可能造成水土流失弃土、石、渣量0造成水土流失面积0.90hm2损坏水土保持措施植被面积 0.90hm2估算的水土流失量198t预测水土流失危害⑴ 地表水/地下水污染:土壤、岩石细屑在雨季随径流进入地表水,造成水质污染。㈡ 粉尘污染:在晴好大风天气,土壤、岩石细屑形成扬尘,造成区域粉尘污染。㈢ 废弃物:剥离表土与废石料堆积占压耕地。㈣ 破坏景观:矿山开采活动破坏景观。㈤ 地质灾害:矿山开采活动可能造成地质灾害。水土保持措施与投资工程措施措施名称数量投资(万元)M7.5 浆砌石挡渣墙110m10.09M7.5 浆砌石排水沟900m15.30沉沙池7 座0.27全面整地0.45hm20.03覆土200m30.06植物措施条播宽叶雀稗草种0.90hm20.15栽植桉树4000 株0.33抚育管护0.44hm20.10临时工程临时排水沟1 项0.61独立费用科研勘测设计费1 项5.00水土保持监测费1 项2.00水土保持监理费1 项2.00基本预备费2.16水土保持总投资38.1损坏水土保持设施补偿费0.90方案总投资39.00分年度实施计划年度措施工程量投资(万元)2024.12~2024.3截/排水沟、沉淀池、挡渣墙与临时工程26.372024.4~2024.6植物措施0.48合计/26.85编制单位书编号编制人员岗位证书号审批意见:经办人: 单位盖章:年 月 日检查和验收记事:单位盖章:年 月 日说明:1、随表附送生产建设项目地理位置平面图和设计总图各一份。2、本表一式三份,经水行政主管部门审查批准后,一份留水行政主管部门作为监督检查依据,一份送项目审批部门作为审批项目依据,一份留本必须实施“水土保持方案报告表”中的各项水土保持措施,并接受水行政主管部门监督检查。4、凡此表表达不清的事项,可用附件表述。省 矿水土保持方案报告表设 计 说 明委托单位:省 矿场编制单位: 司2024 年 11 月目 录1 项目简述 11.1 项目基本概况 11.2 项目组成 11.3 采场围 12 项目区概述 22.1 自然概况 22.2 社会经济概况 23 产生水土流失的环节分析 43.1 水土流...

1、当您付费下载文档后,您只拥有了使用权限,并不意味着购买了版权,文档只能用于自身使用,不得用于其他商业用途(如 [转卖]进行直接盈利或[编辑后售卖]进行间接盈利)。
2、本站所有内容均由合作方或网友上传,本站不对文档的完整性、权威性及其观点立场正确性做任何保证或承诺!文档内容仅供研究参考,付费前请自行鉴别。
3、如文档内容存在违规,或者侵犯商业秘密、侵犯著作权等,请点击“违规举报”。

碎片内容

水土保持方案报告表

确认删除?
VIP
微信客服
  • 扫码咨询
会员Q群
  • 会员专属群点击这里加入QQ群
客服邮箱
回到顶部